扫码加入

  • 正文
  • 推荐器件
  • 相关推荐
申请入驻 产业图谱

昂科烧录器支持BPS晶丰明源半导体的多相Buck控制器BPD93004E

2024/07/01
736
加入交流群
扫码加入
获取工程师必备礼包
参与热点资讯讨论

芯片烧录行业领导者-昂科技术近日发布最新的烧录软件更新及新增支持的芯片型号列表,其中BPS晶丰明源半导体的多相Buck控制器BPD93004E已经被昂科的通用烧录平台AP8000所支持。

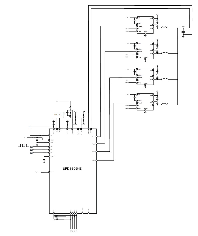
BPD93004E是一款多相Buck控制器,支持原生1~4相,数字方式控制,小封装,为CPU/GPU/AI芯片供电提供了一个非常简洁的方案,只要极少的外围器件就可以满足低压大电流Core供电需求。

BPD93004E的设计兼容传统的DCR功率检测、满足低成本的分离方案;同时也兼容更加简洁而高效的DrMOS功率级方案。BPD93004E可以通过改变一些引脚外围R/C的配置,也可以通过数字配置来实现很多关键功能。

主要优势

  • 可选择 4/3/2/1相数工作
  • 内置NVM配置PMBUS/I2C等多种协议
  • 引脚设置多功能配置
  • 可调开关频率工作范围 300k~2MHz
  • 兼容驱动+分离FETs方案以及DrMOS方案
  • 除了通过数字配置,还可通过外部器件设置工作相数
  • COT架构,超快速动态响应
  • 可编程的UVLO/OTP/OCP/OVP/UVP/VINOVP/VINUVP保护
  • QFN 5*5封装

应用

功能框图

昂科技术自主研发的AP8000万用烧录器包含主机,底板,适配座三大部分。

AP8000烧录器

主机支持USB和NET连接,允许将多台编程器进行组网,达到同时控制多台编程器同时烧录的目的。内置芯片安全保障电路保证即使芯片放反或其他原因造成的短路可以被立即检测到并进行断电处理,以保障芯片和编程器安全。内嵌高速FPGA,极大地加速数据传输和处理。主机背部有SD卡槽,将PC软件制作得到的工程文件放到SD卡的根目录下并插入到该卡槽内,通过编程器上的按键可进行工程文件的选择,加载,执行烧录等命令,以达到脱离PC便可操作的目的,极大地降低了PC硬件配置成本,方便迅速地搭配工作环境。

AP8000通过底板加适配板的方式,让主机扩展性更强,目前已经支持了所有主流半导体厂家生产的器件,包括TI, ST, MicroChip, Atmel, Hynix , Macronix, Micron, Samsung ,Toshiba等。支持的器件类型有NAND,NOR,MCU,CPLD,FPGA,EMMC等,支持包括Intel Hex,Motorola S, Binary, POF等文件格式。

公司介绍

关于晶丰明源半导体:晶丰明源半导体(BPS)成立于2008年10月,是专业的电源管理和控制驱动芯片供应商,专注于电源管理和电机控制芯片的研发和销售,坚持自主创新,产品覆盖LED照明驱动芯片、AC/DC电源管理芯片DC/DC电源管理芯片、电机控制驱动芯片等,广泛应用于LED照明、家电、手机、个人电脑、服务器、基站、网通、汽车、工业控制等领域。

关于昂科技术:昂科技术(ACROVIEW)是全球领先的半导体芯片烧录解决方案提供商,公司坚持以科技改变世界、用智能驱动未来,持续不断的为客户创造价值。昂科的AP8000通用烧录器平台及最新的IPS5000烧录自动化解决方案,为半导体和电子制造领域客户提供一站式解决方案,公司已服务包括华为比亚迪富士康等全球领先客户。

文章来源于:www.acroview.com

推荐器件

更多器件
器件型号 数量 器件厂商 器件描述 数据手册 ECAD模型 风险等级 参考价格 更多信息
ECS-.327-12.5-34R-TR 1 ECS International Inc Parallel - Fundamental Quartz Crystal, 0.032768MHz Nom, SMD, 2 PIN

ECAD模型

下载ECAD模型
$0.76 查看
XUL518100.000000X 1 Integrated Device Technology Inc LVDS Output Clock Oscillator
暂无数据 查看
AT25640B-SSHL-B 1 Atmel Corporation EEPROM, 8KX8, Serial, CMOS, PDSO8, 0.150 INCH, GREEN, PLASTIC, MS-012AA, SOIC-8

ECAD模型

下载ECAD模型
$0.9 查看

相关推荐