核心技术优势/方案详细规格/产品实体图/PCB/方块图Datasheet/测试报告/Gerber/Schematics/User manual +一键获取
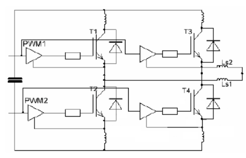
IGBT驱动器在并联的场合有2种配置方法(LS1,LS2为杂散参数): “一拖多”,即一个驱动器驱动2个或多个“硬并联”的IGBT.
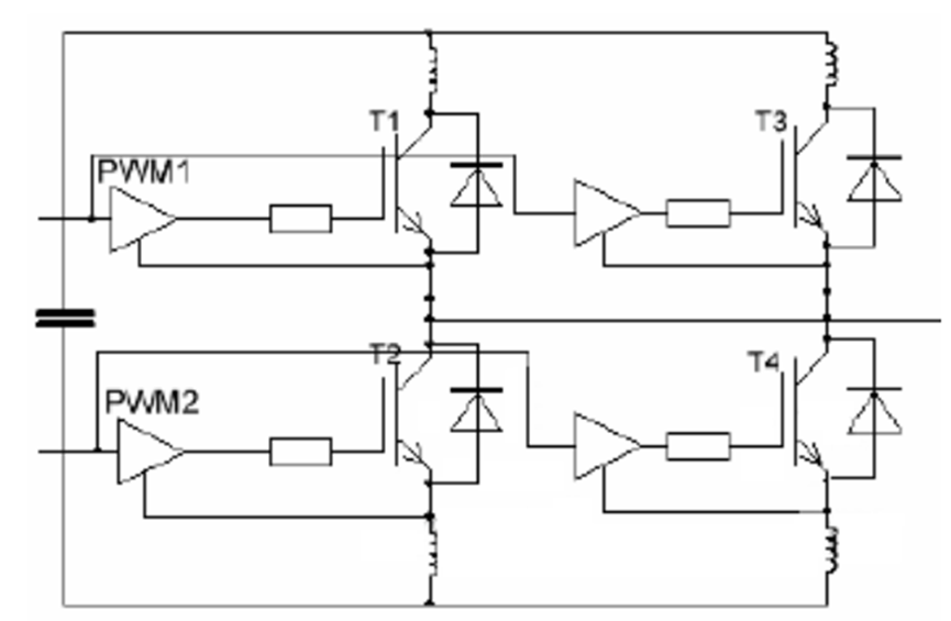
“一拖一”,即一个驱动器只驱动1个IGBT,IGBT再通过铜排直接相连,这叫“驱动器直接并联”.
下面将首先介绍“一拖多”,也就是IGBT硬并联的情况,这种情况比较常见。
IGBT硬并联的特点分析
优点: IGBT模块之间并联在一起,不需要均流电抗,比较紧凑和经济
缺点: 对直流母排对称性要求很高; 比较容易产生发射极环流; 功率电路与门极回路产生耦合。
IGBT硬并联时的技术风险点如下:
(1)发射极环流问题;
(2)门极回路与功率回路产生耦合(门极共模环流问题);
(3)直流母排杂散电感不对称产生的问题;
(4)交流排杂散电感数值过大所产生的问题;
(5)IGBT开通门槛电压VGEth,开通延迟的差异所产生的问题;
(6)门极回路杂散电感不对称所产生的问题;
(7)IGBT模块并联数增多的风险。
IGBT驱动器直接并联:
如下图所示,两个模块通过铜排直接连接在一起,这里没有把交流侧杂散电感表示出来。这是一种介于IGBT硬并联与IGBT桥臂并联的方法
它的特点是:
1. 每个IGBT有独立的驱动器;
2. IGBT的连接形式接近于硬并联,两桥臂交流输出端通过铜排直接相连;
3. 可能存在发射极环流,但不同的IGBT门极回路间不存在耦合,IGBT的开关行为很独立;
4. 对IGBT个体的一致性要求降低;
5. 对直流母排杂散电感对称性要求降低;
6. 对Vge信号的同步性要求非常高;
7. 对Vge驱动电源电压一致性要求非常高;
IGBT驱动器直接并联的优点:
1. IGBT驱动器直接并联使得桥臂的操作完全独立,不同的门极回路间不存在耦合,即便有发射极环流存在,也不会叠加扰动到Vge电压上,Vge的波形比较纯粹,不会受到驱动器信号以外的其他扰动;
2. 不介意交流输出端的杂散电感(Ls1,Ls2),且欢迎这些杂散电感,甚至是一定数值的均流电抗,因为Ls1,Ls2起的作用就是削弱或阻断桥臂间电流耦合,只需有百nH级别的感量,桥臂间流动的高频电流就会被极大地削弱;
3. 弱化了系统中各种轻微差异因素带来的问题,例如,直流母排杂散电感的对称性差异,VGEth的差异,tdon,tdoff的差异等。这些差异都很容易被忽略掉;
4. 并联设计风险大大降低;
IGBT驱动器直接并联的关键点:
1. 驱动器直接并联对IGBT进行硬并联,则交流输出杂散电感Ls1,Ls2数值会很小,这就要求驱动器的同步性要很高,即从驱动器接收到PWM信号到执行该信号之间的时间差必须足够小,且关键是误差要很窄,稳定性要高;
2. 两个并联的驱动器的电源电压要非常一致;
CONCEPT驱动器直接并联技术:
CONCEPT率先提出了驱动器直接并联技术。
1. SCALE-2芯片组使用磁隔离时,PWM信号传输延时为80ns±4ns,这样的精确延迟可以确保驱动器直接并联技术得以实现;
2. 副方芯片自身的稳压功能使驱动电压一致性得到保证;
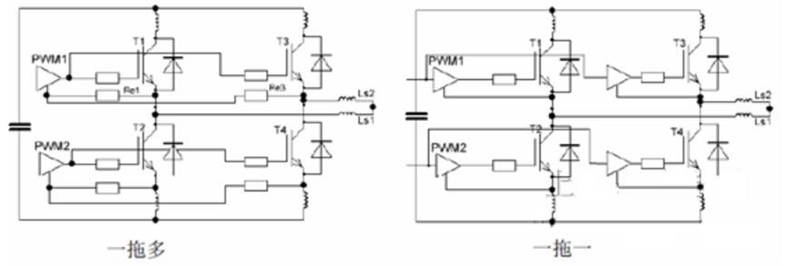
使用了直接并联技术的1SP0635,及1SP0335如下图:
CONCEPT的实现方法:
1.SCALE-2芯片组可以实现,原方PWM信号至Vge的精确延时;
2.副边15V开通电压与-10V关断电压完全相同;
IGBT均流的测试方法: 静态均流测试时,使用柔性电流探头,测桥臂输出电流,测量其电流有效值,考核两桥臂一致程度。柔性电流探头在测量I1和I2时,可能会见到下图的情况。上面的尖刺就是流过L1,L2的换流电流。要想办法消除。
2297
