扫码加入

  • 正文
  • 相关推荐
申请入驻 产业图谱

国产碳化硅MOS电压650V~1200V~1700V~2000V~3300V高至6500V介绍应用

2025/07/28
2064
加入交流群
扫码加入
获取工程师必备礼包
参与热点资讯讨论

碳化硅SiCMOSFET(金属氧化物半导体场效应晶体管)是一种基于宽禁带半导体材料SiC的功率器件,相比传统的硅(Si)基MOSFET和IGBT,具有显著的优势和独特特点,尤其在高压、高温和高频应用中表现突出。

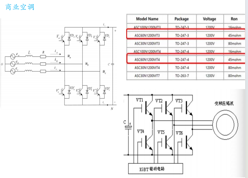
图片来源:深圳爱仕特

图片来源:深圳爱仕特

1. 高耐压与低导通电阻

  • 高击穿电场强度:SiC的击穿电场强度是硅的10倍左右,可在更高电压下工作(如1200V、1700V甚至更高),同时保持较薄的器件结构和较低的导通电阻(Rds(on))。

  • 低导通损耗:相同耐压下,SiC MOSFET的导通电阻比硅器件小得多,导通损耗更低,效率更高。

    2. 高温工作能力

    • 宽禁带特性:SiC的禁带宽度(3.26 eV)远大于硅(1.12 eV),使器件能在更高温度(200°C以上)下稳定工作,而硅器件通常限制在150°C以内。

    • 高温可靠性:SiC的热导率是硅的3倍,散热性能更好,降低了热管理难度。


    3. 高频开关性能

    • 快速开关速度:SiC MOSFET的开关速度比硅基IGBT快数倍,开关损耗显著降低(可减少50%以上),适合高频应用(如100 kHz以上)。

    • 寄生电容:器件结构优化减少了寄生电容,进一步提升了开关频率。


    4. 低损耗与高能效

    • 综合损耗低:导通损耗和开关损耗均优于硅器件,尤其在高压应用中(如电动汽车光伏逆变器),系统效率可提升5%-10%。

    • 反向恢复特性优:SiC MOSFET的体二极管(如续流二极管)反向恢复电荷(Qrr)极小,降低了开关过程中的能量损耗。


    5. 系统级优势

    • 简化散热设计:高温耐受性降低了对复杂冷却系统的需求,可减小散热器体积。

    • 减小体积与重量:高频特性允许使用更小的被动元件(如电感、电容),使系统更紧凑。

    • 高功率密度:适合对空间和效率要求苛刻的场景(如数据中心电源、航空航天)。


    6. 应用领域

图片来源:深圳爱仕特

图片来源:深圳爱仕特

总结

碳化硅MOSFET通过材料特性实现了高压、高温、高频和高效的综合优势,特别适合下一代高功率密度和节能应用。随着成本下降和工艺成熟,其市场渗透率正在快速提升,逐步替代传统硅基器件。

了解更多电力电子信息,请关注公众号

相关推荐