扫码加入

  • 方案介绍
  • 附件下载
  • 相关推荐
申请入驻 产业图谱

三芯协同,振动感知——中微爱芯电动车仪表整体解决方案

1小时前
178
加入交流群
扫码加入
获取工程师必备礼包
参与热点资讯讨论

AiP33626(中文).pdf

共3个文件

行业介绍

仪表是电动车的“智慧中枢”,实时收集车速、电量、刹车状态、故障提醒等关键信息。当你骑上电动车,仪表盘亮起的瞬间,一场由中微爱芯芯片矩阵驱动的智能交互已然开启。在简洁的屏幕背后,是MCULED驱动芯片、语音芯片与振动传感器的协同工作,共同打造更精准、更直观、更安全的骑行界面。

整体解决方案

依托“三芯协同+振动感知”架构,中微爱芯打造出集智能交互、安全守护与能效优化于一体的电动车仪表系统解决方案。该方案以MCU为核心统一调度LED显示、语音提示与振动感知。系统搭载多重预警机制,对车速、电量、刹车等关键数据实时监测,一旦发现异常,立即通过动态LED光效与语音进行提示。此外,全系列芯片支持低功耗模式,结合智能功耗管理策略,在保障系统性能的同时显著降低能耗,有效延长电动车的续航里程,让每一次骑行都更加持久安心。

电动车仪表方案

两款LED恒流驱动芯片:点亮清晰视界

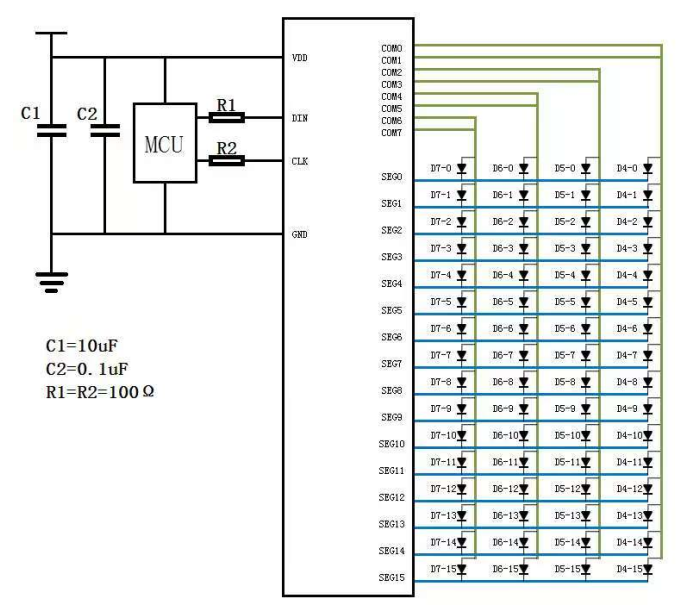
AiP33626是一款共阴极架构的恒流LED驱动芯片,单端最大驱动电流高达30mA,256级辉度可调。

产品特性:

  • 驱动点阵大小:最大支持8 GRID×16 SEG共阴极LED点阵
  • 指令集兼容传统恒压型LED产品,方便程序快速移植
  • 整体亮度调节:软件可调全局64阶的恒流控制
  • 单点亮度调节:每点支持256级PWM形式的亮度调节
  • 内置睡眠模式实现低功耗待机,待机电流<300uA
  • 内置消隐功能

典型应用图

AiP33628是一款共阳极架构的恒流LED驱动控制器,单端最大驱动电流40mA,具有16级可调恒流电流,广泛应用于电动车仪表等高要求显示场景。

产品特性:

  • 驱动点阵大小:最大支持8 GRID×16 SEG共阳极LED点阵,
  • 整体亮度调节:软件可调节全局恒流大小,提供16级可调恒定电流
  • 单点亮度调节:可通过PWM波,逐点调节点亮度
  • 内置消隐功能

典型应用图

在此种应用下,可以将COM0和COM1、COM2和COM3、COM4和COM5、COM6和COM7分别短接,使电路作为1/4占空比使用,提高显示亮度。

语音芯片AiP51080:“呐喊”你的需求

AiP51080是一款兼具低成本与高性能的语音芯片,该芯片采用PWM直接驱动输出,具备良好的声音效果,适用于各类语音提示应用场景。

产品特性:

  • 超低功耗:支持Normal和Sleep模式,睡眠电流低至1uA,续航无忧
  • 驱动能力强:3V输出下支持150mA电流
  • 灵活的音量控制:支持15级音量调节
  • 高精度PWM输出:具备512级分辨率,支持独立占空比控制
  • 优质音频处理:内置降噪算法,确保在复杂环境下语音依然清晰
  • 语音容量大:最多支持224段语音地址,语音总长80秒(基于6KHz采样率和26.25Kbps速度计算)
  • 通信简洁:采用单线通信控制,操作简便,占用IO资源少
  • 状态指示明确:支持BUSY状态输出,方便MCU实时判断语音芯片播报状态

应用框图

振动传感器AiPRS01:感知行驶状态,提升安全预警

AiPRS01是一款高灵敏度、低功耗的振动传感器,可实时检测车辆行驶中的异常振动与碰撞情况,适用于车辆防盗、路面异常提醒、摔倒检测等安全场景。

产品特性:

  • 高灵敏度,采用全方位振动检测机制,支持多级振动强度识别
  • 静态电流仅50nA,适合电池供电设备
  • 数字信号输出,接口简单,便于与MCU直接连接
  • 振动寿命> 200万次

方案实物

芯片资源

中微爱芯提供从简约到丰富的全系列MCU芯片,其中AiP8F0021适用于功能精简、成本敏感的设计;AiP8F3232、AiP8F3264则适用于功能丰富、扩展性要求高的高端仪表方案。具体参数如下表所示:

恒流驱动芯片AiP33628与AiP33626具体参数如下表所示

语音芯片AiP51080具体参数如下表所:

如需了解更多产品资讯,请联系我司授权代理商或销售工程师。

  • AiP33626(中文).pdf
    下载
    描述:AiP33626 规格书
  • AiP33628(中文).pdf
    下载
    描述:AiP33628 规格书
  • AiP51080语音芯片 产品说明书_A2.pdf
    下载
    描述:AiP51080语音芯片 产品说明书

相关推荐

方案定制

去合作
方案开发定制化,2000+方案商即时响应!

无锡中微爱芯电子有限公司成立于2004年,是一家以集成电路设计、测试、方案开发、销售和服务为主的高新技术企业,是工信部认定的集成电路设计企业,是国家鼓励的重点集成电路设计企业。公司总部位于无锡国家集成电路设计中心,在深圳、顺德、武汉设有分公司,在合肥、顺德设有研发中心。 中微爱芯拥有一支有着丰富专业知识和经验的团队,拥有完善的IC设计系统,具备CMOS、BCD、VDMOS等设计能力。产品已形成MCU、显示驱动(LED/LCD)、通用逻辑、信号链、马达&栅驱动、功率器件、电源、音响、遥控器、通信、配套等多个系列数千款产品,为汽车电子、工业控制、网络通信、新能源、消费电子等领域提供全面的芯片解决方案。 中微爱芯高度重视产品质量和知识产权建设, 先后通过了ISO 9001:2015质量管理体系、知识产权管理体系以及EHS环境与职业健康安全体系认证,赢得了广泛的市场认同和客户赞誉。此外,公司按AEC-Q100标准建立可靠性实验室并已完成CNAS实验室认可的一阶段审核,进一步提升测试验证能力和管理水平。 中微爱芯本着“合作、开放、责任、执行”的企业精神,秉承“专业、规范、服务、高效”的经营理念,坚持以客户为中心,积极面对未来,不断创新进取,以雄厚的技术实力,优良的服务品质,为客户提供自主可控的高质量、高可靠产品,致力于打造国内一流的集成电路设计企业,诚愿与各界朋友紧密合作,携手发展,共创美好未来。

微信公众号