扫码加入

  • 正文
  • 相关推荐
申请入驻 产业图谱

晶台KL3H4光耦:光与电的完美隔离

2025/09/04
319
加入交流群
扫码加入
获取工程师必备礼包
参与热点资讯讨论

在电子世界里,光耦作为连接不同电路的桥梁,发挥着至关重要的作用。今天,我们要为大家介绍的是苏州晶台光电有限公司的产品 ——KL3H4 光耦。

KL3H4 采用交流输入,内部集成了两个反向并联的红外发射二极管光电晶体管,拥有诸多令人瞩目的特性。它的电流转换比(CTR)范围 ≥20%(IF=±1mA, VCE=5V, Ta=25℃),能高效地实现信号转换。输入 - 输出隔离电压(VISO =3750 Vrms ),为电路提供可靠的隔离保护,有效防止高压电路对低压电路的干扰,确保设备稳定运行。集电极 - 发射极击穿电压 BVCEO≥80V,展现出强大的耐压能力。

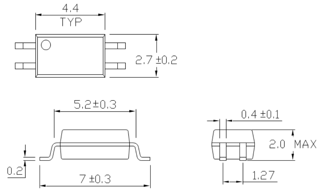
封装上看,KL3H4 采用紧凑的 SSOP4 封装,这种小巧的设计便于集成在各种电路板中,为工程师们的设计提供了极大的便利。而且,它还采用无卤设计,符合 ROHS、REACH 等环保标准,在环保要求日益严格的今天,无疑是一大优势。不仅如此,它还通过了 UL、VDE、CQC 等安规认证,品质有保障。

在应用领域,KL3H4 更是大显身手。它可用于交流线路监视器,实时监测线路状态,保障电路安全。在可编程控制器中,帮助实现精准控制。同时,还能作为未知极性直流传感器,在不同的电路场景中发挥作用。比如在高速吹风筒里,KL3H4 光耦通过实现过零检测,精准控制可控硅开关时机,减少大电流应力对元件的损害,延长发热丝和电机的使用寿命,还能降低电磁干扰,确保系统稳定运行。

▲KL3H4在高速吹风筒里的应用示意图

晶台 KL3H4 光耦,凭借其出色的性能、环保的设计以及广泛的应用领域,成为电子领域中一颗耀眼的新星,为众多电子设备的稳定运行提供了坚实保障。

相关推荐

登录即可解锁
  • 海量技术文章
  • 设计资源下载
  • 产业链客户资源
  • 写文章/发需求
立即登录