扫码加入

  • 正文
  • 相关推荐
申请入驻 产业图谱

MCP73811替代芯片AH7381:24V高耐压0.5A线性单节锂电池充电管理芯片

01/03 08:39
808
加入交流群
扫码加入
获取工程师必备礼包
参与热点资讯讨论

AH7381是一款高性价比线性锂电池充电管理芯片,可作为MCP73811的优选替代方案,适用于移动多媒体设备、MP3、MP4及各类带USB输入的便携式设备,核心充电功能与应用场景高度适配MCP73811的使用需求。芯片采用SOT23-5封装,与MCP73811封装形式一致,便于快速替换布局,工作结温-40℃~125℃,所有端口具备±2000V(HBM)ESD防护,可靠性不逊于原方案。

核心性能对标MCP73811且优势升级:输入电压范围4.5~24V,可承受28V浪涌电压,远超MCP73811的输入耐压上限,适配更多高压供电场景;最大充电电流500mA,支持通过外部PROG引脚电阻灵活设定,调节逻辑简单,与MCP73811的电流设定方式兼容,无需大幅调整外围参数。默认浮充电压4.2V(精度±1%),还可定制4.25V/4.3V/4.35V版本,适配MCP73811支持的各类单节锂电池规格。

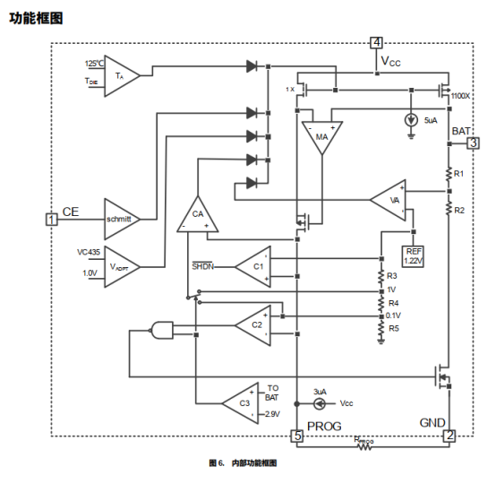
充电流程与MCP73811保持一致,支持短路(SC)、涓流(TC)、恒流(CC)、恒压(CV)四阶段完整充电:电池电压低于0.6V时短路唤醒,0.6~2.9V时涓流预充,高于2.9V后恒流快充,充电电流降至设定值的1/10时自动停止,电池电压跌落至95.7%浮充电压以下重新启动充电,保障电池安全充满。具备完善保护机制,包含输入过压保护(典型6.25V)、输入欠压锁定、150℃热保护、充电电流热调节、恒流软启动及电池防倒灌功能(漏电<1uA),保护维度覆盖MCP73811的核心防护需求。

一、AH7381的特性

最大输入24V电压,可承受高达28V的浪涌电压

恒流下最大充电电流可达500mA,支持外部电阻实时配置充电电流

兼容5VUSB功率源和AC适配器,并提供热插拔保护

支持4.2V/4.25V/4.3V/4.35V锂电池类型(4.25V/4.3V/4.35V需定制)

预设4.2V士1%充电浮充电压

根据电池温度和输入电压智能调节充电电流

具有电池防倒灌功能,电池端漏电1uA以下

完善的保护:输入过压,输入欠压,充电电流热调

节,芯片热保护,恒流充电软启动

结温范围为-40°C至+125°C

所有端口都具备士2000V(HBM)ESD保护

二、AH7381的应用信息

1、典型应用图

2、引脚排列及定义

3、功能框图

4、基础参数

相关推荐