扫码加入

  • 正文
  • 相关推荐
申请入驻 产业图谱

CS5715:2.7V~26V宽输入,单节锂电池适用,36V输出,软启动时间可调,异步升压DCDC

01/14 08:29
533
加入交流群
扫码加入
获取工程师必备礼包
参与热点资讯讨论

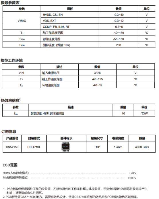
CS5715E是一款适用于单节锂电池的宽输入异步升压DC-DC控制器输入电压范围2.7~26V,最大输出电压36V,适用于手持及便携设备、LCD显示器充电器移动电源等场景。采用ESOP10L封装(底部带散热片,4000颗/卷),工作结温-40℃~125℃,环境温度-40℃~85℃,热阻40℃/W,ESD防护达±2KV(HBM),可靠性优异。

核心亮点是省去电感电流检测电阻,直接采样外部NMOS漏极电流,通过ILIM引脚电阻编程设定峰值电流,简化外围设计并减少发热。采用电流模式PWM工作,轻载时自动切换至跳周模式(PSM)提升效率,误差放大器内置1.2V基准电压(精度±1%)。开关频率可通过RT引脚外部电阻在100KHz~1MHz范围内调节,RT电阻取值19.2KΩ~192KΩ,浮空时默认180KHz;输出电压通过FB引脚分压电阻设定,适配不同输出需求。

具备可调软启动功能,通过ILIM引脚外接电容可延长软启动时间,有效降低启动电流尖峰与输出电压过冲,软启动时间随电容增大而延长、随ILIM电阻增大而缩短。保护机制完善,包含输入欠压保护(2.6V阈值,0.1V滞回)、开关管过流保护(OCP)、150℃过温保护(30℃滞回),关断电流低至3.5μA,静态工作电流700μA,功耗控制优异。

使能引脚(EN)高电平(≥1.22V)开启、低电平(≤1.18V)关断,可直接连接输入电压实现自启动。外围需搭配外部NMOS、3.3μH~47μH功率电感饱和电流需留足余量)、低ESR的X5R/X7R陶瓷电容及快恢复肖特基二极管,输入输出电容需贴近芯片管脚以抑制噪声,大电流路径需优化布线,保障散热与稳定性。

一、CS5715的特性

36V最大输出电压

2.7V~26V输入电压范围

100KHz至1MHz的可调频率

外部可调软启动时间

+1%反馈基准电压

3.5μA关断电源电流

开关管过流保护OCP

输入欠压保护UVP

过温保护OTP

二、CS5715的应用信息

1、典型应用图

2、引脚排列及定义

3、功能框图

4、基础参数

相关推荐