扫码加入

  • 正文
  • 相关推荐
申请入驻 产业图谱

中微爱芯触摸芯片EMI提升指南

02/09 14:11
672
加入交流群
扫码加入
获取工程师必备礼包
参与热点资讯讨论

为助力客户提升对触摸相关方案的开发效率,优化用户的体验感。中微爱芯基于丰富的项目经验,针对触摸芯片EMI无法通过的情况提供了几种常用的解决方法,显著提升开发效率与终端用户体验。

1.关闭未使用的外设时钟(推荐)

AiP8F35XX芯片默认开启所有外设时钟,用户可通过关闭未使用的外设时钟来降低EMI辐射。

如:关闭WT时钟。

SystemKeyCode

SYSCR1 &= ~0X02;   //关闭WT时钟

KeyCodeOff

2.增大触摸盘与芯片引脚的串联电阻

3.降低系统时钟(推荐)

AiP8F35XX系列可以增大电阻阻值,可提高抗电磁干扰效果,理论上该阻值不超过10K

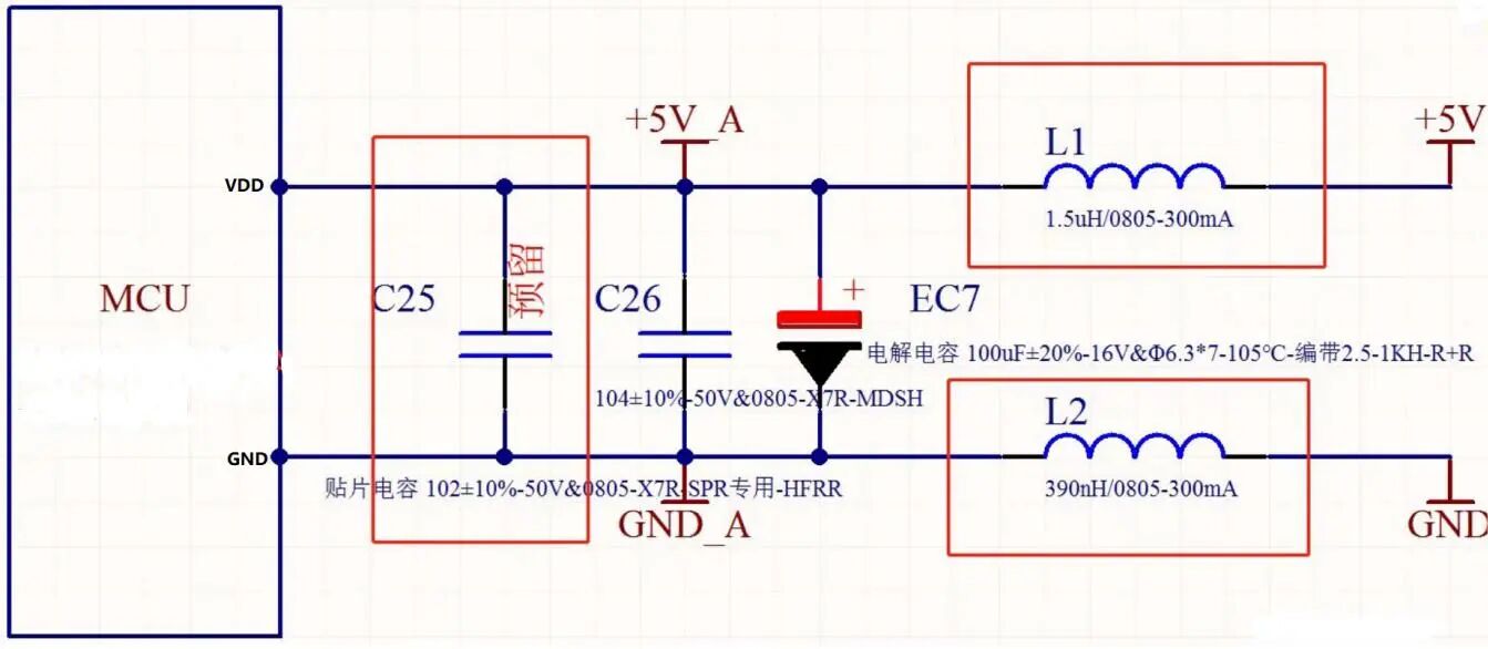
4.芯片VDD和GND之间接滤波电感及预留高频滤波电容(推荐)

5.AC电源端口加上共模线圈

推荐20mH共模线圈可有效抑制20M以上的电磁辐射。该方法效果好,但是成本高。

6.芯片VCC端口加电容

在芯片的电源端口加100uf电解电容和100nf滤波电容,同时预留1nF滤高频电容,这些电容尽量靠近芯片电源引脚,其中电解电容建议采用高频低阻材质。

7.长线端口处理(推荐)

芯片引脚需连接长线与外部通信,如UARTI2C等,则建议在该长线的MCU引脚端口附近接101电容,可有效降低长线引起的天线效应。毛刺的频率和端口电容可参考如下:

电容的谐振频率

8.地线处理

芯片回路太长

芯片地回路短

双面板地多加过孔

9.铺地操作

尖端脉冲是由于高频通信线引起的,则在高频通信线附近铺GND操作,可有效的抑制高频通信导致导致的电磁辐射。

I2C高频走线周围被GND包裹

相关推荐

登录即可解锁
  • 海量技术文章
  • 设计资源下载
  • 产业链客户资源
  • 写文章/发需求
立即登录

无锡中微爱芯电子有限公司成立于2004年,是一家以集成电路设计、测试、方案开发、销售和服务为主的高新技术企业,是工信部认定的集成电路设计企业,是国家鼓励的重点集成电路设计企业。公司总部位于无锡国家集成电路设计中心,在深圳、顺德、武汉设有分公司,在合肥、顺德设有研发中心。 中微爱芯拥有一支有着丰富专业知识和经验的团队,拥有完善的IC设计系统,具备CMOS、BCD、VDMOS等设计能力。产品已形成MCU、显示驱动(LED/LCD)、通用逻辑、信号链、马达&栅驱动、功率器件、电源、音响、遥控器、通信、配套等多个系列数千款产品,为汽车电子、工业控制、网络通信、新能源、消费电子等领域提供全面的芯片解决方案。 中微爱芯高度重视产品质量和知识产权建设, 先后通过了ISO 9001:2015质量管理体系、知识产权管理体系以及EHS环境与职业健康安全体系认证,赢得了广泛的市场认同和客户赞誉。此外,公司按AEC-Q100标准建立可靠性实验室并已完成CNAS实验室认可的一阶段审核,进一步提升测试验证能力和管理水平。 中微爱芯本着“合作、开放、责任、执行”的企业精神,秉承“专业、规范、服务、高效”的经营理念,坚持以客户为中心,积极面对未来,不断创新进取,以雄厚的技术实力,优良的服务品质,为客户提供自主可控的高质量、高可靠产品,致力于打造国内一流的集成电路设计企业,诚愿与各界朋友紧密合作,携手发展,共创美好未来。

微信公众号