扫码加入

  • 正文
  • 相关推荐
申请入驻 产业图谱

矽力杰 Silergy SY8308 4-40V 输入 8A 输出高效同步降压稳压器 佰祥电子

04/01 11:00
184
加入交流群
扫码加入
获取工程师必备礼包
参与热点资讯讨论

40V宽压与8A强悍动力的极致压缩:SY8308同步降压架构与瞬态响应全景拆解

导语:

在高端液晶电视(LCD-TV)、大功率网络存储(NAS)以及企业级路由器等设备的主板设计中,核心处理单元与外设接口正面临着日益严峻的供电挑战。系统往往需要直接从12V、24V甚至高达36V的宽压母线取电,同时还要为后级核心提供动辄七八安培的持续大电流。在这种“大压差、大电流”的极端工况下,传统的降压模块如果内阻过高,极易引发严重的热失控;而如果采用多相交错架构,又会挤占宝贵的PCB面积并大幅推高BOM成本。

面对这种对功率密度与热力学设计提出极高要求的供电场景,作为深耕电源管理领域的专业团队与矽力杰官方授权代理商,佰祥电子FAE团队为您带来了一个极具破坏力的单芯片破局思路。本期我们将深度拆解矽力杰 SY8308 工业级大电流同步降压稳压器,看看它是如何在一颗极微缩的芯片内,完美平衡40V高耐压、8A大电流与极速瞬态响应的。

挑战热力学极限:

QFN3.5x3.5里的8A峰值引擎 将高达8A的连续巨量电流强行塞进一颗极小的贴片芯片中,硬件工程师面临的最致命瓶颈就是导通损耗(Conduction Loss)。如果开关管内阻不够低,满载运行时产生的巨大热量会瞬间触发芯片的过温保护机制,导致整机宕机。

SY8308交出了一份极其硬核的热力学答卷。它在仅有 3.5mm x 3.5mm 的 QFN 极微缩封装内,直接集成了经过深度工艺优化的上下侧 N 沟道功率 MOSFET。其导通电阻(RDS(ON))被疯狂压榨到了惊人的 25mΩ(高侧)和 12mΩ(低侧)。极其强悍的超低内阻表现,使其在面对 4V 到 40V 的超宽输入电压跳变时,不仅能轻松维持 8A 的连续高强度输出,更彻底消除了重载下的热瓶颈。封装底部的大面积裸露散热焊盘,更是为高压差转换提供了直接连通地平面的极佳热传导通道。

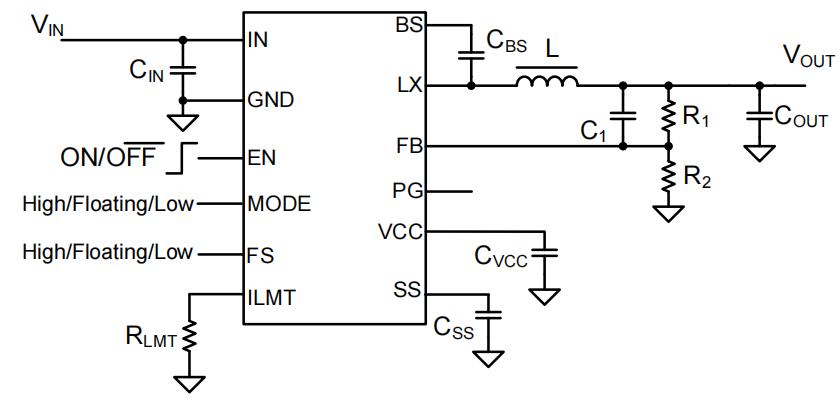
图一:化繁为简,支持8A级大电流输出的宽压同步降压实战原理图

图二:极限微缩,高功率密度下的 QFN-20 引脚布局与底部散热设计

Instant PWM架构:

重塑大电流阶跃的极速响应 在高端机顶盒或网络存储设备中,当主控SoC算力全开或机械硬盘瞬间启动时,极易产生几安培甚至更大的负载电流阶跃(Load Step)。传统的电压型误差放大器受限于环路带宽,往往会导致输出电压出现严重的深谷跌落。

SY8308在环路控制上做出了极其硬核的革新,它采用了矽力杰引以为傲的 Instant PWM(瞬态PWM)控制架构。这种架构打破了传统补偿网络的延迟瓶颈,在负载发生剧烈跳变时,能够以近乎零延迟的速度直接干预占空比,瞬间平滑输出电压。更为出色的是,它配备了高达 0.6V ±1% 的高精度参考电压源,确保无论外界工况如何恶劣,后级敏感核心吃到的电压始终分毫不差。

图三:揭秘底层逻辑,高度融合的 Instant PWM 控制环路

图四:极速响应,8A 大负载瞬态跳变下的输出电压实测波形

双模切换与灵活的频率定义 在大功率开关电源设计中,频率的选择永远是效率与电感体积博弈的绝对关键。死板的固定频率和单一的运行模式,往往会让工程师在应对复杂的系统待机功耗要求时捉襟见肘。

SY8308 将控制权交还给了硬件工程师。它不仅支持通过外部引脚灵活选择 350kHz 或 500kHz 的开关频率,方便系统避开特定的敏感射频频段,更引入了 PFM/PWM 可选的轻载运行模式。在设备满载爆发时,芯片运行在强制的 PWM 模式以保障极速响应和低纹波;当系统进入休眠或轻载状态时,工程师可配置其进入 PFM 模式,通过降低开关频率大幅削减开关损耗,使得整机在微小负载下依然能保持极高的转换效率。

图五:多频段与双模式切换下的全负载域高能效转换实测

底层全景防御:

可编程限流与精准软启动 电源是整个系统逻辑的最后一道防线。在高达三四十伏的母线上硬开机,瞬间产生的巨大充电浪涌电流(Inrush Current)足以击穿输出电容。SY8308 提供了可编程的软启动(Programmable Soft-start)功能,工程师可通过外接电容精准控制电压爬升斜率,彻底消除电气冲击。

此外,针对极端短路工况,芯片不仅支持智能的打嗝模式(Hic-cup Mode)短路保护,更硬核地加入了可编程的谷值电流限制(Programmable Valley Current Limit)功能。这使得工程师可以根据实际选用的电感饱和电流特性,量身定制过流保护阈值,防止电感发生致命的磁饱和,极大提升了整套系统的抗毁伤能力。

图六:精准可靠的内部软启动平滑爬升与短路打嗝保护动作

选型总结:

SY8308 以其极其罕见的“40V超宽压+8A强悍动力+Instant PWM极速响应”底层技术组合拳,在 3.5x3.5mm 的微缩尺寸内,成功化解了现代高性能设备面临的大压差、大电流与空间受限三重供电矛盾。

高压大电流开关电源的稳定落地,绝非简单的连线敷铜。在众多8A级别以上电源项目的实际交付中,佰祥电子技术团队深刻体会到,从底层大电流回路的覆铜宽度计算、输入电容的高频解耦位置,到后期环路交叉频率的细致调试与热仿真,每一个底层细节都关乎着整机系统的生死存亡。未来,我们将持续为您带来更多硬核的芯片拆解与前沿的选型参考,并依托丰富的实战经验,与广大硬件工程师并肩攻克复杂的极限算力供电难题。

相关推荐