前言
该系统由硬件端和APP端组成,硬件端以STM32F103C8T6微控制器为核心,通过WiFi模块连接云平台并采用MQTT协议进行远程数据传输。系统配备0.96寸OLED显示屏实时显示环境数据,光敏电阻检测光照强度实现自动窗帘控制,红外检测模块感知人员存在,红外遥控模块支持模式切换和窗帘操控。定时模块提供定时开关功能,雨滴传感器实现雨天自动控制,蜂鸣器提供异常报警,舵机直接控制窗帘开合。用户可通过按键1/2快速开关窗帘,或参照视频使用红外遥控功能。APP端支持MQTT协议交互,可实时监测数据、设置光照阈值、切换控制模式、定时设置及远程手动控制窗帘状态,实现智能化家居管理。
关注微信公众号--星之援工作室 发送关键字(项目清单)
可获取项目清单资料
➡️➡️
⚠️⚠️(本文章仅提供思路和实现方法,并不包含代码,需要代码的同学请自行联系博主)
⚠️⚠️(有疑问或需要定制或者技术支持等,也请自行联系博主)⚠️⚠️
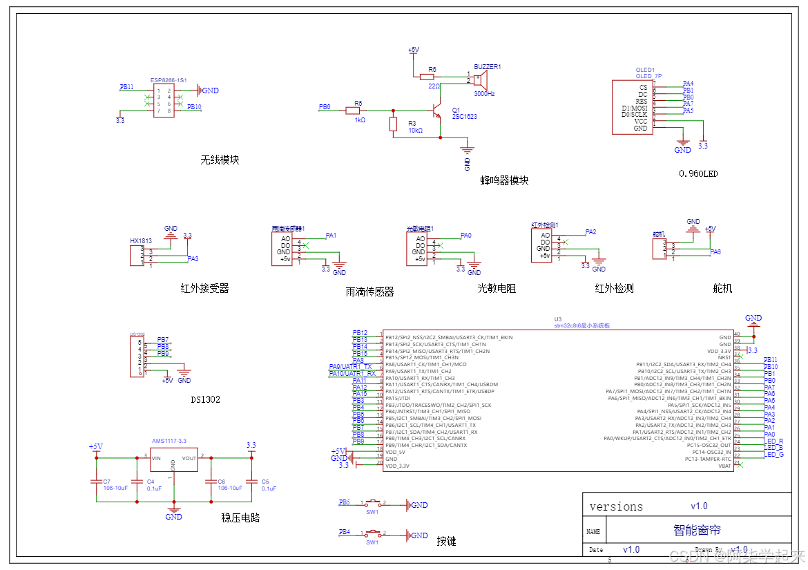
一 连线图
1. 原理图
2. 开发板本身自带一个LED ,这个LED作为我们查看网络连接状态和获取数据状态的说明
(1)OLED显示屏中会显示联网状态,若MCU上面的的LED处于闪烁状态,则说明我们的设备处于正常运行,若LED灯不再闪烁,请按复位键将程序手动复位一次
(2)硬件每隔5秒会向APP传输一次数据。
热点名字:NET密码:12345678,请使用2.4GHZ频率的无线网。
2. PCB效果
3. 实物效果
4 APP效果
5 功能概括
(1)硬件端
- STM32F103C8T6:用于所有程序的中控和模块数据通信;
- 0.96寸OLED:用于显示的各种环境数据,实现实时监测;
- WIFI:使用WIFI 模块,用与设备联网处理,实现连接云平台和使用MQTT协议远程传输数据
- 光敏电阻:用于检测光照强度,自动模式下可用设置光照阈值,实现窗帘自动开启;
- 红外检测模块:检测窗帘旁边是否有人
- 红外遥控模块:可用于模式的切换,可以实现窗帘的控制
- 定时模块:定时模式下,实现定时开启和关闭
- 雨滴传感器:用于监测是否有雨滴,雨滴模式下自动控制
- 蜂鸣器:异常状态报警
- 舵机:模块窗帘的开启和关闭
按键1可以开启窗帘 按键2可以关闭窗帘
遥控方式看视频使用
(2)APP端
- 使用MQTT协议与设备进行信息交互;
- 可采集到底层设备数据并且展示到界面UI中
- 可以设置光照阈值,实现光照模式的自动控制
- 可以切换选择切换的模式
- 可以设置窗帘的定时开启和关闭时间,实现定时模式
- 手动模式下,可以远程进行窗帘的开启和关闭
(3)云平台使用
使用MQTT协议进行数据交互,可查看设备在线情况;
(4)演示视频
通过网盘分享的文件:26.1.智能窗帘-V4.0.mp4
链接: https://pan.baidu.com/s/1jUnfYiGQ3OXKlj3ADNNlFQ?pwd=XZY0 提取码: XZY0
--来自百度网盘超级会员v6的分享
二 底层代码使用方式
1. 使用说明
(1). 使用的时候设备会自动连接WIFI
热点名字:NET密码:12345678,请使用2.4GHZ频率的无线网。
(2). 当设备处于正常状态的时候,开发板上面的LED会处于闪烁的状态。
(3).按键可按照视频演示进行使用。
(多看视频,视频中有完整功能演示)
(多看视频,视频中有完整功能演示)
(多看视频,视频中有完整功能演示)
2. 下载程序
- 先根据原理图进行连线,连接好以后在做后面的操作
- 打开手机热点 热点名字:NET密码:12345678
- 打开程序(硬件由工作室出的可以忽略下载程序这部分)
- 打开程序(硬件由工作室出的可以忽略下载程序这部分)
三 APP使用方式
1 下载APP
(1)操作方式:
使用Android手机安装APK进行操控
安装Android studio导入项目使用模拟器
Android studio下载链接
官网下载最新版本
https://developer.android.google.cn/studio?hl=zh-cn
安装包(工作室使用版本)链接:
https://pan.baidu.com/s/1DnRGWeJt7XBTmzqHj1KRSQ?pwd=xzy0
提取码:xzy0
安装教程
https://zhuanlan.zhihu.com/p/528196912
(2)使用说明
打开APP后设备会自动订阅MQTT主题,等待1-5秒APP会自动获取到设备上的数据,若5秒内没有获取到设备数据,则请检测设备是否在线,若在线,则请重新打开APP进行数据的获取
(多看视频,视频中有完整功能演示)
(多看视频,视频中有完整功能演示)
(多看视频,视频中有完整功能演示)
四 程序架构及修改(通用)
链接:
https://pan.baidu.com/s/1TZkvdEOp-ERgi-2A1o-KWw?pwd=XZY0
提取码:XZY0
APP参数修改
联系方式 微信号:13648103287
1560
