扫码加入

  • 方案介绍
  • 相关推荐
申请入驻 产业图谱

基于单片机的汽车实验台电路控制系统设计

02/10 17:17
318
加入交流群
扫码加入
获取工程师必备礼包
参与热点资讯讨论
文末下载完整资料

随着我国汽车产业的迅猛发展,汽车的拥有量急剧增加,最新统计显示我国汽车保有量已超过5300万辆,汽车进入家庭也已成为一种时尚。21世纪对汽车市场人才的需求将越来越大,特别是对掌握汽车新技术的应用维修人才的需要更为迫切,教育部、劳动和社会保障部等六部委联合公布的《紧缺人才报告》显示,目前国内汽车维修人才的需求量至少存在80万的缺口,汽车维修技术人员已成为我国四大紧缺的应用型人才之一。汽车维修技术人员的培养特别强调实践动手能力,而这就必须依靠充足的实践教学设备的支持,但是现有汽车电控类教学设施发展相对滞后,功能单一,更不具备多媒体功能,已无法满足现代汽车人才培养的要求,为解决这种矛盾,急需增加一批技术含量高,与生产结合紧密的新技术设备。我校作为职业院校的领头羊,在汽车维修专业的建设上同样处于领先地位,利用我系的教学资源,开发研制的汽车类教学设备更具有代表性、更能体现出汽车的先进技术、更能贴近的实际使用需求。

在这里插入图片描述

3 数模转换芯片TLC5618
3.1 TLC5618功能特性
TLC561*系列转换器是美国 Texas Instrument公司生产的串行可编程D/A转换器,包括TLC5615、TLC5617和 TLC5618三种。TLC5615为10位单路D/A转换器,TLC5617为10位双路D/A转换器,TLC5618为12位双路D/A转换器。它们均采用3线串行方式输入,输出带有缓冲放大器,直接输出所转换的电压,采用8脚封装,单一5V电源工作,此外,还有可编程的建立时间和软件断电、内部上电复位功能。高精度双通道D/A转 换器TLC5618和微处理器之间采用串行接口,其接口电路外围电路简单,占用口线少,加之它具有较高的性能价格比,因此,在微型控制器智能仪表、控制面板和家用电器等领域中日益获得广泛的应用。

在这里插入图片描述

DIN(1脚)为串行数据输入端SCLK(2脚)为串行时钟输入端;CS(3脚)为芯片选择端,低电平有效,当CS为低电平时,允许SCLK将DIN数据输入内部移位寄存器,而CS的上升沿把数据送到 DAC寄存器,CS为高电平时,SCLK禁止,为低电平;OUTA(4脚)为DACA模拟输出端,其输出电压极性与基准输入相同,其满度输出为基准电压输出的两倍,且小于(电源电压-0.4V)。AGND(5脚)为模拟地;REFIN(6脚)为基准电压输入端,其内部为一高阻(10MQ)的输入缓冲器,REFIN的输入电压范围为1~ Vdd-1.1V,典型值为2.048V;OUTB(7脚)为DACB模拟输出,同OUTA;Vdd(S脚)为电源电压端,典型值为5V,工作电流为0.6~2.5mA,掉电方式时为1A。上电时,内部电路将DAC寄存器的值复位到0。另外,为提高精度,在Vdd与AGND之间应接0.1uF的滤波电容
3.2 TLC5618芯片结构
LC5618的功能方框图如图3-2所示,TCL5618主要由16位串行接收寄存器、12位DAC锁存器A、锁存器B、权电阻网络A、网络B、输出缓冲放大器、基准源输入缓冲器、双缓冲锁存器、上电复位电路及控制逻辑电路等部分组成。16位串行接收寄存器中接收的数据包括12位数据位和4位编程位。12位数据位将根据编 程命令的不同而被写入锁存器B或双缓冲锁存器,而4位可编程位则用以实现包括上述功能在内的各种控制功能,数据的传送顺序及时序关系如图3-3所示,而可编程位的功能如表3-1所示。

在这里插入图片描述

 

5 继电器驱动芯片ULN2084
5.1 功能特性
ULN2084驱动芯片内部有八路驱动电路,每路都自带一个续流二极管,它可以有效地解决因为电感线圈而产生的反向电动势,有效地避免了反向电势对电路的影响,这款芯片采用+12V电压驱动,初级采用数字信号控制,使用起来不仅方便而且电路稳定系数高。本系统采用串转并芯片74HC595对UIN2084进行驱动,通过单片机发送相应的数据,其后面的继电器就会有相应的动作。
5.2 ULN2084的内部结构图

在这里插入图片描述

6 单片机串口电路
6.1 串口通信简介
RS-232已经成为PC机与通信工业中应用最广泛的串行通信接口之一,尽管近年来随着USB技术的成熟与发展,RS-232串口的地位将逐步被USB接口协议取代,但是在工业控制嵌入式系统中,RS-232串口通信以其低廉的实现价格,较长的通信距离,优异的抗干扰能力,仍然占有十分大的应用比例。
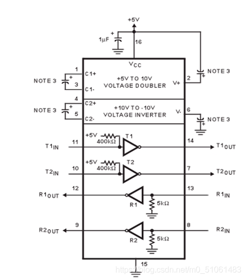
RS-232是一种在低速率串行通信中增加通信距离的单端标准,其采用了不平衡的传输方式,典型的RS-232信号在正负电平之间摆动,数据传输时,发送端驱动器的输出正电平范围在+5~+15V之间,负电平范围在-5~-15V之间,与TTL电平相对应时,逻辑1对应RS-232通信的负电平,逻辑0对应RS-232通信的正电平。MAX232采用单5V供电,内部有两个电荷泵,通过充电电容的作用将+5V电压转换为+10V的电压,第一个电荷泵利用充电电容C1将+5V电压加倍提升到+10V,第二个电荷泵利用充电电容C2和C4将+10V电压变换为-10V的电压,为RS-232通信提供工作电平。

在这里插入图片描述

6.2 MAX232电路连接图
MAX232产品是由美国Maxim公司推出的一款兼容RS-232标准的芯片,该器件包含两个驱动器、两个接收器和一个电压发生器电路提供TIA/EIA-232-F电平,该器件符合TIA/EIA-232-F标准,每一个接收器将TIA/EIA-232-F电平转换成5-V TTL/CMOS电平,每一个发送器将TTL/CMOS电平转换成TIA/EIA-232-F电平,有从贴片到直插等不同的封装类型供选择。MAX232采用单5V供电,内部有两个电荷泵,通过充电电容的作用将+5V电压转换为+10V的电压,第一个电荷泵利用充电电容C1将+5V电压加倍提升到+10V,第二个电荷泵利用充电电容C2和C4将+10V电压变换为-10V的电压,为RS-232通信提供工作电平。对于MAX232来说,推荐采用1.0uF的充电电容

在这里插入图片描述

8 电路分析
8.1 驱动电路分析
由于该系统设置的故障点比较多,单片机仅有32个I/O口,因此经过长时间的方案论证和比较决定使用串行转并行的数据芯片,而且该芯片自带数据寄存器,其状态只有在下一个数据到来之后才会改变,这样也加强了系统的稳定性,其次为了观察方便我们还在每个小单元电路中加入了指示发光二极管,实时显示电路的状态。

在这里插入图片描述

 

 

全套资料免费下载:
关注v-x-公-众-号:【嵌入式基地
后-台-回-复:【毕业设计】 即可获资料
回复【编程】即可获取
包括有:C、C++、C#、JAVA、Python、JavaScript、PHP、数据库、微信小程序、人工智能、嵌入式、Linux、Unix、QT、物联网、算法导论、大数据等资料

在这里插入图片描述

相关推荐