扫码加入

  • 方案介绍
  • 相关推荐
申请入驻 产业图谱

基于单片机的牧场智能挤奶与综合信息管理系统设计

02/10 17:13
2313
加入交流群
扫码加入
获取工程师必备礼包
参与热点资讯讨论
文末下载完整资料智能化检测系统在各个领域的生产过程中都起到了至关重要的作用。它所涉及的主要学科包括,传感技术、自动控制技术、计算机技术等,而近年来,信号分析处理、数据通信技术、抗干扰技术等先进的技术也被应用到其中,以提高智能检测控制系统的可靠性和实用性。一个典型的智能化检测、控制系统的基本组成如图所示:

在这里插入图片描述

(1)、检测传感器
检测传感器是用来把被测对象的各种被测参量转换成电信号的装置。我们可以把它形象地比喻成整个系统的感觉器官。传感器可以检测的信号有模拟量、数字量和开关量三种形式,这些信号由传感器转换成为电信号之后,还必须经过放大、滤波、调制等相应的信号处理电路才能够与后面的电路相适配。
(2)、计算机
计算机部分完成的主要任务是对检测信号进行读取、计算和分析,并通过计算结果输出相应的控制信号,各端口的启动以及计算的过程都是在程序的控制下自动进行的。我们可以把它比作系统的大脑。现在,单片机已经作为最常用的计算机电路,被广泛地应用在各种集成化的系统中。
另外,计算机电路还可以连接显示器、键盘、绘图机、等外围设备,使整个系统更加人性化。
(3)、执行器
用于按照计算机输出控制信号完成相应的执行动作。
(4)、AD和DA转换电路
AD转换是为了把非数字信号转换成能被计算机识别的数字信号。
DA转换是为了把计算机输出的数字控制信号与执行器相适配的信号。
智能检测与控制技术的广泛应用确实为各领域的生产带来了跨越式的发展,它不仅合理地利用了现有资源,节省了大量劳动力,还提高了生产效率并提供了极高的可靠性保障。在农业,养殖业和乡镇小型制造业的生产过程中,这一技术的使用还较少。由于缺少经验,要把该技术合理地运用到农业、养殖业和制造业的生产中,将面临着许多的困难。课题中所讨论的盐水电导自动检测系统就存在着一些问题,系统要求能够适应生产环境,适应采集合格盐度的整个生产流程,能应付一些不确定因素带来的干扰(例如通电时容易使盐水电解,不但影响食盐质量还对测量造成干扰)。这些问题在研究系统解决方案的过程中必须对这些问题加以考虑。
论文的内容中引用了很多参考文献中给出的原理作为论述的依据。为对此课题的研究提供了丰富而强大的理论基础。另外,论文还把实际操作过程作为发现问题和验证各种理论的一平台;把实验作为研究的辅助手段,按照实验数据讨论相应的解决方法,并依靠创新的思维方法,合理的将各个有力的论据进行整合,还提出了一些创新的观点,从而得出了最终的研究结论。

4 方案验证
在明确了设计的目的和要求之后,选择一个好的设计方案,就成了实现设计要的关键。一个好的设计方案要求有很高的可行性,并尽量便于操作。在任何系统设计的过程中都应该有多个备选方案,选择方案的过程中要对这些备选方案进行逐个分析,对每个方案的各方面因素(包括电路结构复杂程度、电路调试的难度、性价比、功耗等因素)进行比较,还要尽量利用现有的仪器仪表按照方案中的方法进行试验,观察试验中出现的各种问题和实验数据的规律,在进行综合考虑之后,得出一个可行的方案。
4.1方案一:直流分压法
4.1.1原理
直流分压法的电路示意图如下:

在这里插入图片描述

直流分压法就是把被测的对象当作一个分压电阻 ,并把一个固定的直流电压 加在分压电阻 和一个已知阻值的电阻 上,使这两部分电阻上分别获得一定的压降,然后测量A点的电压值 ,并对这个电压值信号进行AD转换,将转换之后的信号输入单片机电路进行分析和计算。通过公式 可得出 。
4.1.2试验过程及现象
把两个金属电极插在容器适当的位置,电极间的距离不宜过近,在容器中注入盐水。用一台稳压电源作为提供直流电压的装置。另外还需要一台电压表(测量精度要求在毫伏极)、一支100 的可变电阻
按照电路图把电源提供直流电压加在测量电极和已知电阻的串联电路上。把电压源的电压幅度调整至不同的值,测量A点的电压 ,再把这几次测得的电压值带入公式计算出盐水的电导值(实验数据见附录)。
实验过程中会发现,随着电压加在测量电极上的时间越长,测量的结果越不稳定,在将盐水倒出之后,仔细的观察还会发现,在测量电极上还有少量附着物,需要用水清洗才能清除。
4.1.3直流分压法的方案研究
通过对电路原理以及试验现象的分析,可以总结出该方案具有以下特点:
(1)、电路结构简单。
此方案采用的是最常用的测量电阻的方法——直流分压测电阻法,其原理很容易理解,其电路电路结构也非常简单,这些都为制作电路和调试电路提供了方便。而且,越简单的电路工作起来越稳定,不易出现故障。
(2)、容易发生极化现象
在实验中可以观察到这样的现象,在对测量电极通电一段时间后,电极上产生一定量的附着物,测量的准确度也随之大幅降低。通过认真地分析可知,这种现象是由于长时间在测量电极上加直流电压,这就会使正负两个测量电极之间形成一个电场,而电场存在于盐水这种介质中,盐水中含有的金属离子(如 离子、 离子等)都会在这一强大的电场势能作用下向负电极附近集中,另外一些负离子也会在电场势能的作用下向正点附近极集中,最终会有一定量的离子附着在测量电极上,就形成了我们所看到的附着物。

在这里插入图片描述

4.2方案二:电容-电导转换法
4.2.1原理
电容-电导转换法的电路示意图如下:

在这里插入图片描述

在盛有盐水的容器外加上两块电极板,将盐水块极板一同作为一个以盐水为介质被测电容,电容和一个已知阻值的电阻串联,并在此串联电路上加一交流电压,使被测电容两端产生一个波形信号,把这一信号经过滤波、放大、AD转换等处理电路输入单片机电路进行计算,可以得出电容的值,再根据公式 ,导出盐水介质的介电常数 ,从而计算出盐水的电导值。

5 电路分析
整个电路由三部分组成,这三个部分分别负责产生检测信号、检测信号的预处理和检测信号的采集。系统的组成示意图如下:

在这里插入图片描述

5.1测量信号的产生
测量信号是指将一脉冲信号输入接在盐水中的激励电极后,在检测电极上产生的信号。系统中有两路检测信号,接在容器上方的电极产生的信号还要用于控制检测信号采集的开始。
输入盐水的脉冲信号是由单片机经编程实现的,脉冲频率为10kHz,幅度为50mV。它主要使用了单片机的定时计数的资源,通过程序控制其输出每0.1ms跳变一次,即周期等于0.1ms,从而得到所需的频率为10kHz的脉冲信号。
在输入盐水之前,由单片机输出的脉冲信号要经过一个驱动电路对其进行阻抗匹配光电隔离,经过这一驱动电路的信号才能作为激励信号输入盐水,以保证输出的检测信号可以是稳定的信号,同时也易于采集。
电路中这一驱动电路包括了光耦隔离芯片TL2521-4组成的隔离电路和由集成运放芯片LM324组成的电压跟随器

在这里插入图片描述

5.2测量信号的预处理
从盐水中输出的测量信号是一个很微弱且不十分稳定的信号。需要经过一系列的预处理之后,才能进行AD转换输入单片机。信号预处理的过程一般包括放大、滤波和隔离等步奏。这部分电路是为后面能正常、准确地采集到检测信号做的准备。
5.2.1初级放大电路
初级放大电路是用来对微弱的检测信号进行放大的电路,采用的是运算放大器芯片LM324组成的反向放大器,放大倍数 =10,电路如图5-2-1所示。放大器采用单电源供电, 由R1、R2组成1/2V+偏置,C1是消振电容。放大器电压放大倍数Av仅由外接电阻Ri、Rf决定:Av=-Rf/Ri。负号表示输出信号与输入信号相位相反。按图中所给数值, Av=-10。此电路输入电阻为Ri。一般情况下先取Ri与信号源内阻相等,然后根据要求的放大倍数再选定Rf。Co和Ci为耦合电容。电路如图5-2-1所示

在这里插入图片描述

5.2.2线性光耦电路
线性光耦电路是用来进行隔离的电路,其作用是使前后电路独立,从而减少相互之间的影响带来的干扰。为达到线性耦合的目的,系统中使用的是由线性光耦芯片HCNR201构成的耦合电路。电路如图5-2-2所示。

在这里插入图片描述

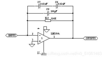
5.2.3滤波电路
滤波电路则可以把检测信号中的高频部分滤去,使信号变得平滑,便于进行AD转换。系统中的这部分电路是利用运算放大器构成的低通放大器,电路如图5-2-3所示。

在这里插入图片描述

 

 

全套资料免费下载:
关注v-x-公-众-号:【嵌入式基地
后-台-回-复:【毕业设计】 即可获资料
回复【编程】即可获取
包括有:C、C++、C#、JAVA、Python、JavaScript、PHP、数据库、微信小程序、人工智能、嵌入式、Linux、Unix、QT、物联网、算法导论、大数据等资料

在这里插入图片描述

相关推荐