扫码加入

  • 方案介绍
  • 附件下载
  • 相关推荐
申请入驻 产业图谱

竞赛毕业作品设计【芳芯科技】F. 基于onenet物联网云平台的智能阳台生态系统的设计与实现

加入交流群
扫码加入
获取工程师必备礼包
参与热点资讯讨论

【芳芯科技】F. 基于onenet物联网云平台的智能阳台生态系统的设计与实现.zip

共1个文件

【芳芯科技】F. 基于onenet物联网云平台的智能阳台生态系统的设计与实现

实物效果图:

实现功能:

要求:用stm32STM32F103C8T6作为主控芯片,用DHT11温湿度传感器实现空气温湿度检测,用土壤湿度传感器检测土壤中的含水量(湿度),用PH水质检测模块检测水中的酸性和碱性。 用人体红外感应模块用来感应阳台是否有人出现,进而控制照明灯的自动亮灭。用雨滴传感器模块用来检测是否下雨,从而控制晾衣杆的伸缩。显示模块用OLED液晶屏,可将传感器采集到数据的显示在屏幕上。用ESP8266 WIFI模块,将采集到的数据实现无线连接传输,并将数据把监测的数据实时上传到onenet云平台,需要有后台数据和终端显示界面。

实现功能:1、可通过OLED显示屏和ONENET云平台上直接查看:空气温度数据、空气湿度数据、土壤浓度数据、PH值数据和土壤湿度阈值。

2、当检测到PH值酸性或碱性过高,蜂鸣器会报警提醒。

3、如果阳台上有人,可自动开启阳台灯LED,如果没人则会自动关闭。

4、当没有下雨的时候自动打开晾衣杆,否则关闭。

5、可在ONENET平台上进行查看阳台是否有人。

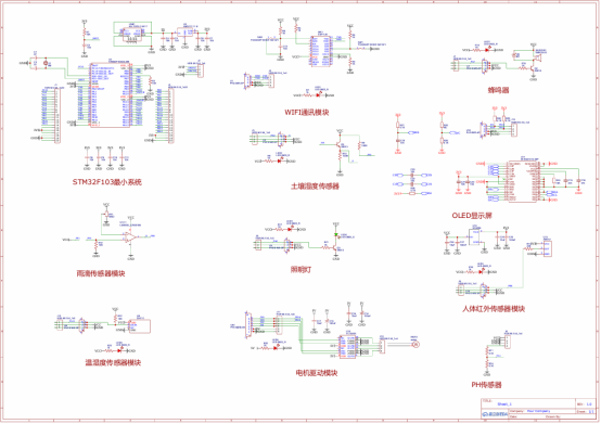
原理图:

程序源码:

视频链接

可前往抖音、B站、快手等视频平台搜索【芳心科技】或【芳芯科技】查看演示视频。

资料清单:

  • 【芳芯科技】F. 基于onenet物联网云平台的智能阳台生态系统的设计与实现.zip
    下载

相关推荐