扫码加入

  • 产品详情
  • 附件下载
申请入驻 产业图谱

40V/1A线性锂电池充电器

  • 型号:AiP4056UH
  • 制造商:中微爱芯
联系方式:15190238456

产品详情

附件下载

介绍

中微爱芯锂电充家族再添“新成员”:AiP4056UH。

作为AiP4068H同性能款电路,AiP4056UH使能控制为“高电平”有效(AiP4068H为低电平有效),完美匹配主流MCU控制电路逻辑,是便携设备充电方案“即插即用”的理想选择。

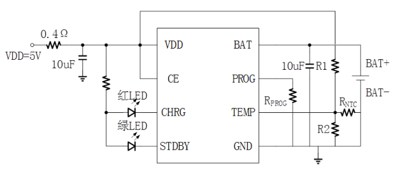
AiP4056UH采用涓流/恒流/恒压的方式充电,输入耐压高达40V,且支持20V电源热插拔芯片内部采用PMOSFET充电管,充饱电压典型为4.2V。

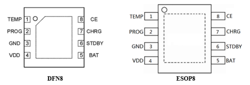
AiP4056UH与AiP4068H均支持ESOP8、DFN8等多种封装形式,电路应用外围简单,适用于各类单节锂电池设备,应用场景十分广泛。

关键参数

产品优势

  • 高压热插拔“零压力”:继承AiP4068H的40V电源耐压+20V热插拔能力,可兼容快充适配器,保障设备运行稳如磐石。
  • 电流灵活可调,场景全覆盖:AiP4056UH提供涓流/恒流/恒压三段式充电,且恒流充电电流可通过PROG端口的对地电阻进行设置,适配蓝牙耳机(小电流护电池)、电子烟(大电流快充)等多元场景。
  • 高可靠性电源管理AiP4056UH内置电源过压保护、芯片过温保护、电池过温保护等多重保护机制,在任意保护条件触发时均可中断充电操作,保证设备充电安全
  • 微型封装“省空间”:DNF8封装最小尺寸仅为2*2mm,节省空间的同时降低成本,同时底部具有散热焊盘(需焊接至PCB铜箔),确保大电流稳定输出。
  • 使能逻辑“更友好”:高电平激活充电,无缝对接主流MCU的“高电平使能”控制逻辑,无需额外电平转换电路。

功能框图

引脚排列图

典型应用图

  • AiP4056UH(中文).pdf
    下载