扫码加入

  • 产品详情
  • 附件下载
申请入驻 产业图谱

1.5A单路高速栅极驱动器

  • 型号:AiP4415(R)/AiP4416(R)
  • 制造商:中微爱芯
联系方式:15190238456

产品详情

附件下载

介绍

栅极驱动器是连接控制芯片和功率开关、实现高低压隔离的安全桥梁。在电子电力系统中,无论是新能源汽车的电驱电控、光伏逆变器、工业变频器,其核心都离不开栅极驱动器的精准控制。

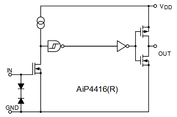
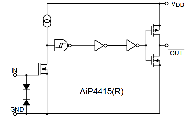
AiP4415(R)、AiP4416(R)系列是系列是高速、高性能的1.5A单路栅极驱动器,输出驱动MOSFETIGBT功率器件。逻辑兼容CMOS和TTL信号输入且最低电压可达-5V,主要功能为将常压输入转换为高压输出,在全电压范围内具有交直流参数稳定的特点。

主要特点

  • 高输出峰值电流:1.5A(VDD=18V)
  • 宽逻辑输入电压范围:-5V~VDD+0.3
  • 输出阻抗:≤5Ω(VDD=18V,Io+=-10mA)
  • 输入高低电平:VIH≥2.4V,VIL≤0.8V
  • 电源静态电流:≤1mA
  • 上升/下降时间:≤30ns(CL=1000pF)
  • 传输延迟时间:≤50ns(CL=1000pF)
  • 输入输出同相/反相
  • 封装形式:SOT23-5

功能框图

引脚排列图

AiP442X系列详细参数:

引脚说明

AiP4415/AiP4416引脚说明:

AiP4415R/AiP4416R引脚说明:

  • AiP4415 AiP4416(中文).pdf
    下载