扫码加入

  • 正文
  • 相关推荐
申请入驻 产业图谱

CS8308S  3.1W单声道、低EMI、无滤波的D类音频功放

2025/10/03
829
加入交流群
扫码加入
获取工程师必备礼包
参与热点资讯讨论

CS8308S  3.1W单声道、低EMI、无滤波的D类音频功放

作为面向小型设备的音频功放,CS8308S 的核心参数与实用场景精准匹配:输出失调电压典型值仅 5mV(最大 25mV),可保障音频信号低失真;共模抑制比(CMRR)典型值 - 70dB,输入管脚短接时仍能稳定工作,有助于提升信号抗干扰能力。在不同供电与负载条件下,输出功率灵活适配:3.6V 供电、4Ω 负载时,1% THD+N 下输出 1.25W;8Ω 负载时 0.70W,可满足数码设备、安防设备等不同音量需求。同时,符合 RoHS 标准的无铅封装,兼顾环保与生产合规,是小型设备音频方案的适配选择。

一、CS8308S的应用信息

1、典型应用图

2、管脚分布及定义

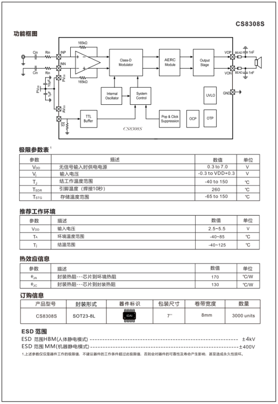
3、基础参数

4、特性曲线图

5、DEMO

除了这款小功率的单声道音频功率放大器,还有两款类似的推荐

IU8360T:一线脉宽控制,三级功率限制可选,电荷泵升压,固定20倍增益2.3W单声道GF类音频放大器

CS8898S 10μV超低底噪,1.7W 单声道全差分高性能AB 类音频放大器

相关推荐