扫码加入

  • 正文
  • 相关推荐
申请入驻 产业图谱

CS8563:超低EMI,4.5Wx2,双通道带立体声耳机模式D类音频放大器

2025/10/28
1519
加入交流群
扫码加入
获取工程师必备礼包
参与热点资讯讨论

CS8563S是超低 EMI、4.5W×2 双通道 D 类音频放大器,主打 “双模式兼容 + 高音质 + 高可靠性”,专为需要立体声输出的中小型电子设备设计。其核心优势在于支持桥式(BTL)与单端(SE)两种工作模式:桥式模式可驱动 4Ω/8Ω 扬声器,单端模式适配 32Ω 立体声耳机,无需额外切换芯片即可实现 “扬声器 + 耳机” 音频输出切换;同时内置杂音抑制电路、多重保护机制与低功耗设计,适配 LCD-TV、笔记本电脑、数码相框、USB 扬声器等场景,兼顾音质与系统兼容性。

一、CS8563的特性

每通道输出功率

PO at 10% THD+N, VDD = 6V

RL=8Ω 2.30W(每通道)

RL=4Ω 4.50W(每通道)

PO at 10% THD+N, VDD =5.0V

RL=8Ω 1.60W(每通道)

RL=4Ω 3.20W(每通道)

PO at 10% THD+N, VDD =3.6V

RL=8Ω 0.90W(每通道)

RL=4Ω 1.70W(每通道)

工作电压范围:2.7V到6.2V

"咔嗒声和噼噗声"抑制电路

SE模式,RL=32Ω,输出平均功率75mW,THD(max)<0.1%

低关断电流(<0.1uA)

过流保护,短路保护和热保护

符合Rohs的无铅封装

二、CS8563的应用信息

1、典型应用图

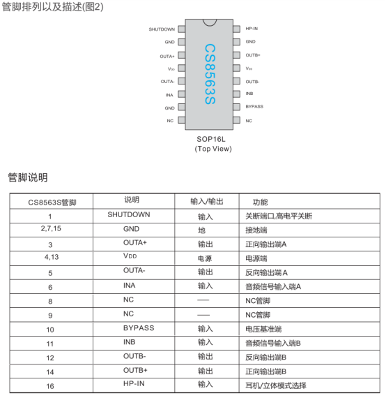
2、管脚排列及定义

3、基础参数

CS、IU系列单声道音频功放 —— 覆盖从低功耗到高功率的全场景解决方案 - 与非网

CS、IU系列立体声音频功放 —— 覆盖从低功耗到高功率的全场景解决方案 - 与非网

2.1应用及四通道音频功放—— CS8725E、CS8726E、CS8611E - 与非网

上大科技

相关推荐