南芯科技(证券代码:688484)推出 24V 全新高性能同步降压转换器系列产品 SC813XX。该系列产品支持 4-24V 宽电压输入,4A/6A/8A 三个电流档位。在仅 4mm2 的超小封装尺寸下,依然具备持续 8A 的输出电流能力;转换效率高,可显著减少 IC 发热;采用创新改进型 RBCOT 架构,响应速度快,可实现远超同类竞品的负载瞬态性能;99.5% 的最大占空比配合低 RDSON,支持直通模式,电压跌落损耗小。SC813XX 系列可广泛应用于显示器、USB 拓展坞、适配器、路由器、智能设备等,助力实现更高性能的紧凑型电源解决方案。
高效率紧凑型方案
随着消费者对便携性、空间适配性需求的升级,设备小型化、轻薄化已是未来电子设备的一大发展趋势。南芯科技 SC813XX 系列采用高集成度设计,以 SC81340S 为例,采用 QFN 2*2 封装,面积仅 4mm2,对比传统降压 DC-DC ESOP8 封装 29.4mm2 的面积,可实现更紧凑的电源设计。

左:QFN 2*2 与 ESOP8 封装尺寸对比;右:SC813XX 引脚图,QFN 2*2 封装

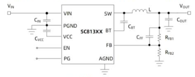
SC813XX 典型应用电路
追求轻量化与小型化的同时,更需有效摆脱散热困扰。SC813XX 系列产品内部集成低内阻 MOSFET 以及优化的驱动设计,降低器件损耗,实现优异的效率表现,从源头减少发热损耗。实测数据显示,4A 负载电流下,IC 表面温升相比竞品可低 10℃ 以上。

SC81340S 与竞品满载温升对比(VIN=20V,VOUT=5V,竞品封装 ESOP8)

SC81380 与竞品效率表现对比 (VIN=20V, VOUT=5V)
极致瞬态表现
随着 AI 与智能化的飞速发展,SoC、内存以及存储器件得到广泛应用。此类器件工作时产生的脉冲电流对 DC-DC 的瞬态响应能力提出更高的要求。SC813XX 系列采用改进型 RBCOT 控制拓扑,对输出电压变化实现更快速瞬态调整,对比同类产品性能优势显著,可更好地保障设备在负载波动时的电压稳定性。

SC81360 与同规格竞品瞬态表现对比(输出电压跌落越小,瞬态表现越好)
直通工作模式
在 USB Hub 和 PD 应用场景中,当输入电压与输出电压保持一致时(如 5V 输入、5V 输出),支持直通模式的 buck 方案,相比传统四开关 buck-boost 方案能极大降低系统成本。现有的传统 buck 通常存在最大占空比不足,以及内置 MOS 导通电阻过大的缺点,导致此类应用压降大,输出电压难以符合应用要求。SC813XX 针对上述问题,将最大占空比提高至 99.5%,结合低阻 MOSFET,直通模式下,输出电压跌落低,性能表现突出。

buck 方案相比 buck-boost 方案,可极大降低系统成本

SC81340S 与同类竞品在同负载、不同输出电流情况下的输出电压跌落对比
选型灵活
SC813XX 系列提供多种输出电流与开关频率选项,并设有 PSM(节能模式)与 FPWM(强制 PWM)两种工作模式版本。用户可根据应用场景需求进行产品选择。

南芯科技DC-DC产品家族
南芯科技现已建立起覆盖通用 DC-DC、电荷泵 DC-DC 和负载开关在内的完整 DC-DC 产品家族,为客户提供全面的电源管理解决方案。在降压转换器领域,我们拥有超过 30 款产品,涵盖不同的输入电压、输出电流、开关频率与工作模式,旨在以高效、绿色、可靠的方案满足客户的多样化需求。此次推出的 SC813XX 系列,精准顺应终端设备小型化的行业趋势,在显著提升电源转换效率与瞬态响应的同时,凭借超小型封装,为客户产品升级提供关键支持。
693