扫码加入

  • 正文
  • 相关推荐
申请入驻 产业图谱

荣湃隔离驱动器性能优势与典型应用

03/13 08:42
248
加入交流群
扫码加入
获取工程师必备礼包
参与热点资讯讨论
在逆变电源系统中,通过功率开关管和高频变压器配合实现功率的逆变隔离传输,功率开关管开关频率和占空比MCU控制。但是MCU往往在弱电侧,控制强电侧的功率开关管需要隔离,同时MCU输出信号较弱,不能直接驱动功率开关管,因此,需要在MCU和功率开关之间增加隔离驱动器,起到强电侧和弱电侧隔离并增加驱动能力的作用,如图1所示。

图1 隔离驱动在系统中应用示意图

荣湃推出了Pai82xxx系列隔离栅极驱动器和Pai658x系列光耦兼容驱动器。Pai82xxx和Pai658x系列产品带有UVLO保护功能,具有4A~8A峰值驱动能力,隔离耐压有3.75kVrms和5kVrms的单通道/双通道高集成隔离驱动器供客户自由选择。

荣湃隔离驱动产品介绍

荣湃已推出多款隔离驱动器产品,隔离耐压分为3.75kV和5kV两档,分别对应4mm爬电距离的NB SOIC-8封装、和8mm爬电距离的WB SOIC-6、WB SOIC-8和WB SOIC-14封装,共计四种封装;驱动通道数分单通道和双通道两种。多款产品具体参数如表1所示。

表1 荣湃隔离驱动产品列表

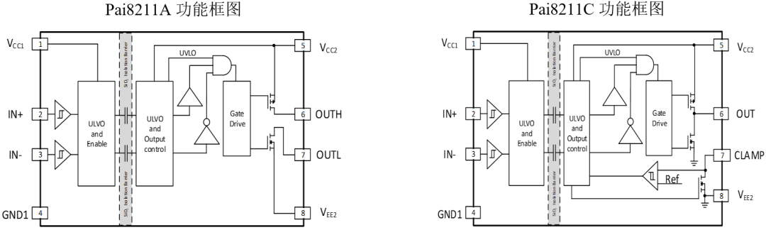
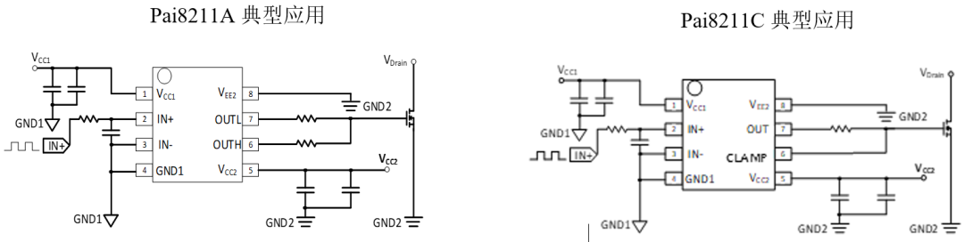
荣湃隔离驱动器产品单通道Pai8211x、Pai658xx和双通道Pai823xx的引脚定义及芯片内部框图如图2所示。Pai8211A和Pai823xx典型应用电路图如图3所示。

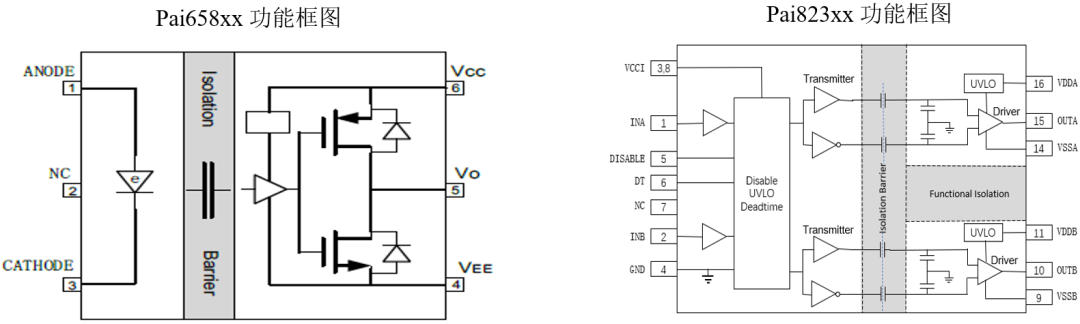
图2 隔离驱动器产品引脚定义与功能框图

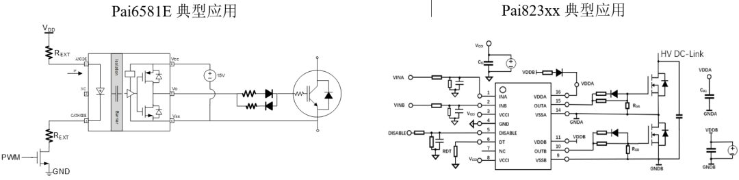
图3隔离驱动器典型应用电路图

荣湃单通道隔离驱动器Pai8211A输入支持同向使能输入和反向使能输入,分离的输出管脚可单独控制输出信号的上升和下降时间,方便灵活解决EMI问题,适用于高效率的开关电源系统。荣湃单通道隔离驱动器Pai8211C具有米勒钳位保护功能,有效抑制功率管米勒电容形成的位移电流危害。

荣湃光耦兼容型单通道隔离驱动器Pai6581E为宽体6脚、电流型二极管输入、单口输出的单通道IGBT隔离驱动器,可以替换驱动光耦。

荣湃双通道隔离驱动器Pai823xx具有输出关闭功能,当Disable引脚设置为高电平时,输出关闭,反之,当Disable引脚设置为低电平或浮空时,隔离器正常工作。同时,该隔离驱动器系列具有死区设置功能,通过调节DT引脚对地电阻来设置死区时间,如果将DT引脚直接拉到高电平,则死区功能失效,允许两个通道同时输出高电平。

荣湃隔离驱动产品优势

荣湃隔离驱动器Pai82xxx系列是基于荣湃半导体独有的iDivider®技术开发,具有优异的低延时、高开关速度、高CMTI等产品性能,如表2所示。

表2 荣湃隔离驱动产品功能参数列表

(注:表中●表示对应型号隔离驱动器包含对应的保护功能。)

荣湃隔离驱动器Pai82xxx系列和Pai658xx是基于荣湃半导体独有的iDivider®技术开发,具有时序特性好、抗干扰能力强等特点。广泛应用于高压直流变换器UPS光伏逆变器和HEV等领域。

相关推荐

登录即可解锁
  • 海量技术文章
  • 设计资源下载
  • 产业链客户资源
  • 写文章/发需求
立即登录

荣湃半导体(上海)有限公司是全球最先进的专业模拟电路芯片设计公司之一.我们将改变人们与世界的连接方式,我们只做革命性产品!我们将在这里分享我们的最新技术和动态,增值您的应用!