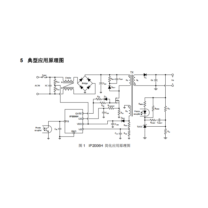
英集芯IP2006H是一款应用于快充充电器、电源适配器等、氮化镓充电器等方案的多模式AC-DC反激控制器芯片。支持频率折返和谷底导通技术,可自适应调整开关频率。集成多种工作模式(如QR、CCM、LLC等),支持灵活配置,减少外围元件数量。提供丰富的保护功能和参数定制,支持5-20V输出电压范围,无需外部LDO)。适用于100W以下功率应用,覆盖手机、平板、笔记本等设备的快充需求。采用SOT23-6封装,体积小巧,节省PCB空间,便于高密度设计。
一、核心技术与功能特点
1、多模式工作,灵活适应不同场景
IP2006H支持多种工作模式,包括限制频率QR(不锁谷底)、CCM+限制频率QR(不锁谷底)以及LL CCM+HL限制频率QR(锁固定谷底)等。这种多模式设计使芯片能够依据不同的输入输出条件自动切换工作状态,从而在多种应用场景下保持较好的性能与效率。无论是低功率便携设备充电器,还是高功率笔记本电脑适配器,IP2006H均可适用。
2、频率折返与谷底导通技术,有助于提升效率与稳定性
芯片内置频率折返和谷底导通技术,可根据负载情况调节开关频率。在轻载时,通过降低开关频率来减少开关损耗,提升轻载效率;在重载时,则通过优化开关频率控制温升,改善满载效率。同时,谷底导通技术使开关管在电压谷底时导通,有助于降低开关损耗,提升系统整体稳定性。
3、抖频技术,改善传导性能
IP2006H支持抖频技术,通过在频率和谷底开通附近进行抖动,优化了传导性能,尤其在整流方面表现较好。该技术有助于降低电磁干扰(EMI),使充电器更容易通过相关的电磁兼容测试,符合各地区对电子产品电磁辐射的相关要求。
4、均衡的输入输出补偿,支持宽范围稳定工作
芯片具备均衡的输入输出补偿功能,可在较宽的输入输出范围内保持系统稳定。无论是输入电压波动还是输出负载变化,IP2006H均可通过自动调节补偿参数,确保输出电压与电流的稳定,为设备供电提供可靠支持。
二、可配置功能与保护机制
1、可配置选项,适应不同需求
与常见模拟AC-DC控制器相比,IP2006H提供了丰富的可配置选项。用户可通过OTP烧录方式,一次性设定驱动电压、工作频率及各类保护阈值等参数。这种可定制的设计使芯片能更好适应不同客户需求,有助于缩短研发周期,降低开发成本。
2、全面的保护功能,提升系统安全性
IP2006H具备较为全面的保护功能,包括Brown-in/Brown-out(输入欠压/过压保护)、输出过压保护、输出欠压保护、VDD过压保护、输入过压保护及过热保护等。芯片还支持过功率保护,可在输出功率超过设定值时自动限流,防止设备因过载受损。这些保护功能有助于系统在异常情况下仍保持安全运行,提升产品可靠性与使用寿命。
三、应用场景与案例
1、便携设备充电器
IP2006H广泛应用于各类便携设备充电器,如手机充电器、平板电脑充电器等。以传音TECNO 45W快充充电器为例,该充电器采用英集芯IP2006H作为初级主控芯片,配合同步整流芯片IP2002TS与协议芯片IP2199,实现了高效稳定的快充功能。充电器支持100-240V宽幅电压输入,最大输出功率45W,可满足相应手机的快速充电需求。同时,该充电器已通过CE、EAC等认证,具备较好的通用性。
2、笔记本电脑适配器
在高功率笔记本电脑适配器中,IP2006H也表现出较好的适用性。其多模式工作能力与高效的频率调节技术,可使适配器在不同负载下保持较高效率,有助于降低能耗与发热。
3、多口充电器
随着多口充电器的普及,IP2006H也成为多口充电器设计的常用选择之一。其支持多路输出的特性,使多口充电器能够同时为多个设备供电。例如,英集芯推出的双C口65W快充方案,采用两颗IP2006H搭配同步整流芯片IP2008、双USB-C快充协议芯片IP2738以及两颗同步降压控制器芯片IP6550,实现了任意单口支持65W输出的功能。该方案可满足多设备同时快充的需求,并具备结构紧凑与能效较高的特点。
四、市场反馈与行业影响
英集芯IP2006H凭借其良好的性能与广泛的适用性,获得了一定的市场认可。三星、小米、传音等品牌已在其快充产品中应用了IP2006H芯片,这反映了市场对该芯片技术特性的肯定,也体现了IP2006H在AC-DC快充领域的应用价值。
同时,IP2006H的应用也推动了相关技术发展。其高集成度、可配置性强与性价比良好的特点,为电源芯片设计提供了参考。越来越多的厂商关注类似高性能电源芯片的开发,促进了行业技术交流与产品进步。
五、未来展望
随着技术进步与用户对电子产品性能要求的提升,快充技术预计将继续向更高功率、更高效率、更小体积的方向演进。英集芯IP2006H作为一款具备多项实用功能的产品,适用场景广泛的高性能多模式反激控制器。它的推出为AC-DC快充领域增添了新的选择,也为电源芯片行业的发展带来了积极影响。
463
