扫码加入

  • 正文
  • 相关推荐
申请入驻 产业图谱

LED显示驱动产品增强抗干扰能力

02/09 08:40
1832
加入交流群
扫码加入
获取工程师必备礼包
参与热点资讯讨论
LED显示作为复杂的电子系统,容易受到各种干扰。从供电噪声到空间电磁波,甚至接地不良都会影响显示效果。干扰导致的故障直接影响用户体验。LED驱动电路本身是高频开关设计,EMI特性就敏感,如果长距离传输信号,极易容易受到干扰的影响。为了提高LED驱动控制电路抗干扰能力,提高系统的稳定性,我们从软件及硬件两方面提出几点优化措施:

一.软件

1.显示刷新策略

软件上加入定时刷新初始化设置和显示数据来减少显示处于异常状态的时间,使其能够迅速恢复正常显示。

IIC通信协议中加入超时检测和失败重发机制。

Figure 1

Figure 2

避免大跨度亮度等级,采用渐变动画(如每100ms调整一级),减少电流突变导致的电源噪声。

带有测试模式指令的芯片,在软件上加入退出测试态指令,并定时刷新,来防止芯片误入测试态引起的黑屏。

Figure 3

2.通信可靠性

当显示驱动IC工作在强电磁干扰环境下时,建议适当降低通信频率,以减少干扰带来的影响。

避免在强干扰源工作时刷新显示(如电机启动瞬间)。

3.看门狗

确保MCU启用了硬件看门狗,防止干扰导致程序跑飞。

软件看门狗:在关键子任务(如显示刷新、通信)中设置状态标志,独立监控任务检测标志更新超时则强制复位。

二、硬件

1.电源净化

在电源输入端增加EMI滤波器、防雷浪涌保护器

采用隔离电源模块或为不同电路模块提供独立隔离电源,避免与电机、继电器等高噪声器件共用电源。

在驱动IC的电源端口加滤波电容,滤波电容需尽可能靠近IC电源端口。通常建议增加0.1uF陶瓷电容和10uF陶瓷电容并联,形成高频+低频滤波;若因为电容特性出现啸叫问题,可以减小电容容值、封装或改用电解电容钽电容

Figure 4

选用高可靠性、低噪声的电源模块。

2.信号线处理

信号总线的保护

1)串联电阻:在信号线上靠近MCU端串联10Ω-100Ω电阻,抑制信号反射和瞬态尖峰。

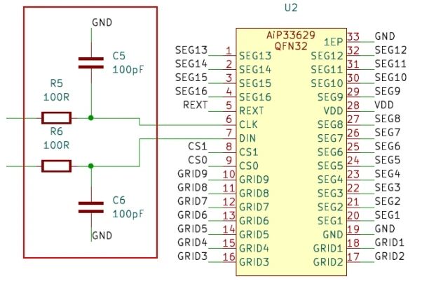
2)RC低通滤波:在靠近IC的信号线引脚处,对地并联100pF-220pF陶瓷电容 + 串联 100Ω电阻(构成RC低通滤波),滤除高频噪声

Figure 5

3)ESD保护:在信号线上增加TVS二极管到GND,防止静电和浪涌。

4)上拉电阻:确保信号总线的上拉电阻(通常4.7kΩ-10kΩ)可靠连接且阻值合适,避免过弱导致抗噪差。

Figure 6

缩短走线:尽量缩短MCU与IC之间的连线,避免走线过长成为天线接收干扰。信号线尽量平行等长走线,并远离高频、大电流线路(如电源线、电机驱动线)。

3.优秀的电路设计

优化信号和电源路径,电流环路面积尽可能小,通信线尽量紧贴地线排布。

电源线(VCC)走线尽量宽、短。

使用多层PCB板时,设置完整的地平面和电源平面。

关键信号线(时钟、差分信号)做阻抗控制和包地处理。

加入必要的滤波电路(电源入口滤波、信号线滤波)。

电源和地线尽量并行走线。

在信号线下方或相邻层保留连续的地平面。

4.屏蔽与接地

系统建立良好、可靠、单一接地点的接地系统,避免地线环路。

IC的GND引脚必须通过短而粗的走线或过孔直接连接到主地平面。

如果非PCB直连,线缆使用双绞线或屏蔽线。屏蔽线屏蔽层单端接地。

  • 外部EMI抑制:系统电源入口处增加共模电感和X/Y安规电容
  • 对产生干扰的设备(如电机)加装磁环或使用屏蔽电缆。

相关推荐

登录即可解锁
  • 海量技术文章
  • 设计资源下载
  • 产业链客户资源
  • 写文章/发需求
立即登录

无锡中微爱芯电子有限公司成立于2004年,是一家以集成电路设计、测试、方案开发、销售和服务为主的高新技术企业,是工信部认定的集成电路设计企业,是国家鼓励的重点集成电路设计企业。公司总部位于无锡国家集成电路设计中心,在深圳、顺德、武汉设有分公司,在合肥、顺德设有研发中心。 中微爱芯拥有一支有着丰富专业知识和经验的团队,拥有完善的IC设计系统,具备CMOS、BCD、VDMOS等设计能力。产品已形成MCU、显示驱动(LED/LCD)、通用逻辑、信号链、马达&栅驱动、功率器件、电源、音响、遥控器、通信、配套等多个系列数千款产品,为汽车电子、工业控制、网络通信、新能源、消费电子等领域提供全面的芯片解决方案。 中微爱芯高度重视产品质量和知识产权建设, 先后通过了ISO 9001:2015质量管理体系、知识产权管理体系以及EHS环境与职业健康安全体系认证,赢得了广泛的市场认同和客户赞誉。此外,公司按AEC-Q100标准建立可靠性实验室并已完成CNAS实验室认可的一阶段审核,进一步提升测试验证能力和管理水平。 中微爱芯本着“合作、开放、责任、执行”的企业精神,秉承“专业、规范、服务、高效”的经营理念,坚持以客户为中心,积极面对未来,不断创新进取,以雄厚的技术实力,优良的服务品质,为客户提供自主可控的高质量、高可靠产品,致力于打造国内一流的集成电路设计企业,诚愿与各界朋友紧密合作,携手发展,共创美好未来。

微信公众号