扫码加入

  • 正文
  • 相关推荐
申请入驻 产业图谱

矽力杰 Silergy SY8521 降压稳压器 佰祥电子

04/03 16:07
528
加入交流群
扫码加入
获取工程师必备礼包
参与热点资讯讨论

100V母线辅助供电的“空间魔术”:SY8521全集成同步降压方案实战拆解

在隔离型通信偏置电源、BMS高压从板以及汽车电子的48V/60V系统中,硬件团队在设计辅助供电轨时常常面临极其严苛的物理与电气双重挑战。系统母线在遭遇抛负载(Load Dump)或电机急停时,动辄飙升至上百伏,必须选用极高耐压的降压主控;然而,留给这路0.5A至1A级别辅助电源PCBA面积往往小得可怜,根本塞不下传统带有庞大续流肖特基二极管的非同步方案。

面对“极限耐压”与“极限体积”的双重夹击,很多工程师被迫妥协,采用成本高昂且体积庞大的隔离模块或推挽拓扑。本期,我们为您带来一个更具颠覆性的破局思路,深度拆解矽力杰 SY8521 工业级高压同步降压转换器,看看它是如何通过底层架构的革新,直接在百伏母线上玩转“空间魔术”的。

甩掉外部二极管:全集成同步架构的热力学反击

传统的高压小电流降压方案几乎清一色是非同步架构。我们可以算一笔热力学账:当100V降至5V时,占空比仅有约5%,这意味着续流二极管要承担95%时间里的续流发热。在密闭的工控机箱内,这种集中发热不仅拉低了整体转换效率,热量更是无处安放。

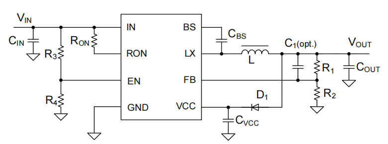
SY8521的破局点在于,它在支持100V极限输入的同时,内部直接集成了经过耐压优化的高低侧 N 沟道功率 MOSFET。其上下管导通电阻(RDS(ON))分别被极力压榨至500mΩ和285mΩ。这种全集成的同步整流架构彻底干掉了外部的肖特基二极管,不仅斩断了板卡上最大的发热源,更将高频开关节点(LX)的走线长度缩减至极限,从物理层面上大幅削弱了寄生电感引发的振铃(Ringing)效应与EMI辐射。

死磕纯净频谱:强制CCM模式斩断低频纹波

做通信偏置电源和精密仪表供电的工程师深知,轻载下的低频噪声是EMC测试射频干扰中的绝对噩梦。绝大多数降压芯片在轻载时,为了追求好看的静态功耗数据,会强制进入PFM(脉冲频率调制)或Burst打嗝模式,随之而来的就是极其难以滤除、且频段毫无规律的低频纹波。

SY8521在环路控制上做出了极其硬核的取舍。它设定为在全负载范围内强制连续导通模式(Always operates under continuous condition mode)。这意味着无论后级传感器处于满载还是极低功耗的休眠状态,芯片都不会进入跳频状态。其输出频谱极其干净,死死锚定在工程师设定的高频频段,彻底消除了音频噪声,极大降低了后级EMI LC滤波器LDO的设计难度。

Instant PWM的降维打击与极速瞬态响应

在辅助电源所挂载的通信模块发送猝发信号,或者继电器瞬间吸合时,极易产生负载电流的剧烈阶跃。传统的电压型误差放大器往往受限于带宽,导致输出电压出现严重的跌落。

SY8521采用先进的恒定导通时间(Constant On-time)控制,并融合了矽力杰独家的 Instant PWM(瞬态PWM)架构。该架构打破了传统补偿网络的延迟瓶颈,在负载发生跳变时,能以近乎零延迟的速度直接干预占空比,瞬间平滑输出电压。更令硬件工程师省心的是,这种架构外围无需复杂的RC补偿网络即可保持极佳的环路相位裕度,完美兼容低ESR的小体积陶瓷电容

极限微缩与全景防御:DFN封装落地指南

极致的控制架构最终需要落实在物理尺寸与系统的底层防御上。在提供100V强悍耐压与同步整流的前提下,SY8521将所有控制逻辑与双功率管全部塞进了一个仅有 4mm x 4mm 的 DFN8 微型封装内。封装底部的超大面积裸露散热焊盘,为高压差转换提供了极佳的对地热传导通道。

在面对高达70V甚至100V的母线硬开机或热插拔时,SY8521内部集成的2ms精准软启动电路发挥了决定性作用。它强制控制输出电压平滑爬升,彻底消除了开机瞬间足以击穿电容的巨大浪涌电流。配合全温区(-40°C至+125°C)内精度高达±2%的1.225V基准源,确保了系统在恶劣工况下的绝对稳定。

选型总结与高压落地建议

SY8521 以其独特的“100V耐压+全集成同步+强制CCM”底层技术组合拳,成功化解了超高压输入与微型化空间场景下的效率、热耗散与低频干扰矛盾,堪称通信偏置供电、BMS高压从板以及工业微型仪表辅助电源的破局之选。

高压开关电源的稳定落地,三分靠芯片本身架构,七分靠严谨的先期评估与严苛的Layout布线。在众多高压电源项目的实际交付中,佰祥电子技术团队深刻体会到,从芯片降额余量的精准计算、高压节点爬电距离的合理预留,再到后期环路交叉频率的细致调试,每一个底层细节都关乎着整机系统的生死。未来,我们将持续为您带来更多硬核的芯片拆解与前沿的选型参考,与广大工程师并肩攻克复杂的供电设计难题。

相关推荐