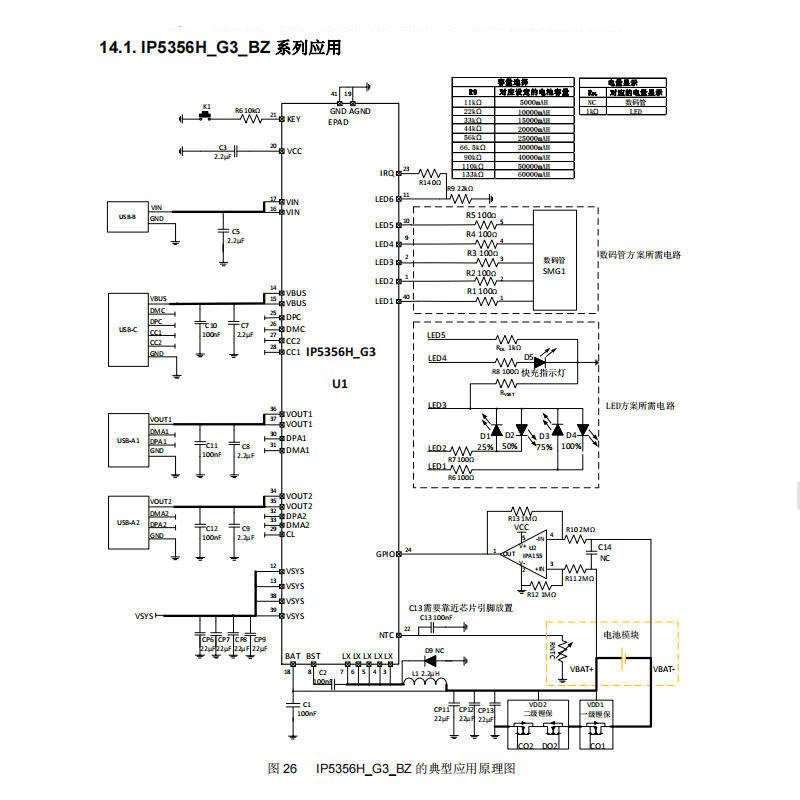
英集芯IP5356H_G3是一款应用于新国标移动电源,充电宝等方案的移动电源管理SOC芯片。支持主流快充协议,同步开关放电系统最大22.5W输出功率。集成USB2.0智能监测模块,实时监测电池电压、温度及异常状态并上报。提供USB-C×1输入输出、USB-C/A×1输出、USB-B×1输入等多种接口组合。任意单口均可实现快充。仅需一个电感实现降压与升压功能,应用时搭载极少外围器件,即可实现快充移动电源完整解决方案。采用QFN40封装,体积小巧,便于实现整体方案紧凑化、降低BOM成本。
一、核心特性:多接口与多协议的融合
1、多接口快充,满足多样需求
IP5356H_G3 提供了多种接口选择。输出接口包含 USB-A1、USB-C(DFP,支持双向快充)以及可选的 USB-A2。其中,USB-C 接口集成了 DRP 协议,作为双向接口,无论是为移动电源充电还是为其他设备输出电力,均能实现快速充电。输入接口采用 USB-B,支持 5V@2A 的输入。这种多接口设计使用户可以同时为多个设备充电,或根据设备选择合适接口,实现“一芯多用”。
2、多协议兼容,使用便利
IP5356H_G3 具备较广泛的协议兼容能力,输入/输出协议涵盖 FCP、AFC、PD(PD2.0/PD3.0),输出协议还包括 QC2.0/QC3.0、SCP(高压支持)、PPS(3.3V-11V,20mV 步进),并兼容 BC1.2 和 Apple 快充。这意味着无论是安卓设备还是苹果设备,IP5356H_G3 都能提供快速、稳定的充电服务,覆盖主流快充协议。
3、PD 协议集成,稳定高效
在 PD 协议方面,输入支持 5V/9V/12V 电压档位,输出支持 5V/9V/12V 固定电压以及 PPS 可调电压(3.3V-11V,20mV 步进)。其物理层集成了 BMC 编码、硬件 CRC 校验、Hard Reset 功能,有助于确保数据传输的稳定性和可靠性,减少因信号干扰或数据错误导致的充电中断问题。
二、智能监测与管理:实时掌控,安全可控
1、实时数据记录,信息可见
IP5356H_G3 能够监测电池电压、温度、时间以及异常信息(如过充/过放)等关键参数。通过 USB2.0 Full Speed 通信,实现数据的上报和下发,让用户了解移动电源的工作状态。例如,当电池温度过高或出现过充时,系统可及时反馈信息,提醒用户采取措施,保障设备安全。
2、动态调节功能,智能适配
该芯片支持充电限制电压随时间下降,提供 50mV/100mV/150mV/200mV 档位,可根据电池充电情况进行调整,有助于延长电池寿命。保护机制包括欠压/过压禁用、充放电温度 NTC 保护等,当电压或温度超出安全范围时自动切断电源。此外,支持固件在线更新,便于适配未来协议扩展。
三、性能参数:稳定输出
1、充电规格
IP5356H_G3 的输入功率为 18W,可定制 20W 版本,能识别输入源并自动调整充电参数。支持 4.20V/4.30V/4.35V/4.40V 等多种电池电压,适配高电压平台。充电过程中,欠压环动态调整充电电流,优化充电策略。
2、放电规格
输出能力涵盖 5V@3.0A、9V@2.22A、12V@1.67A 以及 10V@2.25A(SCP 档位)。在 5V@2A 条件下,同步开关放电效率不低于 95%。具备线损补偿功能,可自动修正长线缆的压降,保持输出电压稳定。
3、电量显示
内置 14bit ADC,电量计量误差小于 1%。支持 1-4 颗 LED 指示灯显示电量,也支持 88/188 等段码显示(需外接驱动),方便用户掌握剩余电量。
四、保护与可靠性:多重防护
1、多重安全机制
输入保护包括过压/欠压保护;输出保护涵盖过流/过压/短路保护;电池保护有过充/过放/过流保护;环境方面具备芯片过温保护、ESD HBM>4KV、CC 耐压>20V 等。
2、高集成度设计
内置开关功率 MOS、路径 MOS,通过单电感实现充放电功能。外围元件仅需少量电容、电阻,有助于降低物料成本,简化电路设计,提高可靠性,并减少产品体积与重量。
五、封装与适用场景
1、封装规格
采用 QFN40 封装,尺寸为 6mm×6mm,0.5mm pitch,适合紧凑型设计,便于集成到移动电源和便携设备中。
2、典型应用
在移动电源/充电宝领域,支持智能监测、多协议快充和高密度集成。对于手机、平板、蓝牙耳机等便携设备(需搭配外部电池管理),也能提供续航支持。
六、优势总结
英集芯 IP5356H_G3 具备多协议覆盖、智能动态调节、高集成度和可靠性等优势。它兼容主流设备,提供快速、稳定的充电服务,并通过智能监测与管理保障充电安全。高集成度简化了开发流程,降低了物料成本,加速了产品上市。多重保护机制和工业级 ESD/耐压设计,确保其在复杂环境下的稳定性。选用该芯片,可获得一种高效、智能、安全的移动电源解决方案。
2704
