• 方案介绍
  • 附件下载
  • 相关推荐
申请入驻 产业图谱

交通灯设计Verilog代码Quartus小脚丫开发板

08/15 08:40
722
加入交流群
扫码加入
获取工程师必备礼包
参与热点资讯讨论

2-240R11UZ2201.doc

共1个文件

名称:交通灯设计Verilog代码Quartus小脚丫开发板

软件:Quartus

语言:Verilog

代码功能:

小脚丫开发板的交通灯设计

设计十字路口交通灯,每条路各有3个灯,分别为红黄绿,控制红绿灯的亮灭

FPGA代码Verilog/VHDL代码资源下载:www.hdlcode.com

本代码已在小脚丫开发板验证,小脚丫开发板如下,其他开发板可以修改管脚适配:

小脚丫开发板.png

设计文档:

1. 工程文件

2. 程序文件

3. 程序编译

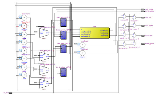
4. RTL图(电路结构图)

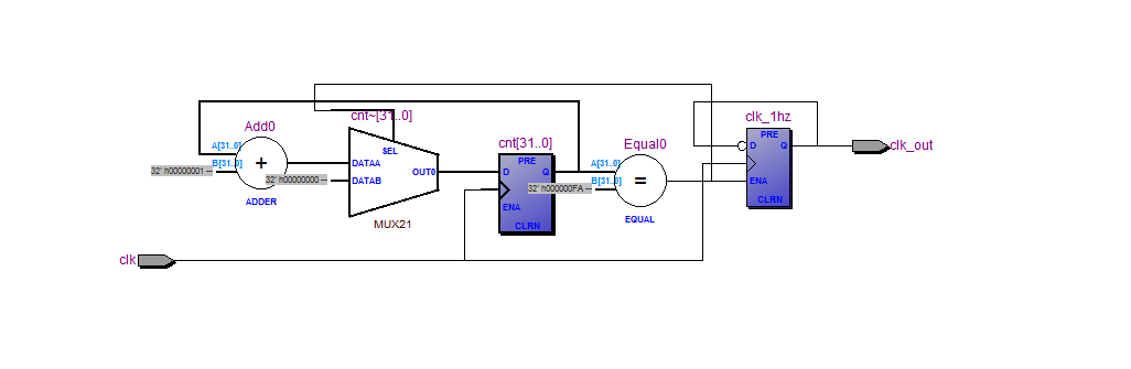
分频模块

交通灯控制模块

5. 仿真图

整体仿真图

交通灯分为主路和支路,两条路均为:红灯33秒,绿灯30秒,黄灯3秒。主路为红灯时支路为绿灯和黄灯,支路为红灯时主路为绿灯和黄灯。且红灯最后3秒会闪烁,绿灯最后3秒也会闪烁,黄灯不闪烁。

分频模块

交通灯控制模块

管脚分配

部分代码展示:

/*
红->绿 绿->黄 黄->红
1、红--计时main_red_times------------------------绿--计时main_green_times---main_yellow_times黄灯---------------红
2、绿--计时branch_green_times---branch_yellow_times黄灯--------------------红--计时branch_reg_times-------------------绿
*/
//设路口A为主路,路口B为支路
module traffic_light(
input clk,//时钟
//led 1亮0灭
output [2:0]main_LED,//主路灯
output [2:0]branch_LED//支路灯
);
wire clk_1Hz;
wire main_red_led;//主路灯
wire main_green_led;//主路灯
wire main_yellow_led;//主路灯
wire branch_red_led;//支路灯
wire branch_green_led;//支路灯
wire branch_yellow_led;//支路灯
//led 1亮0灭
assign main_LED[0]=~main_red_led;//主路灯
assign main_LED[1]=~main_green_led;//主路灯
assign main_LED[2]=~main_yellow_led ;//主路灯
assign branch_LED[0]=~branch_red_led;//支路灯
assign branch_LED[1]=~branch_green_led;//支路灯
assign branch_LED[2]=~branch_yellow_led ;//支路灯 
//分频模块
div div100
(
. clk(clk),
. clk_out(clk_1Hz)
);

点击链接获取代码文件:http://www.hdlcode.com/index.php?m=home&c=View&a=index&aid=934

  • 2-240R11UZ2201.doc
    下载

相关推荐