名称:多功能仿真电台数字闹钟设计Verilog代码Quartus仿真
软件:Quartus
语言:Verilog
代码功能:
多功能仿真电台数字闹钟设计
设计要求:
设计一个具有时、分、秒计时的数字钟电路,按24小时制计时。要求:
(1)准确计时,以数字形式显示时、分、秒的时间。
(2)具有分、时校正功能,校正输入脉冲频率为1Hz。
(3)具有仿广播电台整点报时的功能。即每逢59分51秒、53秒、55秒及57秒时发出声500Hz低音,在59分59秒时发出一声1kHz高音,它们的持续时间均为1秒。最后声高音结束的时刻恰好为正点时刻。
(4)具有闹钟功能,且最长闹铃时间为1分钟。要求可以任意设置闹钟的小时、分钟;闹铃信号为500Hz和1kHz的方波信号,两种频率的信号交替输出,且均持续15。设置一个停止和启动闹铃控制键,可以停止或启动输出闹铃信号。
FPGA代码Verilog/VHDL代码资源下载:www.hdlcode.com
演示视频:
设计文档:
input key_0,//F1模式设置按键--4'd0:计时,4'd1:闹钟
input key_1,//F2设置修改
input key_2,//F3修改确认
input key_3,//F4修改时分秒,闹钟关闭
使用方法:一共4个控制按键,F1~F4,F1为模式设置按键,通过这个按键可以设置当然显示的是闹钟时间还是实际计时时间,F2是修改时间按键,修改方法为,先按下F2,再按F4修改小时,修改后按下F3确认,再按F4修改分钟,修改后按下F3确认,再按F4修改秒钟,修改后按下F3确认就推出修改模式了。闹钟时间修改也是一样,就是先按F1切换到闹钟显示,再修改。闹钟响时,按下F4关闭。
1. 工程文件
2. 程序文件
3. 程序编译
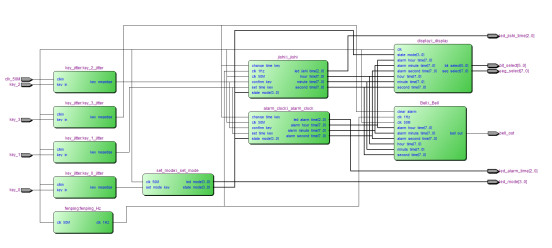
4. RTL图
5. 模块说明
按键下降沿检测模块用于检测按键是否按下、模式设置模块用于切换闹钟时间和计时时间、计时模块用于计时及设置时间,闹钟模块用于设置闹钟、显示模块用于控制数码管显示、闹铃模块用于整点报时和闹钟响铃。
6. Testbench
7. 仿真图
整体仿真图



分频模块
按键检测模块
模式设置模块
计时模块
闹钟模块
响铃模块

显示模块
部分代码展示:
//数字钟 module Digital_clock( input clk_50M, input key_0,//模式设置按键--4'd0:计时,4'd1:闹钟 input key_1,//设置修改 input key_2,//修改确认 input key_3,//修改时分秒,闹钟关闭 output [2:0] led_jishi_time,//设置时间指示灯 output [2:0] led_alarm_time,//设置闹钟指示灯 output bell_out,//闹钟 output [3:0] led_mode,//led显示当前模式--4'd0:计时,4'd1:闹钟 output [5:0] bit_select,//数码管位选 output [7:0] seg_select//数码管段选 ); wire [3:0] state_mode;//当前模式,4'd0:计时,4'd1:闹钟 wire [7:0] hour_time;//时 wire [7:0] minute_time;//分 wire [7:0] second_time;//秒 wire [7:0] alarm_hour_time;//闹钟时 wire [7:0] alarm_minute_time;//闹钟分 wire [7:0] alarm_second_time;//闹钟秒 wire key_0_negedge; wire key_1_negedge; wire key_2_negedge; wire key_3_negedge; wire clk_1Hz; //分频模块 fenping fenping_Hz( . clk_50M(clk_50M), . clk_1Hz(clk_1Hz) ); //按键下降沿检测模块 key_jitter key_0_jitter( . clkin(clk_50M), . key_in(key_0), . key_negedge(key_0_negedge) ); //按键下降沿检测模块 key_jitter key_1_jitter( . clkin(clk_50M), . key_in(key_1), . key_negedge(key_1_negedge) ); //按键下降沿检测模块 key_jitter key_2_jitter( . clkin(clk_50M), . key_in(key_2), . key_negedge(key_2_negedge) );
点击链接获取代码文件:http://www.hdlcode.com/index.php?m=home&c=View&a=index&aid=913
877