扫码加入

  • 方案介绍
  • 附件下载
  • 相关推荐
申请入驻 产业图谱

PS2键盘控制的方块弹球VGA游戏Verilog代码Quartus DE1-SOC开发板

2025/08/07
417
加入交流群
扫码加入
获取工程师必备礼包
参与热点资讯讨论

2-240Q9193334163.doc

共1个文件

名称:PS2键盘控制的方块弹球VGA游戏Verilog代码Quartus  DE1-SOC开发板

软件:Quartus

语言:Verilog

代码功能:

PS2键盘控制的方块弹球VGA游戏

玩家可通过 PS2键盘上设置的按键控制屏幕下方的挡板左右移动,将移动的小球反弹撞击障碍方块,通过障碍方块的消除个数进行计分,分数越高,小球移动速度增加,最终小球掉出挡板或障碍方块被消除完,即可结束游戏。

 

FPGA代码Verilog/VHDL代码资源下载:www.hdlcode.com

本代码已在DE1-SOC开发板验证,DE1-SOC开发板如下,其他开发板可以修改管脚适配:DE1-SOC.png

演示视频:

设计文档:

1. 工程文件

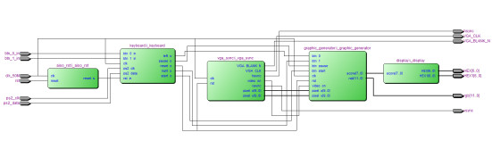
2. 顶层原理图

3. 各模块框图

4. 程序文件

5. 程序编译

6. RTL图

7. Testbench

8. 仿真图

整体仿真图

复位同步模块仿真图

键盘控制模块

VGA时序控制模块

图形控制模块

数码管显示模块

上板验证照片

部分代码展示:

//数码管显示模块
module display(score, HEX,HEX1);
   input [7:0]  score;//分数
   output [6:0] HEX;//数码管
output [6:0]  HEX1;//数码管信号
   reg [6:0]    HEX;
   reg [6:0]    HEX1;
wire [3:0] score_one;
wire [3:0] score_ten;
assign score_one=score%10;
assign score_ten=score/10;
   always @(score_one)
      case (score_one)
         4'b0000 :
            HEX <= 7'b1000000;//0
         4'b0001 :
            HEX <= 7'b1111001;//1
         4'b0010 :
            HEX <= 7'b0100100;//2
         4'b0011 :
            HEX <= 7'b0110000;//3
         4'b0100 :
            HEX <= 7'b0011001;//4
         4'b0101 :
            HEX <= 7'b0010010;//5
         4'b0110 :
            HEX <= 7'b0000010;//6
         4'b0111 :
            HEX <= 7'b1111000;//7
         4'b1000 :
            HEX <= 7'b0000000;//8
         4'b1001 :
            HEX <= 7'b0010000;//9
         default :
            ;
      endcase
   always @(score_ten)
      case (score_ten)
         4'b0000 :
            HEX1 <= 7'b1000000;//0
         4'b0001 :
            HEX1 <= 7'b1111001;//1

点击链接获取代码文件:http://www.hdlcode.com/index.php?m=home&c=View&a=index&aid=911

  • 2-240Q9193334163.doc
    下载

相关推荐