扫码加入

  • 方案介绍
  • 附件下载
  • 相关推荐
申请入驻 产业图谱

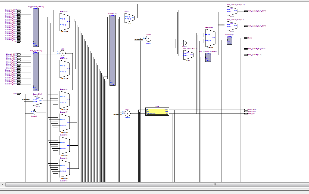
基于FPGA的8位移位相加乘法器Verilog代码Quartus仿真

2025/07/22
539
加入交流群
扫码加入
获取工程师必备礼包
参与热点资讯讨论

2-24020510403R51.doc

共1个文件

名称:基于FPGA的8位移位相加乘法器Verilog代码Quartus仿真

软件:Quartus

语言:Verilog

代码功能:8位移位相加乘法器

FPGA代码Verilog/VHDL代码资源下载:www.hdlcode.com

设计文档:

1. 工程文件

2. 程序文件

3. 程序编译

4. 资源占用

5. RTL图

6. 仿真文件

7. 仿真图

部分代码展示:

module Multiplier_8bit(mult_A,mult_B,clk,start,Done,mult_product);
input [7:0] mult_A,mult_B;   //mult_A是乘数,mult_B是被乘数
input clk,start;//start高电平时输入乘数
output Done;//乘积计算完成
output [15:0] mult_product;//乘积
reg Done;
reg [15:0] mult_product=16'd0;
reg [15:0] mult_product_buf=16'd0;
parameter INIT=2'd0;
parameter ADD=2'd1;
parameter SHIFT=2'd2;
reg[1:0] state=INIT;//初始状态为INIT
reg[15:0] mult_B_buf=16'd0;       //临时变量
integer Count=0;
always@(posedge clk)
  begin
 case(state)
INIT:
 if(start)begin
state=ADD;   //start有效跳转到下一个状态ADD
mult_B_buf[7:0]=mult_B;   //取被乘数
mult_B_buf[15:8]=8'd0;   //临时变量的高8位置0
end

点击链接获取代码文件:http://www.hdlcode.com/index.php?m=home&c=View&a=index&aid=677

  • 2-24020510403R51.doc
    下载

相关推荐