扫码加入

  • 方案介绍
  • 相关推荐
申请入驻 产业图谱

基于单片机的作息时间控制钟系统

02/10 17:21
753
加入交流群
扫码加入
获取工程师必备礼包
参与热点资讯讨论
文末下载完整资料第一节 引 言
随着计算机技术的发展和在控制系统中的广泛应用,以及设备向小型化、智能化发展,作为高新技术之一的单片机以其体积小、功能强、价格低廉、使用灵活等优势,显示出了很强的生命力。进入21世纪以来,开发推出单片机的公司很多,各种高性能单片机芯片市场也异常活跃,新技术的不断采用,更加使单片机的种类、性能以及应用领域不断扩大和提高。台湾凌阳科技公司推出的16位单片机SPCE061A的问世,使得16位单片机的科技含量及应用跃上一个新的台阶。因其功耗低,超高型,低成本,功能完整,在国内越来越受到用户的重视和广泛使用。
本设计是一个具有报时功能的作息时间控制钟。它利用SPCE061A单片机的2Hz时基计时,进行年历计算,并用SPCE061A的语音功能将它报出来;在进行时间计算,分每加一时,都与规定的作息时间比较,如果相等则进行相应的控制或动作。由键盘、声音输出模块和指示灯三部分组成,系统扩展三个按键用于报时及校正时间。现代机关企业,特别是学校要求对时间加以控制,要按时打铃及播放广播,以保证学习与工作的正常运行。本设计实现了这些功能,给学校及其他机关企业带来方便,整体性好,人性化强、可靠性高,实现了对时间控制的智能化。

1.1 作息时间控制钟概述
科技的进步需要技术不断的提升。一块大而复杂的模拟电路花费了您巨大的精力,繁多的元器件增加了您的成本。而现在,只需要一块几厘米见方的单片机,写入简单的程序,就可以使您以前的电路简单很多。相信您在使用并掌握了单片机技术后,不管在您今后开发或是工作上, 一定会带来意想不到的惊喜。 以凌阳16位单片机SPCE061A为核心控制器件的作息时间控制钟,由键盘、声音输出模块和指示灯三部分组成。它利用SPCE061A单片机的2Hz时基计时,进行年历计算,并用SPCE061A的语音功能将它报出来。SPCE061A单片机是整个设计的核心控制器件,根据从键盘接受的数据控制整个系统的工作流程。整体性好,人性化强、可靠性高,实现了对时间控制的智能化,摆脱了传统由人来控制时间的长短的不便,是现代学校必不可少的设备。

1.2 本设计任务和主要内容
本设计是一个具有报时功能的作息时间控制钟。它利用SPCE061A单片机的2Hz时基计时,进行年历计算,并用SPCE061A的语音功能将它报出来;在进行时间计算,分每加1时,都与规定的作息时间比较,如果相等则进行相应的控制或动作。假定某高校的作息时间如下所示:
08:00-------08:50 第一节课
09:00-------09:50 第二节课
09:52-------10:05 课间操
10:10-------11:00 第三节课
01:10-------12:00 第四节课
12:00-------13:30 午间休息
13:30-------14:20 第五节课
14:30-------15:20 第六节课
15:21-------15:50 播放歌曲
SPCE061A的DAC为电流型输出,经负载电阻R1、三极管Q1放大驱动扬声器SPEAKER放音,SPEAKER可选用4Ω或8Ω扬声器。IOA15接一个LED,到规定的作息时间用LED闪烁来表示,使用者可根据具体需要来控制电铃、播放提示语等。凌阳芯片的工作电压为3.3v,我们给出了获得工作电压两种方法。
方法1、通过两个二极管连续降压使5v的电压降至3.6v,接近3.3v供芯片使用,这种方法比较简单,但电压值不是很精确。见图1-1

在这里插入图片描述

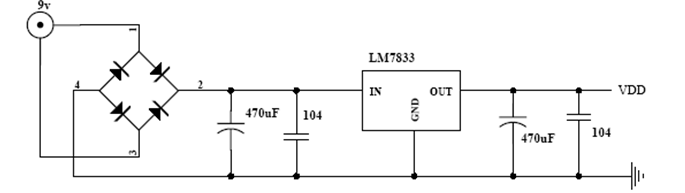
方法2、通过LM7833可获得准确的3.3V电压。见图1-2

在这里插入图片描述

第二节 系统主要硬件电路设计
硬件设计是整个系统的基础,要考虑的方面很多,主要考虑以下几个因素:
①系统稳定度;;
②器件的通用性或易选购性;
③ 软件编程的易实现性;
④系统其它功能及性能指标;因此硬件设计至关重要。现从各功能模块的实现逐个进行分析探讨。
2.1 单片机控制系统原理
本设计单片机为控制核心,模块化设计,共分以下几个功能模块:键盘模块、声音输出模块和指示灯模块。硬件连接图见图2-1

在这里插入图片描述

第3节 系统的软件设计
硬件平台结构一旦确定,大的功能框架即形成。软件在硬件平台上构筑,完成各部分硬件的控制和协调。系统功能是由软硬件共同实现的,由于软件的可伸缩性,最终实现的系统功能可强可弱,差别可能很大。因此,软件是本系统的灵魂。软件采用模块化设计方法,不仅易于编程和调试,也可减小软件故障率和提高软件的可靠性。同时,对软件进行全面测试也是检验错误排除故障的重要手段。由于编程多涉及到数值运算,比较复杂,用我们平时常用的汇编语言编程是很难实现的,这里我们选用了移值性好、结构清晰、能进行复杂运算的C语言来实现编程。
3.1 软件主程序
程序按照结构化程序设计,所有功能都可通过调用子程序完成,主程序较简单,流程见0。具有低功耗的睡眠模式,在睡眠模式下功耗电流可降到几个μΑ,这对于用电池供电的系统非常重要,睡眠模式可以通过按键中断唤醒。

在这里插入图片描述

 

 

全套资料免费下载:
关注v-x-公-众-号:【嵌入式基地
后-台-回-复:【毕业设计】 即可获资料
回复【编程】即可获取
包括有:C、C++、C#、JAVA、Python、JavaScript、PHP、数据库、微信小程序、人工智能、嵌入式、Linux、Unix、QT、物联网、算法导论、大数据等资料

在这里插入图片描述

相关推荐