• 方案介绍
  • 相关推荐
申请入驻 产业图谱

基于单片机的数字钟设计

02/10 17:06
121
加入交流群
扫码加入
获取工程师必备礼包
参与热点资讯讨论
文末下载完整资料摘 要
基于单片机的定时和控制装置在许多行业有着广泛的应用,而数字钟是其中最基本的,也是最具有代表性的一个例子。
在基于单片机系统的数字钟电路中,除了基本的单片机系统和外围电路外,还需要外部的控制和显示装置。本电路主要以单片机AT89S52为核心而设计的,通过单片机对信息的分析与处理,控制外围设备。系统由复位模块、时钟模块、温度模块、音乐模块、光识模块及显示模块共六个模块组成,后来在时钟模块的基础上又加载了日历、星期的模块。
本设计以单片机AT89S52为切入点,通过使用AT89S52的内部的可编程定时器/计数器,结合对外接晶振的调节来确定一个合适的振荡周期,从而确定出内部的机器周期。再通过对内部中断程序的设置来设计出时钟程序,即设计出了电子时钟的核心。然后在核心电路的基础上设计出了相应的扩展电路,使本设计更加实用。关键词:单片机;数码显示;温度传感器更多单片机毕业设计项目,请点击查看

2.1单片机的发展
单片机自问世以来,性能不断提高和完善,其资源又能满足很多应用场合的需要,加之单片机具有集成度高、功能强、速度快、体积小、功耗低、使用方便、价格低廉等特点,因此,在工业控制、智能仪器仪表、数据采集和处理、通信系统、高级计算器、家用电器等领域的应用日益广泛,并且正在逐步取代现有的多片微机应用系统。单片机的潜力越来越被人们所重视。特别是当前用CMOS工艺制成的各种单片机,由于功耗低,使用的温度范围大,抗干扰能力强、能满足一些特殊要求的应用场合,更加扩大了单片机的应用范围,也进一步促使单片机性能的发展。而现在单片机在液晶显示上也有了很多的应用。
随着科技不断进步,各种显示技术如雨后春笋般诞生,由于液晶显示器(LCD)具有轻薄短小、低耗电量、无辐射危险,平面直角显示以及影像稳定不闪烁等优势,在近年来价格不断下跌的吸引下,逐渐取代CRT之主流地位,显示器明日之星架势十足。液晶显示器件从初期的实验室到现在的生产厂家,已形成较大规模的生产能力,使液晶显示形成了独立的产业部门。而今,液晶显示已经应用于人们生产、生活中的各个领域,人们时时处处都要与这一神奇而又普通的产品打交道。液晶显示技术以它跨越多学科的工作原理,高技术、专业化的制造工艺使它披上了一层神秘的面纱,而它轻巧薄形的体态,独特而理想的性能以及广泛的应用价值,又使它充满魅力,深深地吸引着人们。

2.2 单片机的开发背景
现代工业控制和一些智能化仪器仪表中,越来越多的场所需要用点阵图形显示器显示汉字。液晶显示器是人与机器沟通的重要界面,而且液晶显示器也有如下特点,开发出来会有很大的应用空间。液晶显示器目前发展最快,也已经成为电子信息产业的支柱性产业之一,受到普遍关注与重视。那么液晶显示器与传统的显示器相比,到底有什么新的特点呢?
⑴ 质量高 由于液晶显示器每一个点在收到信号后就一直保持那种色彩和亮度,恒定发光,而不像阴极射线管显示器(CRT)那样需要不断刷新亮点。因此,液晶显示器画质高而且绝对不会闪烁,把眼睛疲劳降到最低。
⑵ 没有电磁辐射 传统显示器的显示材料是荧光粉,通过电子束撞击荧光粉而显示,电子束在打到荧光粉上的一刹那间会产生强大的电磁辐射,尽管目前有许多显示器产品在处理辐射问题上进行了比较有效的处理,尽可能地把辐射量降到最低,但要彻底消除是困难的。相对来说,液晶显示器在防止辐射方面具有先天的优势,因为它根本就不存在辐射。
⑶ 可视面积大 对于相同尺寸的显示器来说,液晶显示器的可视面积要更大一些。液晶显示器的可视面积跟它的对角线尺寸相同。阴极射线管显示器显像管前面板四周有一英寸左右的边框不能用于显示。
⑷ 应用范围广 最初的液晶显示器由于无法显示细腻的字符,通常应用在电子表、计算器上。而随后出现的DSTN和TFT则被广泛制作成电脑中的液晶显示设备,DSTN液晶显示屏用于早期的笔记本电脑;TFT则既应用在笔记本电脑上(现在大多数笔记本电脑都使用TFT显示屏),又用于主流台式显示器上。
⑸ 画面效果好 与传统显示器相比,液晶显示器一开始就使用纯平面的玻璃板,其显示效果是平面直角的,让人有一种耳目一新的感觉。而且液晶显示器更容易在小面积屏幕上实现高分辨率。
⑹ 数字式接口 液晶显示器都是数字式的,不像阴极射线管彩显采用模拟接口。也就是说,使用液晶显示器,显卡再也不需要像往常那样把数字信号转化成模拟信号再行输出了。理论上,这会使色彩和定位都更加准确完美。

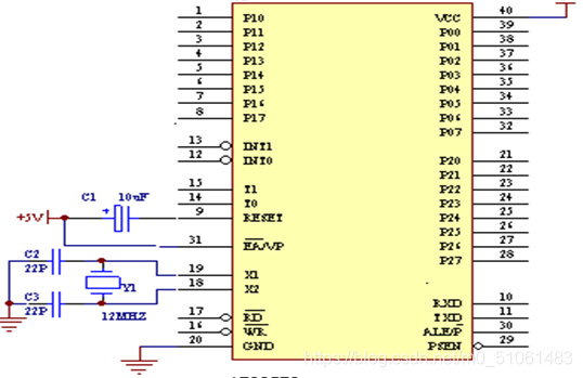
2.3.3 AT89S52单片机的硬件原理
⑴ 如图所示,图为单片机的基本外围电路。20管脚接地,40管脚接+5V电源,为单片机工作提供电源。18及19管脚接晶振,为单片机提供时钟信号,晶振为12MHz。晶振的振荡频率越高,系统的时钟频率越高,单片机工作的速度也越高。对于液晶显示电路的设计,需要单片机有较高的工作效率,所以选择比较高频率的晶振,从而提高液晶屏幕的刷新速率,获得更加连贯、流畅的图像显示。根据需要还可以加上复位电路,复位是单片机的初始化操作。或者当单片机程序运行出错导致死锁状态的时候,为摆脱困境,也需要按复位键以重新启动。

在这里插入图片描述
在这里插入图片描述

3. 方案设计与论证
按照系统设计功能的要求,初步确定设计系统由复位模块、时钟模块、音乐模块、光识模块及显示模块共五个模块组成,后来在时钟模块的基础上又加载了日历、星期的模块,为了使本设计中的数字钟的功能更加完善和强大,最后又将温度显示加入了设计方案中。
首先以单片机AT89S52为入手点,通过使用AT89S52的内部的可编程定时器/计数器,结合对外接晶振的调节来确定一个合适的振荡周期,从而确定出内部的机器周期。再通过对内部中断程序的设置来设计出时钟程序,即设计出了电子时钟的核心。
根据题目的要求,我设计了以下方案:
设计中加载了年、月、日的设计,刚开始时打算用18个共阳数码管,考虑到数码管太多是毕会给硬件电路带来麻烦,经过考虑后,决定把年、月、日与时间设置到一组数码管上来,即六个数码管即能显示时间又能显示年、月、日,这样一来就方便了硬件电路。
主控芯片使用51系列AT89S52单片机,温度模块设计中,温度元件采用AD590,利用AD590以及接口电路把温度转换成模拟电压,经由ADC0804转换成数字信号,然后经AT89S52处理显示温度。但由于AD590价钱比较贵,且只能转换成模拟电压,这样一来硬件就要增加更多的器件且又不经济,经查找发现18B20温度传感器价钱便宜且可以直接把温度转换成数字量测温范围为-55—125度,最大分辨率可达0.0625度,采用3线制与单片机相连,减少了外部的硬件电路,具有低成本和易使用的特点,所以我选择了18B20温度传感器。
在音乐模块的设计中,我决定采用音乐芯片,这样可以避免对铃声音乐的编程,即节省了时间,又减少了在程序中发生错误的可能性。

4. 系统总体结构框图

在这里插入图片描述

5. 系统的硬件设计
电路是由控制部分和显示部分两大部分组成。利用单片机程序进行控制,并通过数码管进行显示。
5.1 显示部分电路的设计
5.1.1 LED数码显示管的基本原理
用单片机驱动LED数码管有很多方法,按显示方式分,有静态显示和动态显示,按译码方式可分为硬件译码和软件译码。
静态显示是显示驱动电路具有输出锁存功能,单片机将要显示的数据送出后不再控制LED,直到下次显示时再传送一次新的显示数据。静态显示的数据稳定,占用CPU时间少。
动态显示要CPU时刻对显示器件进行刷新,显示数据有闪烁感,占用CPU时间多。
这两种显示方式各有利弊:静态显示虽然数据显示稳定,占用很少的CPU时间,但每个显示单元都需要单独的显示驱动电路,使用的电路硬件较多;动态显示虽然有闪烁感,占用的CPU时间多,但使用的硬件少,能节省线路板空间。
动态扫描显示接口是单片机中应用最广泛的一种显示方式。其接口电路是把所有LED显示器的8个笔划段A~D、DP的同名端连在一起,而每一个数码管的公共端COM是各自独立地受I/O线控制。CPU向字段输出口送出字形码时,所有显示器接受到相同的字形码,但究竟是哪个显示器亮,则取决于COM端,而这一端是由I/O控制的,可以自行决定何时显示哪一位了。而所谓动态扫描就是指我们采用分时的方法,轮流控制各个显示器的COM端,是各个显示器轮流点亮。
在轮流点亮扫描过程中,每位显示器的点亮时间是极为短暂的,约1ms左右,但由于人的视觉暂留现象及发光二极管的余辉效应,尽管实际上各位显示器并非同时点亮,但只要扫描的速度足够快,给人的印象就是一组稳定的显示数据,不会有闪烁感。
从上述的论述中,可以看出动态显示方案具备一定的实用性,也是目前单片机数码管显示中较为常用的一种显示方法。所以,本设计也采用动态显示方案。
5.1.2 数码管显示模块分析
电路先通过电源电路送出+5V电压,单片机AT89S52通过74LS47和CD4515(4—16译码器)驱动数码管显示数值, 显示部分采用普通共阳极数码管显示,采用动态扫描,以减少硬件电路。考虑到一次扫描12位数码管显示时会出现闪烁情况,设计时分两排显示,一排显示时间和年月日,一排显示星期和温度, 共阳极数码管中8个发光
二极管的阳极(二极管正端)连在一起。通常,公共阳极接高电平(一般接电源),其它管脚接段驱动电路输出端。当某段驱动电路的输入端为低电平时,该端所连接的字段导通并点亮。根据发光字段的不同组合可显示出各种数字或字符。此时,要求段驱动电路能吸收额定的段导通电流,还需根据外接电源及额定段导通电流来确定相应的限流电阻。采用动态显示方式,比较节省I/O口,硬件电路也较静态显示简单,但其亮度不如静态显示方式,而且在显示位数较多时,CPU要依次扫描,占用CPU较多时间。
为了提供共阳LED数码管的驱动电压,用三极管9012作电源驱动输出。采用12MHz晶振,有利于提高秒计时的精确性。;

5.1.3 LED显示电路

在这里插入图片描述

5.2 控制部分电路的设计
5.2.1 时钟模块
利用芯片内部的振荡器,然后在引脚XTAL1和引脚 XTAL2两端接晶体谐振器,就构成了稳定的自激振荡器,其发出的脉冲直接送入内部的时钟电路,如图外接晶振时,C1和C2的值通常选择30pF; C1、C2对频率有微调作用,晶体谐振器的频率12MHz。为了减少寄生电容,更好地保证振荡器稳定、可靠地工作,振荡器和电容应尽可能安装得与单片机芯片靠近。设置了12—24两种显示状态,调整计时的按键、设置定时的按键且定时设置了3次定时、还另加载了星期、年、月、日的调整及闰年的自动调整。

5.2.2 温度模块
主要由18B20通过单片机AT89S52中的温度程序不断的检测温度来显示温度。
18B20温度传感器工作原理:DS18B20温度传感器是美国DALLAS半导体公司最新推出的一种改进型智能温度传感器,与传统的热敏电阻测温元件相比,它能直接读出被测温度,并可根据实际要求通过简单的编程实现9—12位的数字值读数方式,DS18B20的性能特点如下:
1、独特的单线接口仅需要一个引脚进行通信;
2、多个DS18B20可以并联在唯一的三线上,实现多点组网功能;
3、无须外部器件;
4、可通过数据线供电,电压范围为3.0—5.5V;
5、零待机功耗;
6、温度以9或12位数字量读出;
7、用户可定义的非易失性温度报警设置;
8、报警搜索命令识别并标志超过程序限定温度(温度报警条件)的器件;
9、负电压特性,电源极性接反是,温度计不会因发热而烧毁,但不能正常工作。
5.2.3 音乐模块
通过LM386N-1给扬声器信号来发出音乐,这个模块主要是为时钟定时到时发出音乐闹铃,而在软件部分设置了可以一次设置3次定时,每次定时到时,音乐程序中编了6种音乐,它可以自动选择6种音乐中的任一音乐响1分钟,如果中间不想让闹铃响可以按一按键,闹铃就立刻停止。
5.2.4 复位模块
单片机复位电路是使CPU和系统中的其他功能部件都处在一个确定的初始状态,并从该状态开始工作,例如复位后PC=0000H,使单片机从第一个单元取指令。无论是在单片机刚接上电源时,还是断电后或者发生故障后都要复位。
电路图为:
6.2 系统程序设计的总体框图

在这里插入图片描述

 

全套资料免费下载:
关注v-x-公-众-号:【嵌入式基地
后-台-回-复:【毕业设计】 即可获资料
回复【编程】即可获取
包括有:C、C++、C#、JAVA、Python、JavaScript、PHP、数据库、微信小程序、人工智能、嵌入式、Linux、Unix、QT、物联网、算法导论、大数据等资料

在这里插入图片描述

相关推荐