扫码加入

  • 正文
  • 推荐器件
  • 相关推荐
申请入驻 产业图谱

单节锂电池5V/2A 升 9V/1A 异步升压芯片,为电子设备注入新活力!

2024/05/23
813
加入交流群
扫码加入
获取工程师必备礼包
参与热点资讯讨论

在当今的科技时代,电子设备的性能和功能不断提升,对电源管理的要求也日益提高。我们给您介绍这款DC-DC 5V/2A 升 9V/1A 异步升压芯片,它将为您的电子设备带来全新的变革。

FP6298XR-G1引脚图:

这款FP6298XR-G1电流模式升压DC-DC单节电池5V/2A升9V/1A-10W异步升压调节器,内置PWM电路0.08Ω功率MOSFET,确保高效稳定的电压升压转换。专为满足您对电源要求的需要而设计,内置过温保护、过流保护过压保护功能,保障您的设备安全可靠使用。

独特的内部补偿网络设计,还可以最小化多达6个外部组件计数,让您的操作更加简便便捷。精确度高达0.6V的参考电压,保证了稳定性和可靠性,误差放大器让电压输出更加精准可靠。

FP6298XR-G1应用电路图

FP6298XR-G1 DEMO板:

 

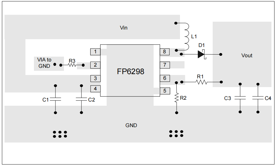
FP6298XR-G1建议布局图:

其他单节锂电池升压芯片:

无论是移动设备充电还是电子产品供电,这款升压调节器都能满足您的需求。轻巧便携,操作简单,是电子设备中的得力助手。选择我们,选择更安全、更稳定的电源解决方案!

深圳市雅欣控制技术有限公司是一家专业IC芯片代理售卖及方案开发的高新技术企业。历经20年的发展,是Feeling、MST和GOFORD在深圳的一级代理商。现我司主要致力于推广销售电源管理、LED驱动、霍尔IC和MOS管等产品系列。我们有专业的工程开发能力,为您提供最优化的解决方案、高质量的产品以及完善的技术培训和咨询服务。

推荐器件

更多器件
器件型号 数量 器件厂商 器件描述 数据手册 ECAD模型 风险等级 参考价格 更多信息
ATXMEGA32A4U-AU 1 Microchip Technology Inc IC MCU 8BIT 32KB FLASH 44TQFP

ECAD模型

下载ECAD模型
$3.78 查看
ATMEGA2560-16AU 1 Microchip Technology Inc IC MCU 8BIT 256KB FLASH 100TQFP

ECAD模型

下载ECAD模型
$13.68 查看
ATXMEGA256A3U-AU 1 Atmel Corporation RISC Microcontroller, 16-Bit, FLASH, AVR RISC CPU, 32MHz, CMOS, PQFP64, 14 X 14 MM, 1 MM THICKNESS, 0.80 MM PITCH, GREEN, PLASTIC, MS-026AEB, TQFP-64

ECAD模型

下载ECAD模型
$6.75 查看

相关推荐