扫码加入

  • 正文
  • 相关推荐
申请入驻 产业图谱

IU8693E:拥有低空AM抑制的155W单声道D类功放

2025/09/05
1401
加入交流群
扫码加入
获取工程师必备礼包
参与热点资讯讨论

随着汽车电子、家庭影音及应急设备对音频性能要求的不断提升,高功率、高可靠性的音频放大器需求日益增长。今天为大家介绍一款单声道D类音频功率放大器IU8693E,在适宜电源电压下,其输出功率最高可达155W,效率更是高达92%,完美适配中高功率音频场景。

IU8693E采用表面贴装技术,顶层设计散热焊盘,搭配散热器后可实现145W以上持续功率输出,45V耐压设计大幅提升可靠性,能有效降低生产不良率。它支持5V-36V宽电源电压输入,可驱动低至2Ω的负载,内置过流、短路、过热三重保护,其中短路保护触发后110ms即可自动恢复,过热保护在温度超过170℃时启动,温度下降20℃后恢复正常工作,全方位保障器件安全。此外,该器件还具备AM抑制功能以优化音质,差分输入设计增强抗干扰能力,静态电流仅15mA@24V,节能表现优异。

封装与适配场景上,IU8693E提供EQB28封装,尺寸与SOP16一致且顶部带散热片,能节省PCB面积,额定工作温度范围为-40℃至85℃。其应用场景广泛,不仅能满足车载音频对功率和稳定性的需求,还可用于家庭音响系统以呈现高保真音质,同时在对环境适应性和响应速度要求严苛的紧急呼叫场景中也能稳定发挥。

若你需要进一步调整增益,IU8693E的GAIN管脚支持三段增益选择,分别对应不同的集成输入电阻与反馈电阻;若需限制输出功率,可通过设定PLIMIT引脚上的电压控制最大占空比来实现,搭配推荐的6A以上饱和电流电感,能让系统性能更稳定。

一、IU8693E的特性

输出功率(THD+N=10%)

VDD=24V@RL=4Ω 75W;@RL=2Ω 145W(瞬时)

VDD=28V@RL=4Ω 112W;@RL=3Ω 145W

VDD=30V@RL=4Ω 130W

VDD=32V@RL=4Ω 145W

VDD=34V@RL=4Ω 155W

VDD=36V@RL=8Ω 99W

单电源供电,宽电源电压范围:5V~36V

高可靠性设计:45V耐压

设计效率:92%@PVCC=15VPO=20W

三段增益可选

静音功能控制

音频系统带滤波网络,静态电流15mA@24V

多重开关频率可选:AM抑制功能

输出管脚方便布线布局

良好短路保护和具备自动恢复功能的温度保护

良好的失真和防噗声功能

差分输入

增强型封装设计:顶层散热焊盘的特殊设计符合汽车的应用要求

二、IU8693E的应用信息

1、典型应用图

2、引脚排列及定义

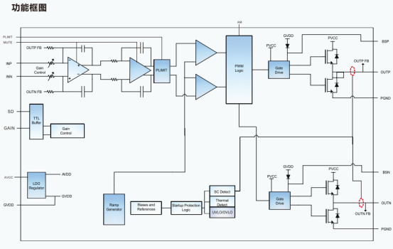
3、功能框图

4、PCB建议

为了提供音频系统的设计可靠性能,请在设计IU8693E的PCBLayout时候,要特别注意以下几点:芯片的大电流路径为;VIN→芯片PVCC→GND。大电流路径的走线规则为尽可能的粗以减小PCB走线带来的阻抗。IU8693E的供电脚,必须贴两个陶瓷电容10uF和1uF,并尽可能的靠近芯片管脚。供电电解电容建议用470uF/50V。所有的GND包括各个电容的GND都应该有良好的连接,可以就近与大面积GND的铜箔相连接,尽可能的减小地回路阻抗和感抗。

相关推荐