扫码加入

  • 正文
  • 相关推荐
申请入驻 产业图谱

光耦继电器的优点有哪些?

23小时前
137
加入交流群
扫码加入
获取工程师必备礼包
参与热点资讯讨论

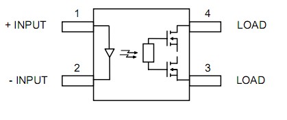
  光耦继电器是指含有一个MOSFET光耦合LED的继电器。光耦继电器是指发光器件和光接收器件的集成。与机械继电器相比,光耦合继电器具有使用寿命长、电流驱动小、响应快等优点,可用于各种用途,也可用于微信号和模拟信号开关

光耦合继电器是包含MOSFET光耦合LED的光耦合。光继电器是集成发光装置和光学装置的部件。

光耦继电器与长寿命、低电流驱动和快速响应等机械继电器相比有很多优势。可应用于多种用途及小信号和模拟信号开关。

光耦合继电器广泛用于半导体测试系统、安全系统等接触开关。例如,欧姆龙提供用于半导体测试系统应用的超小型DIP系列、SOP4针负载电压60V、SOP4针负载电压80V、SOP4针负载电压2000V、SOP4针负载电压350V、400V、SOP6针系列封装的MOSFER光电耦合器继电器。

光耦继电器(MOS输出)功能:

比无接触大,所以没有接触的磨损使用寿命是无限的。

比没有振动和跳跃还要大。抗冲击,抗冲击性;

比没有运动的声音大。

比小尺寸(包括内嵌和补丁软件包)更大,可靠性更高。

光耦合器是20世纪70年代发展起来的一种新设备。已广泛应用于电气绝缘、电平转换、级联、驱动电路、开关电路、斩波器、多谐振器、信号隔离、级间分离、脉冲放大电路、数字仪器、远距离信号传输、脉冲放大、固态继电器(SSR)、仪器、通信设备、计算机接口等。光耦合继电器广泛应用于半导体测试系统、安全系统等。

优点有:

1.没有机械接触,所以不会有电击磨损,使用寿命是无限的。信号传输单向,输入输出完全电气隔离输出信号对输入无影响,抗干扰能力强,运行稳定,无接触,使用寿命长,传输效率高。在单片机开关电源中,可以用线性光耦构成光耦反馈电路,通过调节控制端的电流来改变占空比,从而达到精确稳压的目的。

2.没有运动声音,安静和环境友好。

3.无振动或弹跳、抗冲击和抗跌落。

4.小型、安全和可靠。

5.同时使用AC/DC。

6.高速切换。

7.低放电电压

8.低工作电流,低开路漏电电流。

9.输入和输出完全绝缘。

10.可控制各种载荷。

11.可控制各种负载(继电器、灯、发光二极管、加热器、电机、电磁吸入等)。

先进光半导体由南方先进联合日本归国华侨杨振林博士团队合资成立,以南方先进为主要投资方、杨博士团队为技术核心的一家专业从事光电器件、光耦合器、光耦继电器等光电集成电路以及光电驱动等产品,研发团队涵盖设计、制造、销售和服务的高新技术企业,先进光半导体拥有先进的光电器件全自动生产线,具有年产8000万只光电光耦器件的生产能力。现阶段先进光半导体的光耦继电器、光耦合器等主要产品用于:蓄电系统.智能电表.自动检测设备.电信设备.测量仪器.医疗设备.通信设备.PC端.安防监控.O/A设备.PLC控制器.I/O控制板等,依托于光半导体综合的设计技术和芯片制造技术优势,先进光半导体期望在有广阔发展前景的光电控制领域深耕,逐步提升产品的技术附加值,扩充技术含量更高的产品线。

 

以上就是本文的全部内容,如果觉得本文对您有所帮助,请持续关注本司网站https://www.a-semi.com以及“先进光半导体”微信公众号,我们将给您带来更多新闻资讯和知识科普!

相关推荐