扫码加入

  • 正文
  • 相关推荐
申请入驻 产业图谱

【应用】XBLW LM2577 DCDC升压转换器在蓝牙音箱电源中的应用

01/14 09:26
803
加入交流群
扫码加入
获取工程师必备礼包
参与热点资讯讨论

在便携式蓝牙音箱的紧凑设计中,一个高效、稳定且能提供充沛功率的电源系统,是保证长续航与高品质音频输出的基石。XBLW LM2577作为一款经典的52KHz、3A升压(Boost)DC/DC转换器,凭借其宽输入电压范围、高转换效率与简洁的外围电路,成为连接电池与功放芯片之间的理想“能量桥梁”,助力蓝牙音箱实现小体积、大能量的设计目标。

一、应用简介:解决蓝牙音箱的供电痛点

便携蓝牙音箱通常采用3.7V锂电池供电,其电压无法直接满足多数D类功放芯片对更高电压的需求,以获得更大输出功率和更好动态范围。而XBLW LM2577是一款集成了3A、65V耐压NPN开关管的单片集成电路,适用于升压、反激及正激型开关稳压器设计。该芯片仅需极少外部元件即可构建完整升压电源,显著降低系统成本与复杂度。它提供固定输出(12V、15V)和可调输出版本,封装形式包括TO-220-5和TO-263-5,非常适合蓝牙音箱产品。

二、在蓝牙音箱中的核心优势

宽压输入适配电池特性:5V至40V的输入范围,覆盖锂电池的整个放电曲线(从满电到截止电压),确保音箱在电池电量下降时,功放供电依然稳定,音量不减。

高效转换延长续航:典型效率超过80%,极大减少了升压过程中的能量损耗,将更多电池能量用于驱动扬声器,显著提升播放时间。

3A持续输出能力:可轻松应对功放芯片在大音量输出时的峰值电流需求,保证声音不失真、动态不压缩。

小体积与低成本:固定频率、集成开关管的设计,使得外围仅需电感二极管电容等少量元件,非常有利于在音箱有限的内部空间进行布局,并控制整体成本。

内置保护提升可靠性:集成的热关断、电流限制功能,有效防止因过载、短路或环境高温导致的永久性损坏,提升产品耐用性。

三、典型电源架构方案

在一个典型的单节锂电池供电蓝牙音箱中,电源架构通常如下:

说明:升压后的主电压(如12V)直接供给功放。系统中其他低压芯片(如蓝牙模块MCU)的电源,可通过后级LDO或另一路小电流降压电路从该高压转换获得,实现单电芯供电多电压需求。

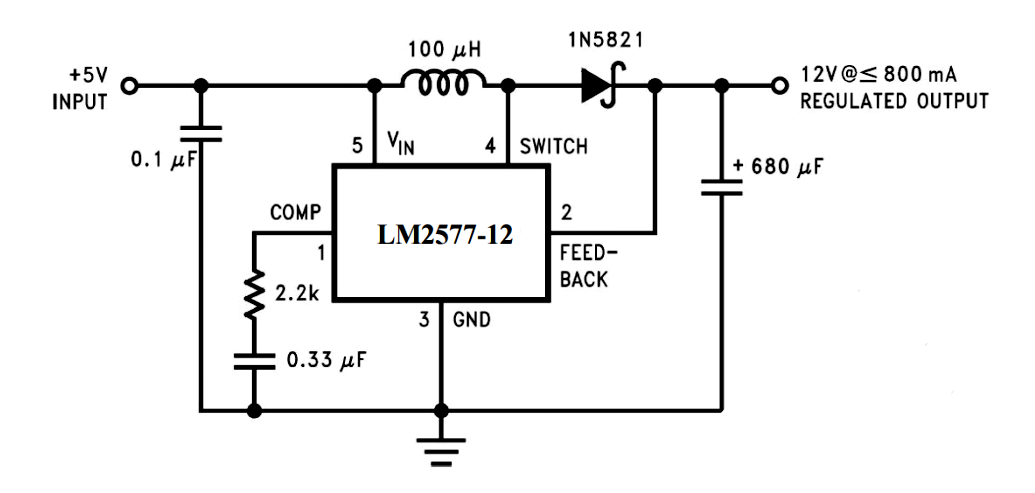
应用电路原理图(以升压至12V为例):

 四、关键元件选型与设计要点

1.  输出电容 (Cout):

- 作用:除了滤波,它在功放大动态爆发时提供瞬时电流,抑制电源电压跌落,对保障低频力度和瞬态响应至关重要。

- 选型:建议采用低ESR的普通电解电容。并辅以多个小容量陶瓷电容进行高频去耦。低ESR是降低音频频段电源噪声的关键。

2.  续流二极管 (D1):

- 必须使用肖特基二极管,因其极低的正向压降(约0.3-0.5V),能有效减少开关损耗,提升整机效率。

型号示例:对于12V输出,可选择1N5822 (3A, 40V) 或SS34等SMD肖特基二极管。其耐压需高于输出电压。

 PCB布局与噪声控制:

电流环路最小化:电池正极→电感→芯片SW引脚→地,这个高频开关环路面积必须尽可能小,以降低电磁辐射(EMI)。

敏感区域隔离:反馈电阻分压网络(FB引脚)的走线应远离电感和二极管等噪声源。

散热处理:即使效率较高,在大功率输出时芯片仍会产生热量。务必按照数据手册建议,将芯片的散热焊盘充分焊接在PCB的大面积铜箔上,并通过过孔连接到背面铜层辅助散热。

五、总结

在便携蓝牙音箱的设计中,XBLW LM2577提供了一种高效、可靠且经济的电池升压解决方案。它成功解决了单节锂电池电压不足的瓶颈,使小巧的音箱能够驱动需要更高供电电压的优质功放芯片,从而获得更洪亮的音量、更丰富的细节和更有力的低频表现。其高效率和良好的保护特性,直接贡献于产品的长续航与高可靠性。通过精心的外围元件选型和PCB布局设计,工程师可以最大限度地发挥XBLW LM2577的性能,为用户带来持久且悦耳的音乐体验。

六、客户定制方案与选型

芯伯乐XBLW产品专注于消费类和工业类市场。为客户产品提供专属定制化服务,主要研发方向为信号链及电源管理,产品有DC-DC开关控制器运算放大器、精密运放线性稳压器、时钟与计时芯片、接口RS485/RS232、AC-DC控制器、马达驱动、MOS管、达林顿、逻辑电路及EEPROM存储器等系列。产品广泛应用于无人机、机器人、电源、计算机、仪器仪表、家电、通讯设备、照明应用、汽车电子、工业自动化设备等领域。

相关推荐