扫码加入

  • 正文
  • 相关推荐
申请入驻 产业图谱

CS5501:3~16V,低功耗6uA IQ,直通跟随模式,1MHz@1.5A DC-DC降压稳压器

01/24 08:40
846
加入交流群
扫码加入
获取工程师必备礼包
参与热点资讯讨论

CS5501R是一款低功耗、高效率的CMOS降压DC/DC稳压器输入电压范围3~16V,最大输出电流1.5A,适用于IOT、白色家电、智能家居、单节/多节锂电供电系统、多节干电池系统及12V电源供电系统。采用纤小的SOT23-6L封装(3000颗/卷,7英寸卷带,8mm宽度),工作环境温度-40℃~85℃,结温范围-40℃~125℃,ESD防护达±2KV(HBM),静态电流仅6A,待机电流低至1A,符合RoHS标准且无卤素,适配移动设备及低功耗场景需求。

核心功能亮点突出,支持PWM/PFM自动切换控制,能在宽负载范围内保持高效率与低纹波,最大效率可达95%,输出纹波小于±0.4%。具备独特的直通跟随模式,当输入电压与设定输出电压差值小于0.1V时,输出电压会跟随输入电压变化,直至输入电压低于设定输出电压,适配低压差供电场景。内置0.6V基准电压,输出电压可通过FB引脚外接分压电阻灵活设定,振荡频率固定为1MHz,响应速度快。

保护机制完善,集成过压、过流、过热、短路保护电路,当工作参数超过控制值时会自动断开,有效保护芯片及后端设备。过流保护的峰值电流限制为1.8A,功率管内阻上管145mΩ、下管85mΩ,性能稳定。使能控制端(EN)高电平(最低1.2V)时芯片工作,低电平(最高0.4V)时芯片关闭,操作便捷。

一、CS5501的特性

高效率:最大效率可达到95%

最大电流输出能力:1.5A

低功耗,静态电流小于:6μA

工作电压范围:3~16V

基准电压0.6V

输出纹波:<+0.4%

当VIN-VOUT(设置)<0.1V以内,进入直通跟随模式

100%占空比工作,可实现输出电压跟随输入

PWM/PFM自动切换占空比自动可调以保持很大负载

范围内的高效率,低纹波

符合Rohs标准且无卤素

SOT23-6封装

二、CS5501的应用信息

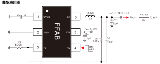
1、典型应用图

2、引脚排列及定义

3、功能框图

4、基础参数

相关推荐