扫码加入

  • 正文
  • 相关推荐
申请入驻 产业图谱

CS8755:四段增益选择,静音控制,开关频率可选

03/19 08:48
122
加入交流群
扫码加入
获取工程师必备礼包
参与热点资讯讨论

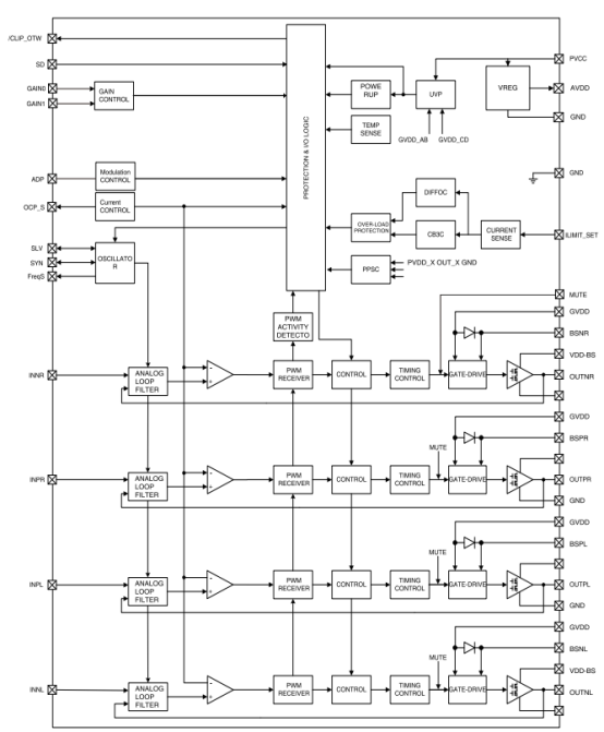
CS8755E 是一款高功率、多功能的 D 类音频功率放大器,支持 2×125W 立体声与 250W 单声道输出,主打四段增益选择、静音控制与多模式适配,采用带顶层散热焊盘的 EFB40 封装,额定工作温度 - 20℃至 85℃,适配车载音频、家庭音响等大功率音频场景,兼具高可靠性与灵活调控性能。

芯片具备 8V~42V 宽单电源供电范围,55V 高耐压设计大幅提升工作稳定性,降低生产不良率,最高效率可达 92%(PVCC=15V、Po=2×20W 工况),静态电流支持低功耗可选 ——ADP 管脚悬空时仅 30mA,接地时为 100mA,适配不同功耗需求的场景。功率输出表现强劲,THD+N=10% 条件下,30V/4Ω 立体声输出 2×130W,42V/8Ω 立体声输出 2×125W;PBTL 单声道模式下,42V/4Ω 可输出 250W,4Ω 负载最低驱动电压支持至 42V,同时总谐波失真加噪声低至 0.05%,输出噪声在 20~22kHz 频段为 - 78dBV,音频输出品质优异,搭配先进 EMI 抑制技术,仅需少量外围器件即可实现高质量音频输出。

芯片搭载丰富的调控功能,支持四段增益可调(20/30/40/60 倍),通过 GAIN0 与 GAIN1 管脚组合控制,内部集成对应输入电阻与反馈电阻;开关频率可通过 FreqS 管脚三档选择(悬空 300KHz、接 AVDD 400KHz、接地 500KHz),适配不同 EMI 需求。具备主从模式,通过 SLV 管脚设置主从状态,主芯片 SYN 管脚输出时钟信号,从芯片接收同步,可实现无限级联扩展多路输出;同时配备静音(MUTE)与关机(SD)控制管脚,操作便捷,MUTE 端最高耐压 6V。

保护机制完善,内置过流、短路、过热保护,过流保护点可通过 ILIMIT_SET 管脚调节,过流后支持自恢复(OCP_S 悬空)或自锁(OCP_S 接地)模式选择;过热保护阈值为 170℃(±15℃容许范围),降温 20℃后自动恢复工作。此外,芯片设有 CLIP_OTW 管脚,可检测音频信号削波与 CB3C 电流保护状态并发出指示,削波时通过注入窄脉冲维持输出活动,避免 PWM 信号停止。

一 、CS8755的特性

输出功率(THD+N=10%)

VDD = 30V@RL=4Ω 2X130W

VDD = 42V@RL=8Ω 2X125W

输出功率(PBTL模式,THD+N=10%)

VDD = 36V@RL = 4Ω 175W

VDD = 42V@RL=4Ω 250W

单电源供电,宽电源电压范围:8V~42V

高可靠性设计:55V耐压设计

效率:92%@PVCC=15V PO=2X20W

四段增益可选,静音功能控制

主从模式,输出过流保护电流可选

过流保护后有自恢复以及自锁模式可选

低功耗可选:音频系统带滤波网络,静态电流30mA@24V

多重开关频率可选

输出管脚方便布线布局

自举电容补电模式可选

良好的失真和防噗声功能

差分输入

增强型封装设计:顶层散热焊盘的特殊设计

二、 CS8755应用信息

1、 典型应用图

2 、引脚排列及定义

3、 功能框图

4、 基础参数

相关推荐