扫码加入

  • 正文
  • 相关推荐
申请入驻 产业图谱

你了解横河WT5000功率分析仪的带宽吗? 科瑞杰

03/28 14:42
509
加入交流群
扫码加入
获取工程师必备礼包
参与热点资讯讨论

功率分析仪

深圳市科瑞杰科技有限公司--电能经过转换,可以成为电热器或者电炉的热量、发动机的动能、荧光灯的光能等各种能量。衡量这种能量大小的物理学概念就是功率。测量用电设备电功率的测量仪叫作功率分析仪

功率分析仪,可以将无法感知的电功率信号转换成肉眼可观测的数值(电功率值)形式,得知该电功率值的增减,由此可以掌握电器的性能以及节能情况。

在对消耗电能的产品进行开发和评价的时候,功率分析仪是不可或缺的测量仪器。

带宽的定义

一个信号可以分解为一系列不同频率正余弦函数的加权和。那些加权非零部分对应的三角函数的频率宽度就是带宽(Bandwidth)。

功率分析仪的带宽是指功率分析仪的电压或电流通道可以传输的信号的上限频率与下限频率之差。然而大多数功率分析仪的带宽下限频率非常低或可直接测量直流参数。因此,通常功率分析仪带宽等同于其上限频率。

功率分析仪带宽相关指标

采样频率

功率分析仪的谐波分析,波形分析,电压波动和闪变测量等大部分分析功能,都是通过数字采样技术,将连续变化的模拟量转变为时域离散,幅值量化的离散时间数字信号

香农采样定理指出,为了不失真地恢复被测信号,采样频率应该大于等于模拟信号频谱中最高频率的2倍。反之,就会产生频谱混叠而无法完全重建被测信号。

因此,功率分析仪的实际带宽等于最高采样频率除以2,也就是奈奎斯特频率。

图 1:混叠示例

横河WT5000采用18bit ADC,拥有高达10MS/s的采样频率。

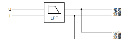
频率滤波器LPF

为了防止混叠,解决方案是:1.直接提升采样频率,然而受器件物理性质限制,无法无限提升,就有了第二种方案。2.对输入信号进行带宽限制,即将所有输入信号分量限制在采样频率的一半以下。模拟低通滤波器也称为抗混叠滤波器,可用来实现带宽限制。在对带宽进行限制时,抗混叠滤波器通过快速滚降提供足够的阻带衰减,以降低大幅高于奈奎斯特频率的信号幅度。

图 2:采样电路简易示例

示波器那样,硬生生地衰减高于截止频率的信号。所以根据应用场景的不同,按抗混叠滤波器常见的三种滤波器频率响应特性来选择适当的滤波器。

巴特沃斯滤波器具有最平坦的幅度响应。这意味着,该滤波器在通带频率范围内提供最平坦的增益响应,并在过渡区具有适度的滚降。

贝塞尔滤波器提供统一的时间延迟,以实现恒定的群延迟。这意味着,该滤波器具有随频率变化的线性相位响应和优异的脉冲输入瞬态响应。这种优异的相位响应是以通带的平坦度和通带以外的初始滚降衰减较慢为代价的。

切比雪夫滤波器设计成在过渡区呈现出更陡峭的滚降,但在通带中具有更多的纹波。

横河WT5000功率分析仪提供的滤波器的截止频率为0.1kHz~100.0kHz(0.1kHz步进值),而滤波器类型支持设置为巴特沃斯或贝塞尔。还支持固定为1MHz贝塞尔滤波器的AAF。

综上,横河高精度功率分析仪可以对电力电子设备的功耗、损耗和效率等进行评价,尤其适用于节能设计中的测试环节。在可再生能源电动汽车和高能效技术得到了更广泛的应用的今天,横河高精度功率分析仪既可以保证测试效率、性能和安全,又能确保测试的可靠性,为工程师们提供通用的测量平台,迎接未来挑战。

深圳市科瑞杰科技有限公司--专注于电子零部件测试技术产品的研发,致力成为可靠性测试技术的领先企业,公司推出的柔性多合一高动态同步测试平台及系列软硬件产品,通过对测试资源、测试知产进行全方位的数字建模,让企业自我快捷实现多场景、复合工况下的智能测试。

相关推荐

登录即可解锁
  • 海量技术文章
  • 设计资源下载
  • 产业链客户资源
  • 写文章/发需求
立即登录

深圳市科瑞杰科技有限公司成立于2010年,是一站式智能测试方案服务商,总部位于深圳市,并在香港、杭州、江苏等国内电子工业发达地区设立了分公司,为华东、华南区域客户提供优质的本地化服务。

微信公众号