• 正文
  • 相关推荐
申请入驻 产业图谱

矽力杰 Silergy SA22001A 降压控制器 佰祥电子

04/08 08:58
739
加入交流群
扫码加入
获取工程师必备礼包
参与热点资讯讨论

60V宽电压无缝升降压 矽力杰 SA22001A 四开关控制器深度拆解

导语:

汽车电子工业控制和大型储能系统的设计中,研发兄弟们经常会遇到一个极其头疼的问题:电源输入电压简直像坐过山车一样不稳定。比如汽车启动的瞬间,电瓶电压会猛掉到几伏;而在抛负载(Load Dump)时,电压又会瞬间飙升到几十伏。如何在如此恶劣的供电环境下,给后级设备提供一个稳如泰山的电压?

作为矽力杰官方授权代理商,主营矽力杰、英集芯、南芯、国民技术、华润微等全系精品电源 IC 的佰祥电子,本期为大家硬核拆解一款专为“大功率、恶劣电压环境”量身定制的终极武器 —— 矽力杰 SA22001A 同步四开关升降压控制器。它能扛住 60V 的极限高压,是攻克车载与工业供电痛点的明星方案。

一、打破传统限制:为什么需要“四开关架构”?

在传统的电路设计里,降压芯片(Buck)只能把高电压往低了变,升压芯片(Boost)只能把低电压往高了变。

但如果在车载 12V 系统中,你需要一个稳定的 12V 输出给设备供电,而电瓶的电压却在 9V 到 16V 之间疯狂波动,传统的单向芯片就彻底抓瞎了。SA22001A 采用的“四开关架构”,就相当于给电路装上了一个智能“无级变速箱”。

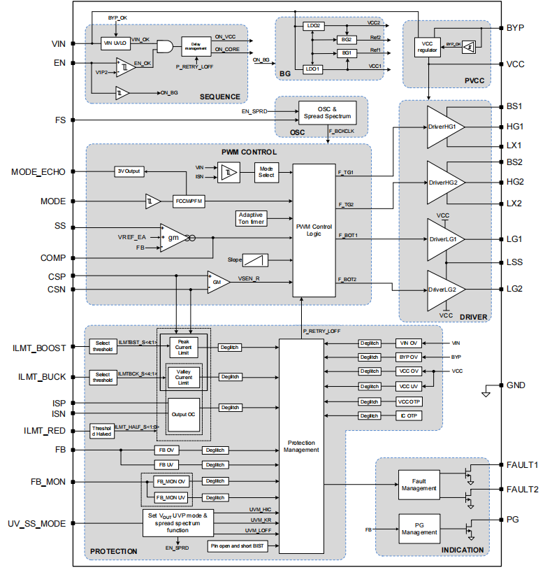
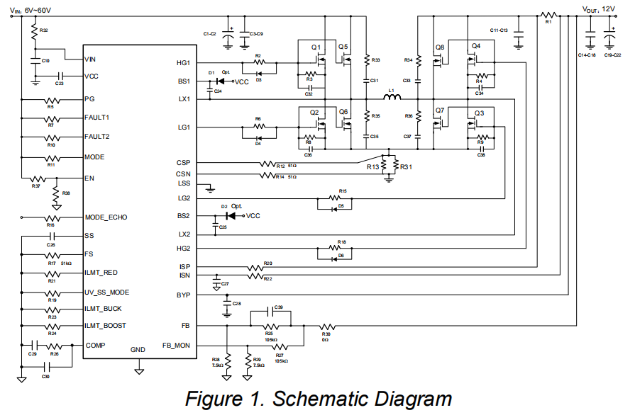
图注:仔细看外围电路,它外接了四个功率 MOSFET(开关管)。通过智能控制这四个开关的开合,完美实现了“高了能降,低了能升”的魔法。

二、突破设计瓶颈:拆解 SA22001A 的四大“杀手锏”

为了搞定大功率复杂供电,矽力杰在这个控制器里塞入了一套极其强悍的底层逻辑。我们把它提炼为四个最能打动客户的杀手锏。

1. 混合控制大脑,既丝滑又省电 这款芯片最核心的价值,在于它拥有一颗能实时监测压差的“智能大脑”:

(1)当输入电压远高于输出时,它安静地做降压(Buck);当输入远低于输出时,它秒变升压(Boost)。

(2)最牛的是当输入输出极其接近时,它会进入“Buck-Boost”混合模式。这个过渡极其平滑,电压输出没有任何抖动。

(3)为了兼顾节能,它在干重活时跑 PWM 模式(纹波极小);在设备待机时,自动切入 PFM 模式(极度省电)。这种全场景自动适应的能力,让它的效率曲线极其漂亮。

图注:不论是在升压、降压还是混合模式下,它的整体效率表现都稳居行业第一梯队,真正做到了“干活猛、吃草少”。

2. 60V 超宽耐压,打造车载与工业的“铁布衫” 在工业和车载领域,电源最怕的就是瞬间的电压尖峰打穿芯片。

(1)SA22001A 支持从 6V 到 60V 的超宽输入电压范围。

(2)60V 的超高耐压,意味着在 12V 甚至 24V 的卡车、工业控制系统中,它能轻松扛住各种感性负载带来的瞬态浪涌,大大省去了外部昂贵的浪涌保护元件。

图注:看看这极其复杂的内部逻辑单元,高耐压架构与精密的误差放大器完美配合,构筑了坚不可摧的供电防线。

3. 3A 峰值驱动力,专治“大功率” 大家注意,SA22001A 是一颗“控制器”,它的职责是做指挥官,去驱动外部的大功率 MOS 管干活。

(1)它内置了高达 5V 的驱动电压。

(2)峰值驱动电流能力超过了 3A!

(3)这意味着它可以极其迅速地开启和关闭外部那些体型巨大的功率开关管。只要外围的管子选得够猛,用它做 100W、200W 甚至更大功率的电源方案简直是小菜一碟。

图注:多引脚封装内,清晰地引出了四个门极驱动引脚(TG1/BG1, TG2/BG2),这就是它指挥外部肌肉猛男的“缰绳”。

4. 拯救安规认证的终极防线 做大功率电源,最怕测试 EMI(电磁干扰)不过关,也怕出故障时把后级昂贵的设备烧毁。SA22001A 在周边防护上做到了极致:

(1)可选配展频功能(SSFM),让开关频率在一个范围内小幅来回扫动,把电磁尖峰“削平”打散,轻松通过苛刻的辐射测试。

(2)内置逐周期(CBC)限流机制,电流只要超标零点几微秒立刻掐断,彻底杜绝炸机风险。

(3)输入欠压、输出过/欠压、过温保护一应俱全,并带有专门的 PGOOD 和 FAULT 标志位引脚,随时向主控汇报健康状况。

图注:底层控制环路保证了极其稳定的开关波形,展频技术的加入更是从根源上优化了电磁兼容性。

总结

总而言之,矽力杰 SA22001A 绝不是一颗简单的电源芯片,它是车载、大功率储能和高阶工业控制系统中的“指挥中枢”。它把复杂的四开关无缝升降压机制、60V 极限耐压以及狂暴的外部驱动能力,完美集成在了一起。

如果你手里正有车载 PD 快充大功率车充、大功率工业储能 24V 供电系统的案子在头疼,这颗 SA22001A 绝对能让你事半功倍,值得立刻画板测试!

相关推荐