• 资料介绍
  • 在线预览
  • 相关推荐
申请入驻 产业图谱

适用于便携设备的PD快充方案:支持1-3节电池,充电电流高达3A

04/20 16:32
249
加入交流群
扫码加入
获取工程师必备礼包
参与热点资讯讨论

适用于便携设备的PD快充方案:支持1-3节电池,充电电流高达3A

686.98 KB

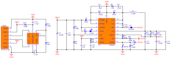
本方案基于ECP5702 PD诱骗芯片FP8207 同步降压充电芯的组合方案,支持TYPE-C PD快充输入,可实现最大3A的快速充电。方案支持1-3节锂电池聚合物电池等多种电池类型,具有PD电压智能请求、宽输入电压范围、充电参数可调、高集成度及完善保护机制等特点。

方案原理:

方案描述:

本方案由前端协议芯片ECP5702和后端充电管理芯片FP8207协同工作。

ECP5702作为PD SINK控制器,负责与PD充电器进行通信,可以智能请求所需的电压(5V/9V/12V/15V/20V),为后级电路提供稳定、高效的高电压输入。

FP8207是一款高效的同步降压充电器,接收来自ECP5702的电压,并将其转换为精确可控的电流和电压,为1-3节电池进行快速、安全的充电

通过这种“前端诱骗+后端降压”的架构,方案能够从普通的PD充电器获取最大功率,实现高达3A的大电流快速充电效果。

方案特点:

① 智能PD电压请求:通过ECP5702可自动请求5V/9V/12V/15V/20V电压,优化系统效率。

② 宽范围输入与输出:输入电压范围4.9V-16V(通过ECP5702扩展至20V);可编程电池充电电压范围4.1V-12.6V,支持1至3节电池充电。

③ 大电流快速充电:支持高达3A的可编程充电电流,实现快速充电。

④ 高精度与高效率:充电电压预设精度±1%;固定500KHz开关频率,支持94%占空比,系统效率高。

⑤ 全功能充电管理:支持自动充电流程(消流/恒流/恒压)、充电状态指示、电池温度监测。

⑥ 全面保护机制:集成输入欠压锁定(UVLO)、过热保护等多重安全措施,确保充电安全可靠。

⑦ 外围简洁,体积小巧:两颗芯片均需极少外部元件,有助于实现小体积、低成本的解决方案。

 

技术参数:

方案展示:

ECP5702可适配多款不同品牌的充电芯片,实现快充功能。

在线预览

相关推荐