扫码加入

  • 产品详情
  • 附件下载
申请入驻 产业图谱

2.2MHz轨到轨运算放大器

  • 型号:AiP8772
  • 制造商:中微爱芯
联系方式:15190238456

产品详情

附件下载

介绍

音频、工业与仪表设备朝着高精度、宽适配方向升级,对运算放大器的噪声控制、供电灵活性和信号传输速度提出更高要求。这款2.2MHz双路低噪声轨到轨运算放大器,以CMOS工艺为核心,精准契合行业高可靠性应用需求,能够在单电源或双电源应用中增加动态响应范围

该运算放大器拥有低噪声和低输入失调电压等特性,主要应用于音频、工业和仪表仪器等领域。

产品优势

  • 超低噪声纯净输出:低噪声+300μV低输入失调电压,信号处理无干扰
  • 轨到轨宽幅响应:输出轨到轨设计,动态响应范围大幅拓宽
  • 高速高带宽传输:2.2MHz高增益带宽积+4.5 V/μs高压摆率,信号传输快速流畅
  • 灵活供电适配广:支持单电源4.4V~16V或双电源±2.2V~±8V供电,适配灵活

主要特点

  • 工作电压范围:4.4V~16V(单电源)
  • 低噪声:9nV/√Hz@f=1kHz
  • 低输入偏置电流:1pA(典型值)
  • 输出轨到轨
  • 高增益带宽积:2.2MHz(典型值)
  • 高压摆率:4.5V/μs(典型值)
  • 低输入失调电压:300μV(典型值)
  • 可支持单电源或双电源供电
  • 封装形式:DIP8/SOP8/TSSOP8

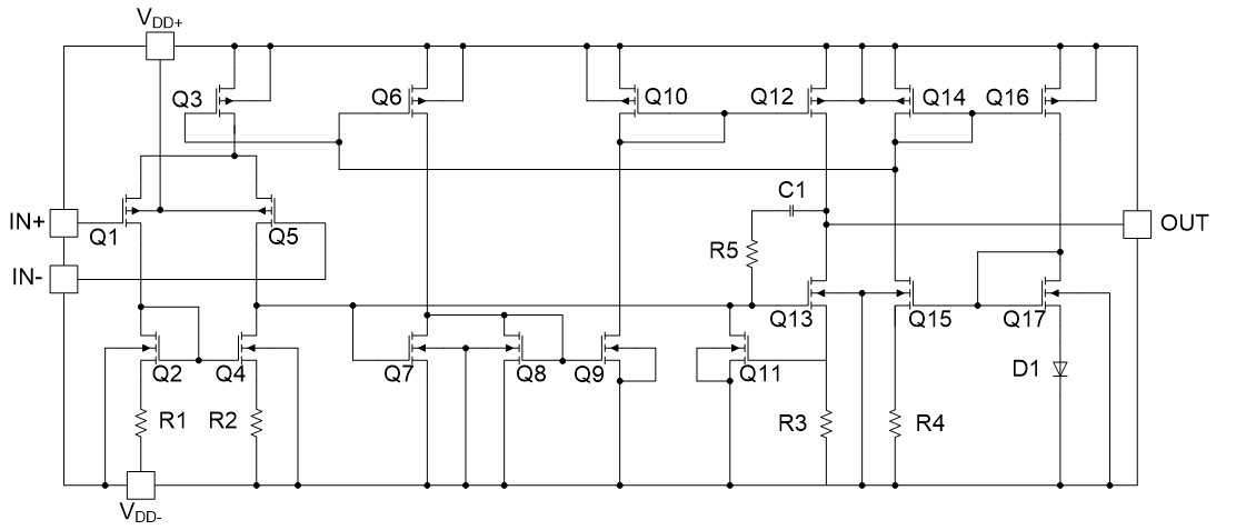
功能框图

引脚排列图

AiP8772:

AiP8772详细参数见下表:

  • AiP8772 AiP8774(中文).pdf
    下载