扫码加入

  • 正文
  • 推荐器件
  • 相关推荐
申请入驻 产业图谱

AQY214S固态继电器:用于控制各种应用中的模拟信号的紧凑解决方案

2024/03/18
729
加入交流群
扫码加入
获取工程师必备礼包
参与热点资讯讨论

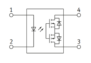
AQY214S是一款多功能固态继电器,是一款经过精心设计的精致固态继电器,可在多种应用中与低电平模拟信号共舞。在这次探索中,我们将揭开AQY214S的复杂性,重点介绍其独特的功能,并深入研究其在不同行业中的应用的迷人挂毯。

固态继电器特征:

控制低电平模拟信号:

该固态继电器专为精确可靠地处理低电平模拟信号而设计。此功能使其成为精确信号控制至关重要的应用的理想选择,确保各种电子系统的最佳性能。

小型SOP4引脚封装

AQY214S采用灵活小巧的外形封装(SOP4),在电路板上优雅地旋转。其紧凑的尺寸类似于芭蕾舞演员泰然自若的姿势,即使在空间最有限的电子乐团中也能提供无缝集成的自由。

低电平断态漏电流

在安静的环境中,AQY214S以其低断态漏电流,保持低调的存在。最大上限为1μA。这一特性确保了待机或关闭状态操作期间的最低功耗,有助于提高电子设备的能源效率。

负载电压选项:

AQY214有多种负载电压选项,就像一位拥有调色板的多才多艺的艺术家一样,提供了一系列负载电压选项60V、100V、350V和400V。工程师可以选择与他们的电子杰作的独特要求无缝协调的电压变体,创造出兼容并蓄的交响乐。

典型应用:

电信(PC、电子记事本):

该固态继电器在个人电脑(PC)和电子记事本等电信设备中占有一席之地,确保对通信电路中的模拟信号进行精确控制。

测量和测试设备:

在精确信号测量至关重要的应用中,例如测试和测量设备,AQY214S有助于实现可靠的信号控制,从而提高设备的整体性能。

工厂自动化设备:

AQY214S固态继电器进入工厂自动化的世界,每个动作都是协调良好的华尔兹。其紧凑的设计和精确的信号控制有助于实现自动化流程的流畅性,创造出迷人的效率之舞。

安全设备:

在安全领域,AQY214S在监控和访问控制方面处于领先地位。凭借其精确的信号管理,它成为安全系统的编排者,确保无缝和安全的性能。

电脑:

在计算领域,AQY214S支持模拟信号的精确管理,有助于计算机及相关外设的稳定高效运行。

工业机器人

AQY214S非常适合工业机器人应用,其中空间效率和精确的信号控制对于机器人系统的最佳性能至关重要。

结论:

AQY214S固态继电器是一款可靠且多功能的元件,用于控制低电平模拟信号。该固态继电器具有小型SOP4引脚封装、低断态漏电流和一系列负载电压选项,可应用于从电信和计算到工厂自动化和工业机器人等多种行业。工程师可以相信AQY214S能够提供精确的信号控制,从而提高各个领域电子系统的效率和可靠性。

推荐器件

更多器件
器件型号 数量 器件厂商 器件描述 数据手册 ECAD模型 风险等级 参考价格 更多信息
23AR5KLFTR 1 TT electronics / BI Technologies RESISTOR, TRIMMER, CERMET, 1 TURN(S), 0.25W, 5000ohm, 4MM, SQUARE, 3 PINS, ROHS COMPLIANT
$1.54 查看
CRCW0603100KFKEAC 1 Vishay Intertechnologies Fixed Resistor, Metal Glaze/thick Film, 0.1W, 100000ohm, 75V, 1% +/-Tol, 100ppm/Cel, Surface Mount, 0603, CHIP

ECAD模型

下载ECAD模型
暂无数据 查看
ACS102-6T1-TR 1 STMicroelectronics Overvoltage protected AC switch

ECAD模型

下载ECAD模型
$0.74 查看

相关推荐