扫码加入

  • 正文
  • 相关推荐
申请入驻 产业图谱

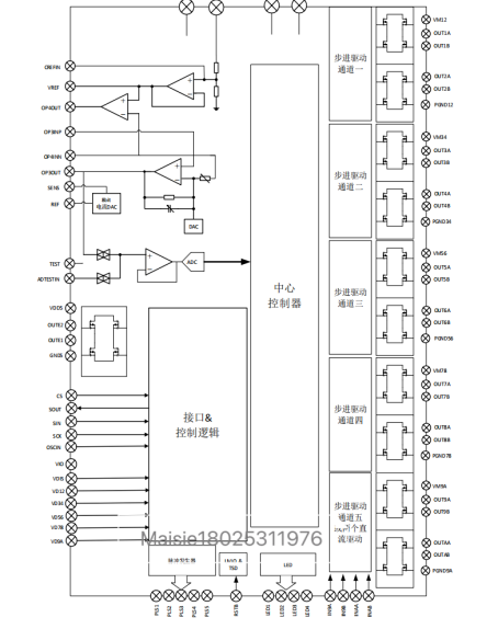
MS41968 低压、多通道镜头驱动芯片 内置光圈控制 步进驱动

2025/08/26
865
加入交流群
扫码加入
获取工程师必备礼包
参与热点资讯讨论

产品描述:

MS41968 是一款低压 5V 多通道镜头驱动芯片,集成 Hall 模式的光圈驱动、四通道步进电机驱动、两通道直流电机驱动和四通道的 LED 驱动。步进电机驱动部分采用具有电流细分的电压驱动方式以及扭矩纹波修正技术,实现了超低噪声微步进电机驱动。MS41968 集成逻辑 IO 接口电源供电 VIO,可以应用于 1.2V 到 3.6V 的不同电压接口。

主要特点:

• 电压驱动方式,256 细分微步进驱动电路:工作电压 5V,每个 H 桥驱动电流±0.4A

• 四线 SPI 串行总线通信控制电机

• Hall 位置检测的 PID 光圈控制

• 四通道高精度步进电机驱动

• 两通道直流电机驱动用于 IRCUT,也可以组合成第五个通道的步进驱动

• 四通道 LED 驱动

• QFN88 (10x10) 封装

应用场景:

摄像机

监控摄像机

相关推荐