致力于亚太地区市场的国际领先半导体元器件分销商---大联大控股宣布,其旗下友尚推出基于KEC电机驱动器的高效电源解决方案。


图示1-大联大友尚基于KEC产品的高效电源解决方案的展示板图
随着电机在各类电子设备中的普及,对为其供电的小功率开关电源(SMPS)提出了更高的要求:不仅需要在220V宽输入电压范围内稳定工作,还必须实现低待机功耗、高转换效率及全面的保护功能。针对此挑战,大联大友尚推出的基于KEC电机驱动器的高效电源方案,为工程师快速开发高性能产品提供了理想的参考设计。

图示2-大联大友尚基于KEC产品的高效电源解决方案的场景应用图
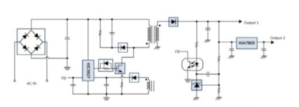
KIC3927是KEC旗下一款集成准谐振电流模式的PWM+PFM控制器,可用于非隔离反激式转换器,通过创新的多模式控制策略突破性能瓶颈。该方案提供三级输出:初级侧输出310V/0.5A用于电机驱动,次级侧输出12V/0.6A和5V/0.5A为MCU供电。
KIC3927的优势在于智能模式切换机制:在重负载条件下,KIC3927在QR模式下工作,以减少开关损耗;在高线路输入电压下,它在固定频率(55kHz)CCM模式下工作;在中等负载或轻负载条件下,它以QR+PFM模式工作,以提高转换效率。为了在空载情况下将功耗降至最低,芯片进入突发模式以降低待机功率。此外,KIC3927集成了过流保护、过载保护、输出过压保护、VDD过压和欠压锁定等综合保护功能,以防止异常情况发生。

图示3-大联大友尚基于KEC产品的高效电源解决方案的方块图
凭借优化的多模式控制架构与智能调制策略,方案成功解决了小功率开关电源在宽负载范围内的能效平衡难题。方案为工业控制、消费电子等领域的电机、MCU及栅极驱动器电源设计提供了经过全面验证的参考标准。其展现的高性能与高可靠性特点,结合KIC3927控制器优异的综合性能,将显著缩短工程师的研发周期,助力快速开发符合现代能效标准的新一代开关电源产品。
核心技术优势:
- 高性能多模式控制;
- 宽输入电压范围220VAC;
- 高效率;
- 快速线路/负载瞬态补偿;
- 通过QR+PFM在轻负载下实现高性能;
- 过压保护;
- 过流保护;
- 自动恢复过载保护;
- 自动恢复输出短路保护;
- 断电保护;
- 带有FOCP的次级绕组短路保护。
方案规格:
- 输入电压:220VAC;
- 输入电压低压:85VAC;
- 输出电压:当输入电压为220VAC时,输出电压为310VDC/0.5A;
- 输出电压:在无负载条件下为12VDC,满载条件下为0.6A=12VDC;
- 输出电压:在无负载条件下为5VDC,满载条件下为0.5A=5VDC;
- 12V的最大输出电流:0.6A;
- 5V的最大输出电流:0.5A;
- 输出功率:10W;
- 满载条件下的工作频率:55kHz;
- 系统效率:在110VAC和满载条件下为60%,在220VAC和满载条件下为60%;
- 电路板尺寸:80mm×110mm。
483