扫码加入

  • 正文
  • 相关推荐
申请入驻 产业图谱

荣湃I²C隔离产品性能应用与优势

02/24 16:07
98
加入交流群
扫码加入
获取工程师必备礼包
参与热点资讯讨论

一、I²C隔离产品在系统中的作用

I²C总线是飞利浦公司开发的一种双线制双向串行总线,主要应用于板内或板间IC之间的短距离通信,应用非常广泛。I2C总线主设备控制串行时钟线(SCL),数据在串行数据线(SDA)上双向传输。I2C总线理论上可以增加112个通信节点,但是节点数量会增加总线上负载电容,从而限制通信距离和通信速度。实际应用中,需要在通信速度、总线长度和节点数量之间进行权衡。I2C总线支持四种传输速率:标准模式(最高100Kbps)、快速模式(最高400Kbps)、快速增强模式(最高1Mbps)和高速模式(最高3.4Mbps)。荣湃半导体I2C隔离器π220N31/π221N31支持上述四种通信速率。

如图1所示,系统为了达到安全规范要求、避免噪声信号干扰通信、避免损坏敏感器件的目的,需要采用I2C隔离产品把器件之间的地隔离开来,例如荣湃I2C隔离产品π220N31。

图1 I2C隔离产品在系统中应用示意图

二、荣湃I2C隔离器产品介绍

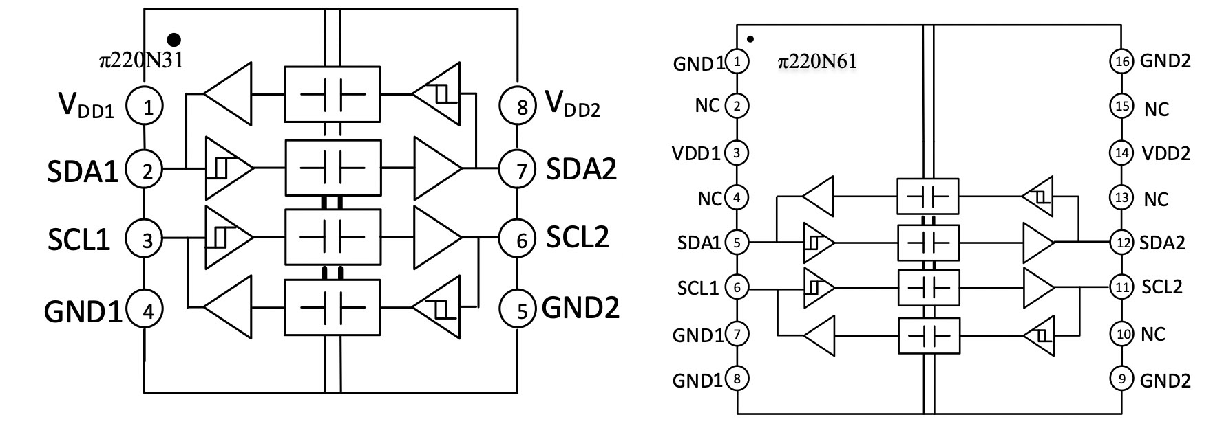
荣湃共有四款I2C隔离器产品,隔离耐压分为3KV和5KV两档,分别对应SOP8封装4mm爬电距离和WSOP16封装8mm爬电距离。串行时钟线SCL分为双向和单向两种。π220N31和π220N61为热销型号,并且满足AEC-Q100规范要求。四款产品具体参数如表1所示。

表1 荣湃I2C产品参数列表

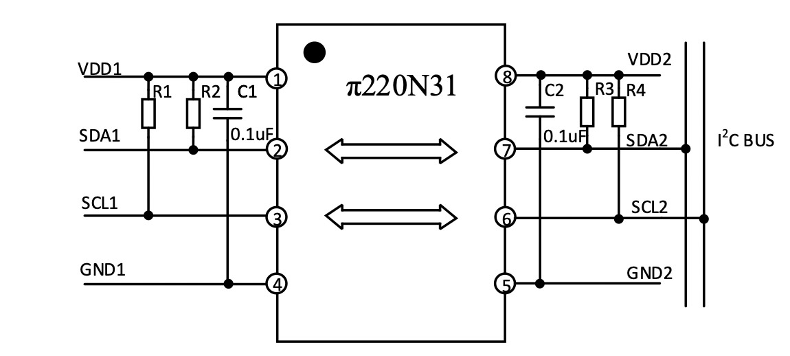
荣湃I2C隔离器热销产品π220N31和π220N61的引脚定义及芯片内部框图如图2所示,可兼容SCL单向产品π221N31和π221N61。π220N31典型应用电路图如图3所示。

图2 I2C隔离产品引脚定义与功能框图

图3 π220N31典型应用电路图

三、I2C隔离产品在应用中的注意事项

1、上拉电阻的选择

由于I2C接口为开漏输出,因此为了实现系统可靠运行,需要添加上拉电阻,如图3中R1~R4。上拉电阻影响信号上升时间与系统电流。上拉电阻过大会导致信号上升时间过大,导致不能正常通信。上拉电阻过小,会引起系统电流过大,损坏敏感器件。因此,需要根据需要选择合适的上拉电阻。由于上拉电阻与上升时间相关,不同I2C通讯速率规定了最大的上升时间,如表2所示。

表2 不同I2C通讯速率下的最大上升时间

根据确定的通讯速率,并且知道了最大上升时间,就可以计算出合适的上拉电阻。例如隔离系统采用3.3V供电,由于隔离器1侧最大能承受3.5mA的灌电流,因此上拉电阻的最小值为3.3V/3.5mA=0.94K欧。同时,如果工作在快速模式,则上升时间不能超过300ns。由于Tr(30%-70%)=0.85RC,负载电容C假定为隔离器允许的最大负载40PF,因此可以计算得出上拉电阻的最大值R=8.8K欧。因此,合适的上拉电阻在0.94K欧至8.8K欧之间,可选择4.7K欧。

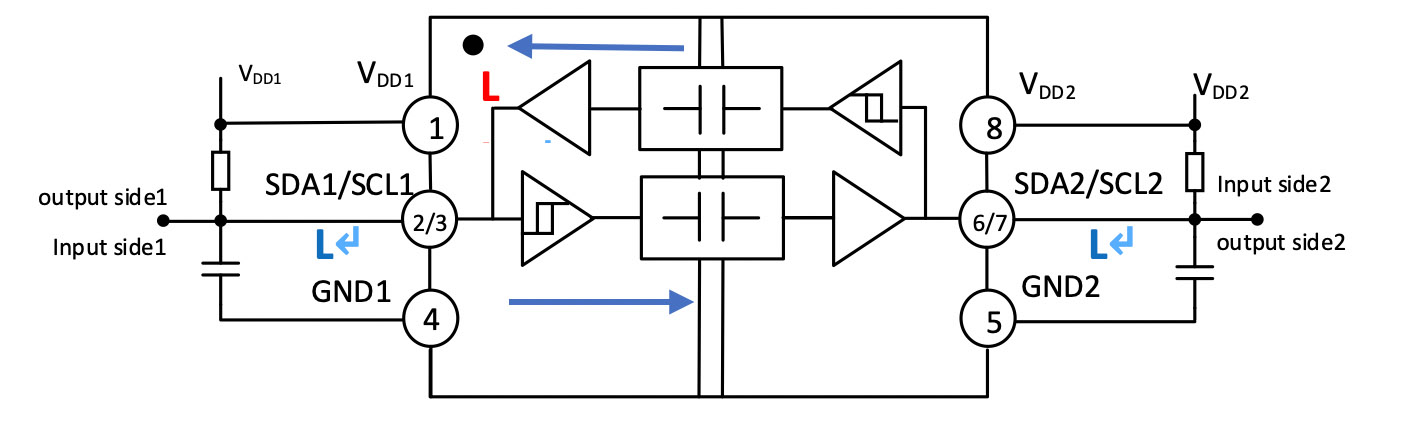
2、I2C隔离器输入输出电压

荣湃I2C隔离器的输入输出电平和其他美国厂家的I2C隔离产品一样,并非是标准的TTL或者CMOS电平。如表3所示。

表3 I2C隔离器输入输出电压

为了解决上述系统互锁为低电平的问题,隔离器1侧输出的低电平L'需要被芯片内部识别为高电平,才能不干扰外部通信。因此隔离器1侧输出低电平L'需要大于1侧输入阈值(阈值典型值为0.58V,因此要求输入电压小于0.45V)。同时隔离器1侧输出需要被外部器件(如MCUADC等)识别为低电平(CMOS为小于0.3VDD,TTL为小于0.8V)。因此1侧输出低电压0.58V<l'<0.8v,设定为0.7v,既不引起内部互锁,也能够被外部识别为低电平。< p="">

四、荣湃I2C隔离产品优势及在系统中的应用

荣湃I2C隔离产品π220N31/π221N31 是基于荣湃半导体专利的智能分压技术(iDivider 技术)设计而成。该技术具有功耗低、延时短、速率高以及EMC性能好等优点。荣湃I2C隔离产品广泛应用于以太网供电(POE)系统、电池管理系统(BMS)以及-48V分布式电源系统等领域。本文以电动摩托车BMS中I2C隔离产品的应用举例说明。

电动摩托车中的电池主要有两种,铅酸电池锂电池。锂电池相比于铅酸电池在环境保护、续航能力以及电池寿命等方面均具有很大的优势。因此国家大力推广锂电池的应用。但是锂电池由于在过温、过压和过流等情况下,容易失效甚至爆炸,因此锂电池在应用中的管理显得尤为重要。电动摩托车电池的额定电压大部分为48V、60V或72V。

采用20串锂电池组成72V额定电压的BMS系统如图5所示,荣湃I2C隔离产品π220N31用于级联AFE芯片和MCU之间的隔离。由于在BMS系统里,希望尽可能地把能量传递给负载,因此对芯片的功耗要求比较严格,荣湃半导体I2C隔离产品π220N31以其低功耗性能,特别适合BMS系统中的应用。

图5 额定电压为72V的BMS系统

五、小结

I2C总线是一种两线制双向串行总线,特别适合板间或板内IC之间的通讯。为了满足系统安全规范要求、避免噪声信号干扰通信和避免损坏敏感器件,需要在系统里加入I2C隔离器件进行隔离。荣湃I2C隔离产品π220N31/π221N31 是基于荣湃半导体专利的智能分压技术(iDivider 技术)设计而成。该技术具有功耗低、延时短、速率高以及EMC性能好等优点,已广泛应用于以太网供电(POE)系统、电池管理系统(BMS)以及-48V分布式电源系统等领域。

相关推荐

登录即可解锁
  • 海量技术文章
  • 设计资源下载
  • 产业链客户资源
  • 写文章/发需求
立即登录

荣湃半导体(上海)有限公司是全球最先进的专业模拟电路芯片设计公司之一.我们将改变人们与世界的连接方式,我们只做革命性产品!我们将在这里分享我们的最新技术和动态,增值您的应用!