扫码加入

  • 方案介绍
  • 相关推荐
申请入驻 产业图谱

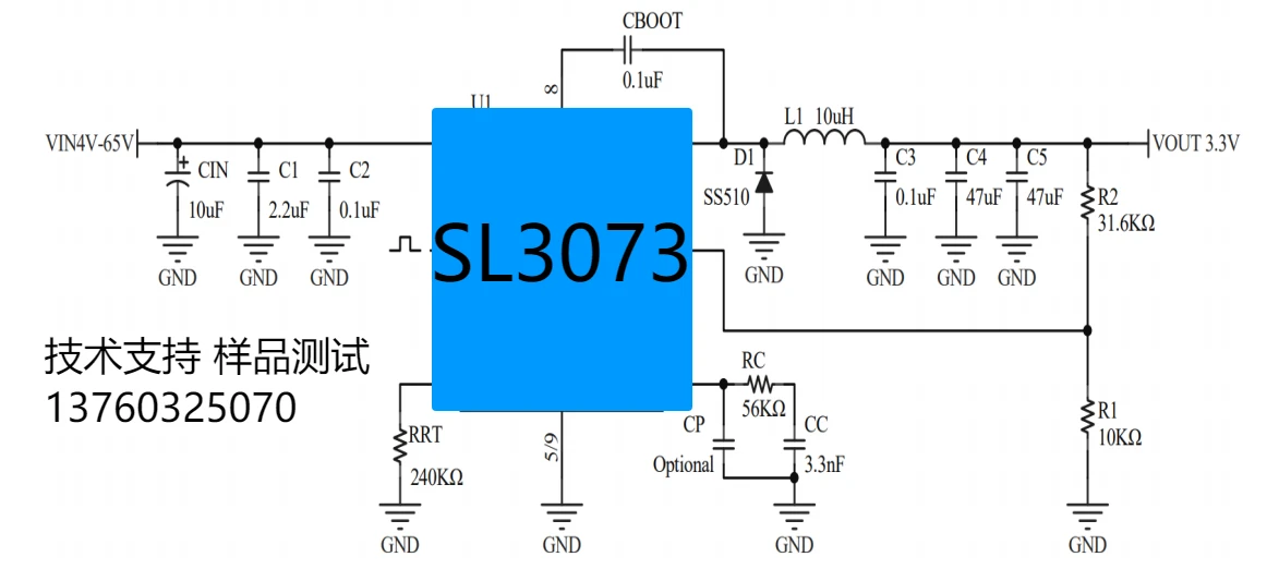
SL3073国产替换RT2862 DC4V-65V宽输入电压、3A高效异步降压IC

01/27 20:53
716
加入交流群
扫码加入
获取工程师必备礼包
参与热点资讯讨论

SL3073:国产高性能替代RT2862,4V‑65V宽输入、3A高效异步降压IC解析

在工业电源、车载电子及高压电源转换等应用中,一款能够在宽输入电压范围内稳定输出、兼具高效率与高集成度的降压型DC‑DC转换器至关重要。森利威尔原厂推出的SL3073,正是一款针对此类需求精心设计的高性能异步降压芯片,可广泛替代RT2862等同类产品,为系统设计提供可靠、灵活的电源解决方案。

一、宽输入电压范围,适应复杂供电环境

SL3073支持4V至65V的宽输入电压,覆盖了12V、24V、48V等常见工业与通信电源电压标准,更能应对输入电压波动较大的应用场景。其内部集成的高边MOSFET导通电阻仅为260mΩ,有助于降低导通损耗,提升整体转换效率。

二、高效轻载运行,提升系统续航能力

芯片采用峰值电流模式控制,并支持轻载时的脉冲跳跃调制(PSM)模式。在轻载或待机状态下,SL3073能够自动跳脉冲工作,大幅降低开关损耗与驱动损耗,显著提升轻载效率,特别适合电池供电或需要长时间待机的设备。

三、可调开关频率,优化系统兼容性与EMI表现

通过外置电阻,用户可在100kHz至2MHz范围内灵活设定开关频率,便于在效率、噪声和外部元件尺寸之间取得最佳平衡。高频工作支持使用更小体积的电感电容,有助于实现系统小型化。

四、全面的保护机制,保障系统稳定可靠

SL3073具备输入欠压锁定(UVLO)、输出过压保护、逐周期过流保护、过热关断以及输出过载保护等多重保护功能。这些机制共同作用,可有效预防异常工况对芯片与负载造成损坏,提升系统长期运行的可靠性。

五、外部补偿与软启动,增强系统可控性

芯片提供外部环路补偿引脚,允许用户根据实际负载特性优化环路稳定性与动态响应。内置典型2.5ms软启动功能,可抑制启动时的浪涌电流,避免对输入电源造成冲击,同时支持预偏置输出电压启动,避免对已带电的输出产生干扰。

六、低静态电流与低功耗设计

在轻载或关机状态下,SL3073的静态电流极低,关机电流仅为0.5μA,正常运行时的静态电流约110μA,有利于降低系统待机功耗,延长电池使用寿命。

七、紧凑封装与高集成度,简化电路设计

采用ESOP‑8封装并集成高边MOSFET,仅需极少的外部元件即可构建完整的降压电路,大幅节省PCB空间,降低系统成本与设计复杂度。

总结

森利威尔原厂SL3073以其宽输入范围、高集成度、优秀的轻载效率以及全面的保护特性,成为工业电源、汽车电子、通信设备等高要求应用中的理想选择。作为RT2862等型号的优质国产替代,SL3073不仅在性能上毫不逊色,更在系统适应性、可靠性与成本控制方面表现出色,助力工程师打造更加高效、紧凑、稳定的电源系统。

 

李生:13760325070,QQ:2355368872

相关推荐