扫码加入

  • 产品详情
  • 附件下载
申请入驻 产业图谱

高速栅极驱动器

  • 型号:AiP4420/AiP4429
  • 制造商:中微爱芯
联系方式:15190238456

产品详情

附件下载

介绍

作为电力电子系统的“核心传令官”,栅极驱动器承担着衔接控制芯片和功率开关的关键使命,更是保障高低压隔离的安全屏障。从新能源汽车的电驱电控、到光伏逆变器、工业变频器等核心设备,其稳定运行都离不开栅极驱动器的精准控制。

AiP4420/AiP4429系列是大电流高性能的6A单路栅驱动器,大电流输出轻松驱动MOSFETIGBT功率器件。逻辑兼容CMOS和TTL信号输入且最低电压可达-5V,主要功能为将常压输入转换为高压输出,在全电压范围内具有交直流参数稳定的特点。

主要特点

  • 输出峰值电流:6A(VDD=18V)
  • 输入电压范围:-5V~VDD+0.3
  • 输出阻抗:≤5Ω(VDD=18V,Io+= -10mA)
  • 输入高低电平:VIH≥2.4V,VIL≤0.8V
  • 电源静态电流:≤1mA
  • 上升/下降时间:≤25ns (CL=2500pF)
  • 传输延迟时间:≤33ns (CL=2500pF)
  • 支持输入输出同相/反相
  • 封装形式:SOP8

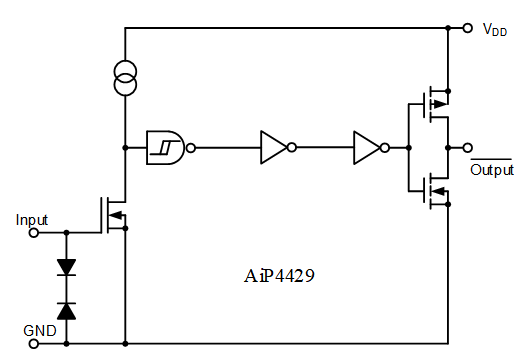
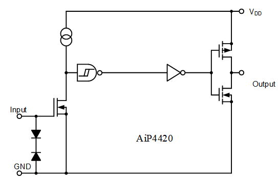
功能框图

真值表

引脚排列图

AiP4420:

AiP4429:

AiP442X系列详细参数:

引脚说明

  • AiP4420(中文).pdf
    下载
  • AiP4429(中文).pdf
    下载