扫码加入

  • 产品详情
  • 附件下载
申请入驻 产业图谱

AiP2004系列四路达林顿阵列

  • 型号:AiP2004/AiP2004E/AiP2004H/AiP2004HE/AiP2004LE
  • 制造商:中微爱芯
联系方式:15190238456

产品详情

附件下载

介绍

中微爱芯推出AiP2004系列四路达林顿阵列,用一颗芯片解决多路驱动痛点!

AiP2004系列集成四路独立达林顿管驱动电路,每路达林顿管输入均串联一个基极电阻,输出内置续流二极管,单路达林顿管最大可输出1000mA电流,多路并联可承受更大的电流。

该系列主要应用于照明驱动、继电器驱动、步进电机驱动和逻辑缓冲器等,是工业与消费电子的“驱动全能助手”。

关键参数

产品优势

  • 四通道独立输出,同步控制不打架:

    AiP2004全系列标配4通道独立输出架构,每路独立达林顿管+基极电阻,多设备联动不卡顿,且并联使用可提供更高电流。

  • 多型号精准覆盖,适配不同需求:

    从低压小电流(如家电LED等)到高耐压大电流(如工业继电器等),全系列支持TTL/CMOS电平兼容,适配性强,无需额外转换电路,简化系统设计。

  • 封装灵活,空间友好:

    AiP2004全系列提供SOP10、MSOP10、ESSOP10多种封装,从常规电控板到便携设备高密度布局都能适配。

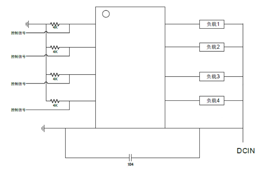
功能框图

引脚排列图

典型应用图

  • AiP2004E(中文).pdf
    下载
  • AiP2004LE(中文).pdf
    下载
  • AiP2004HE(中文).pdf
    下载
  • AiP2004(中文).pdf
    下载
  • AiP2004H(中文).pdf
    下载