扫码加入

  • 正文
  • 相关推荐
申请入驻 产业图谱

碳化硅MOS特性产品介绍及驱动研究

2025/11/17
4659
加入交流群
扫码加入
获取工程师必备礼包
参与热点资讯讨论

碳化硅MOS具有宽带隙、高击穿电场强度、高电流密度、快速开关速度、低导通电阻和抗辐射性能等独特特点,在电子器件领域有着广泛的应用。特别是在电力电子、高温电子、光伏逆变器和高频电子等领域,其性能优势能够提高器件的功率密度、效率和稳定性。

碳化硅MOSFETs单管产品概览

SiC MOSFET特性

碳化硅SiC MOSFET VdId 特性

SiCMOSFET IGBT 不同,不存在开启电压,所以从小电流到大电流的宽电流范围内都能够实现低导通损耗。

而SiMOSFET 在150时导通电阻上升为室温条件下的2 倍以上,与SiMOSFET 不同,SiCMOSFET的上升率比较低,因此易于热设计,且高温下的导通电阻也很低。

SiCMOSFET 的漂移层阻抗比SiMOSFET 低,但是另一方面,按照现在的技术水平,SiCMOSFET的MOS 沟道部分的迁移率比较低,所以沟道部的阻抗比Si 器件要高。因此,越高的门极电压,可以得到越低的导通电阻(Vgs=20V 以上则逐渐饱和)。如果使用一般IGBT 和SiMOSFET 使用的驱动电压Vgs=10~15V 的话,不能发挥出SiC 本来的低导通电阻的性能,所以为了得到充分的低导通电阻,推荐使用Vgs=18V 左右进行驱动。Vgs=13V 以下的话,有可能发生热失控,请注意不要使用。

SiCMOSFET 阈值电压在数mA 的情况下定义的话,与SiMOSFET 相当,室温下大约3V(常闭)。但是,如果流通几A 的话,需要的门极电压在室温下约为8V 以上,所以可以认为针对误触发的耐性与IGBT 相当。温度越高,阈值电压越低。

Turnon 特性

SiCMOSFET/SiCSBD 封装一体化产品SCH2080KE 和同规格等级的SiIGBT/SiFRD 封装一体化产品分别搭成半桥电路,通过感性负载双脉冲测试对开关波形进行比较。

SiCMOSFET 的Turnon 速度与SiIGBT 和SiMOSFET 相当,大约几十ns。但是在感性负载开关的情况下,由通往上臂二极管的回流产生的恢复电流也流过下臂,由于各二极管性能的偏差,从而产生很大的损耗。

SiFRD 和SiMOSFET 中的体二极管的通常恢复电流非常大,会产生很大的损耗,而且在高温下该损耗有进一步增大的趋势。与此相反,SiCSBD 不受温度影响,可以快速恢复,SiCMOSFET 的体二极管虽然Vf 较高但是与SBD 相同,具有相当的快速恢复性能。通过这些快速恢复性能,可以减少Turnon 损耗(Eon)好几成。

开关速度极大程度上决定于外部的门极电阻Rg。为了实现快速动作,推荐使几Ω左右的低阻值门极电阻。请考虑到浪涌电压,选择合适的门极电阻。

SiCMOSFET 的最大特点是原理上不会产生如IGBT 中经常见到的尾电流。SiC 即使在1200V 以上的耐压值时也可以采用快速的MOSFET 结构,所以,与IGBT 相比,Turnoff 损耗(Eoff)可以减少约90%,有利于电路的节能和散热设备的简化?小型化。而且,IGBT 的尾电流会随着温度的升高而增大,而SiCMOSFET 几乎不受温度的影响。

另外,由于较大的开关损耗引起的发热会致使结点温度(Tj)超过额定值,所以IGBT 通常不能在20KHz 以上的高频区域内使用,但SiCMOSFET 由于Eoff 很小,所以可以进行50KHz 以上的高频开关动作。通过高频化,可以使滤波器等被动器件小型化。

开关速度较大程度取决于外部的门极电阻Rg。为了实现高频动作,推荐采用Ω 左右的低阻值门极电阻。并请充分考虑浪涌电压,选择合适的门极电阻。

内部门极电阻

芯片内部门极电阻与门极电极材料的薄层阻抗和芯片尺寸相关。如果是相同的设计,芯片内部门极电阻与芯片尺寸呈反比例,芯片尺寸越小,门极电阻越大。SiCMOSFET 的芯片尺寸比Si 器件小,虽然结电容更小,但是同时门极电阻也就更大。1200V 80mΩ 的SiCMOSFET 产品的内部门极电阻大约为6.3Ω。

开关时间较大程度取决于外部门极电阻。为了实现快速开关,请确认好浪涌的状况,并选用几Ω左右的尽量小阻值的外部门极电阻。

门极驱动电路

SiCMOSFET 是一种易于驱动、驱动功率较少的常闭型?电压驱动型的开关器件。基本的驱动方法和IGBT 以及SiMOSFET 一样。推荐的驱动门极电压,ON 侧时为+18V 左右,OFF 侧时为0V。在要求高抗干扰性和快速开关的情况下,也可以施加35V 左右的负电压。
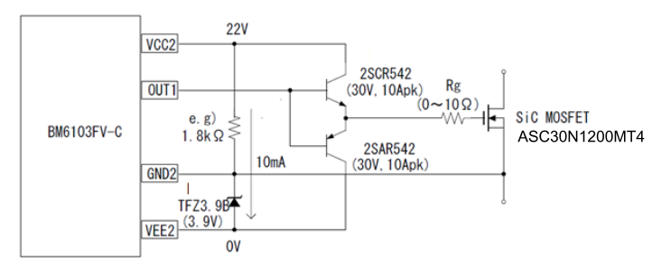
以下是采用ROHM 的驱动IC(BM6103FVC)并提供+18V/4V 电压时的电路图。当驱动大电流器件和功率模块时,推荐采用缓冲电路

为了实现快速开关,外部门极电阻请选择几Ω 左右的低阻值。

体二极管的 Vf 和逆向导通

与SiMOSFET 一样,SiCMOSFET 体内也存在因PN 结而形成的体二极管(寄生二极管)。但是由于SiC 的带隙是Si 的3 倍,所以SiCMOSFET 的PN 二极管的开启电压大概是3V 左右,比较大,而且正向压降(Vf)也比较高。以往,当SiMOSFET 外置回流用的快速二极管时,由于体二极管和外置二极管的Vf 大小相等,为了防止朝向恢复慢的体二极管侧回流,必须在MOSFET 上串联低电压阻断二极管,这样的话,既增加了器件数量,也使导通损耗进一步恶化。然而,SiCMOSFET的体二极管的Vf 比回流用的快速二极管的Vf 还要高出很多,所以当逆向并联外置二极管时,不需要串联低压阻断二极管。

体二极管的Vf 比较高,这一问题可以通过如同期整流一样向门极输入导通信号使其逆向导通来降低。逆变驱动时,回流侧的臂上多数是在死区时间结束之后输入门极导通信号(请确认使用中的CPU 的动作),体二极管的通电只在死区时间期间发生,之后基本上是经由沟道逆向流过。因此,即使在只由MOSFET(无逆向并联的SBD)构成的桥式电路中,体二极管的Vf 较高也没有问题。

体二极管的恢复特性

SiCMOSFET 的体二极管虽然是PN 二极管,但是少数载流子寿命较短,所以基本上没有出现少数载流子的积聚效果,与SBD 一样具有超快速恢复性能(几十ns)。因此SiMOSFET 的体二极管与IGBT 外置的FRD 相比,其恢复损耗可以减少到IGBT 外置的FRD 的几分之一到几十分之一。

体二极管的恢复时间与SBD 相同,是恒定的,不受正向输入电流If 的影响(dI/dt 恒定的情况下)。在逆变器应用中,即使只由MOSFET 构成桥式电路,也能够实现非常小的恢复损耗,同时还预期可以减少因恢复电流而产生的噪音,达到降噪。

碳化硅驱动研究与设计

碳化硅 MOSFET 与传统的硅 MOSFET 在特性 上有较大差别,相比于硅 MOSFET,碳化硅 MOSFET 的寄生电容更小,对驱动电路寄生参数更敏感[2]。 高压及超快的开关速度带来的超高 di/dt、dv/dt,会 通过系统的杂散电感、电容形成干扰,为了避免高速开 关带来的串扰,需要在碳化硅 MOSFET 驱动上做一 些必要的设计。

(1)满足碳化硅 MOSFET 高速开关的要求,使用 驱动能力较强的驱动芯片;

(2)尽量减小驱动电路寄生电感的影响,在 PCB 布局时应注意器件摆放;

(3)为防止碳化硅受干扰导致的误开通,应采用负 压关断;

(4)为保证碳化硅 MOSFET 的可靠关断,避免噪 声干扰可能导致的误导通,应采用负压关断; (5)驱动电路带有源钳位保护、退饱和保护、故障 信号反馈等功能。

驱动供电电路设计

驱动功率可以从门极电荷量 QGate开关频率fin 以及驱动器实际输出电压摆幅 ΔUGate 计算得出,本设 计的fin 30kHz,QGate 0.25μC,ΔUGate 20V, 驱动器平均输出电流:

本设计供电芯片选择 公司的碳化硅 MOSFET 驱动器专用 DC/DC电源,电源模块输入电压15V, 输出电压15V、-5V,驱动功率2 W,符合本设计驱 动供电需求驱动供电电路如图2所示

驱动电路设计

测试板采用1EDI60H12AH 型驱 动芯片,此芯片可提供10A 的峰值驱动电流,但是驱 动板没有有源钳位保护退饱和保护故障反馈功能。 因此本设计采用 公司1ED020I12-B2型驱动芯片,此芯片驱动电流为 ±2 A,带 有 退 饱 和 保 护、故 障 反 馈、故障自锁功能。为满足碳化硅驱动电流的要求,需 要使用外部放大器,本设计采用分立 NPN/PNP放大 晶体管组成互补输出电路。选用ZXTN2010Z型、ZXTP2012Z型晶体管,组成的互补输出电路持续驱动电 流可达4.3A,尖峰电流脉冲15A,满足本次设计碳化 硅驱动电流需求。驱动电路如图3所示。

退饱和保护电路设计1ED020I12-B2型驱动芯片带有退饱和保护功能, 如图3所示,芯片 U3引脚 DESAT 与电阻 R99、二极 管 D11和 D42、MOSFET 的集电极-发射极形成回路, DESAT 监测回路电压。

驱动芯片正向导通信号拉高时,DESAT 启动监 测功能,当回路电压超过9V(驱动芯片内比较器设置 9V),驱动芯片会启动退饱和保护,关闭 MOSFET,同时把故障信号拉低并反馈给主控,需要将驱动 芯片重新复位后才能进行下一次驱动

有源钳位保护电路设计

当碳化硅 MOSFET 关断时,由于母线 di/d很 高且换流回路中存在杂散电感,会导致母线出现电压 尖峰,这 可 能 会 超 过 MOSFET 的 击 穿 电 压 并 损 坏 F M F O 11 SF M E R T 12 。 W 通 常 M1 利 B1 用 有 型 源 碳化 钳 硅 位 模 来 块 限 的 制 漏 该 源 电 击 压 穿 尖 电 峰 压 。 为 1200 V,本 设 计 选 用 SMCJ220A 型 TVS 、 SMCJ160CA 型 TVS管和SMCJ160A 型 TVS管串联 组合,有源钳位保护电路如图3所示。TVS管钳位电 1026~1135V,D33、电阻 Z4和电容 C31组成动 态有源钳位,可以快速地开通 MOSFET 进行保护,动 态有源钳位钳位电压848~938V。 MOSFET 关断时,当母线电压高于 TVS管有源 钳位电压后,钳位电流流经 D36、D35、C31、D31、D26、 Z5后 分 为 两 路,一 路 经 过 D21,一 部 分 电 流 流 向 MOSFET栅极电容充电,一部分电流流向三极管 T4。 另一路经过 D10,一部分电流流向芯片 U3,一部分通 过推挽上管放大后给 MOSFET 栅极电容充电,从而 大大减缓 MOSFET 关断过程,直到 MOSFET 集电极 电压低于有源钳位电压才截止。 整个碳化硅驱动板设计如图4所示

碳化硅驱动板测试

对于设计的碳化硅驱动板,需要进行双脉冲测试 来评估驱动板功能和性能。双脉冲测试如图5所示, 用电感 L将碳化硅上管短路,上管驱动加-5V 关断, 下管为测试对象,驱动板驱动下管进行测试。

驱动测试:测试条件:母线电压610V、电感66.4nH、PWM 单脉冲宽度5μs、脉冲频率30kHz。驱动测试结果如 图6所示,黄线为碳化硅门级驱动信号,绿线为母线电 压,红线为电流。单脉冲宽度5μs,电流96A,与理论 值92A 接近。

有源钳位保护测试 将有源 钳 位 电 路 中 TVS 管 改 成 SMCJ160A 型 TVS管与SMCJ400CA 型 TVS管串联,理论触发有 源钳位电压范围为625~694V。 测试条件:母线电压610V、电感 66μH、PWM 单脉冲宽度5μs。 有源钳位保护测试结果如图7所示,黄线为碳化 硅门级驱动信号,绿线为母线电压,电压尖峰630V, 门级驱动信号下降变缓,触发了有源钳位

退饱和保护测试: 测试条件:将图5中上管直接用导线短路,母线电 528V、PWM 单脉冲宽度3μs。 测试结果如图8所示,黄线为 DESAT 电压绿线 为碳化硅门级驱动信号,红线为母线电流短路电流 320A,短路保护时间2.53μs,短路保护动作有效


文章为转载或网友发布,目的在于传递和分享信息,文章版权归原作者及原出处所有,如涉及作品内容、版权和其它问题,将根据著作权人的要求,第一时间更正或删除。

驱动电路原理图

SiC驱动layout

相关推荐

登录即可解锁
  • 海量技术文章
  • 设计资源下载
  • 产业链客户资源
  • 写文章/发需求
立即登录