扫码加入

  • 正文
  • 相关推荐
申请入驻 产业图谱

晶台高速光耦在数据传输中的优势

2025/12/15
525
加入交流群
扫码加入
获取工程师必备礼包
参与热点资讯讨论

高速光耦凭借其优异的电隔离与信号传输性能,成为数据传输领域的关键元件。晶台KL6N137型号以10Mbps高速传输能力脱颖而出,最小传播延迟仅45ns,有效满足PCIe、USB2.0等高速接口的时序要求。在工业以太网、光纤通信等场景中,KL6N137的宽温工作范围(-40°C~+85°C)与5mA低驱动电流特性,进一步提升了系统稳定性与能效比。

▲晶台光耦KL6N136瞬态抗扰度测试电路及波形

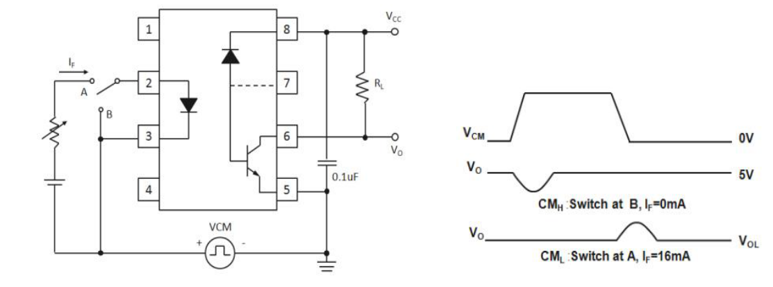
抗干扰与隔离保护的突出表现:数据传输过程中常面临电磁干扰、电压波动等挑战,晶台KL6N136型号凭借5000Vrms隔离电压与宽域共模瞬态抗干扰能力,成为高噪声环境下的优选方案。其0.1μs级开关时间支持纳秒级信号响应,在电机控制、逆变器通信等工业场景中,可有效阻断地环路干扰,保护敏感电路免受高压冲击。同时,KL6N136的DIP封装适配传统PCB布局,简化了硬件设计流程。

▲晶台光耦KL6N136/7功能示意图

晶台型号的适配性与成本效益:实际应用中需根据传输速率、隔离需求及成本预算综合选型。例如,在消费级电子设备中,KL6N137凭借10Mbps性能与合理定价,成为性价比之选;而在工业自动化、医疗设备等高可靠性场景中,KL6N136的高隔离特性与宽温适应性更具优势。晶台光耦通过标准化封装与参数一致性,降低了设计验证成本,其长期供货保障与技术支持,进一步满足了工业级应用的长期稳定性需求。最终,结合具体应用场景选择晶台型号,可实现数据传输性能与成本的双重优化。

相关推荐

登录即可解锁
  • 海量技术文章
  • 设计资源下载
  • 产业链客户资源
  • 写文章/发需求
立即登录