英集芯IP6559是一款应用于车载充电器、快充适配器、智能排插等设备的升降压SOC芯片,支持A+C双口输出,单口最大100W,可实现单口快充或双口同时输出。支持3.6V至31V的输入电压,兼容12V至24V车充输入。兼容PD3.0 PPS、QC2.0/3.0、华为FCP/SCP、三星AFC、VOOC等大部分主流快充协议。集成升降压控制器、协议芯片及路径NMOS控制功能,减少外围器件数量,降低BOM成本。采用QFN48封装,便于PCB布局,节省空间,适用于紧凑型产品设计。
一、技术特点:单芯片实现多功能集成
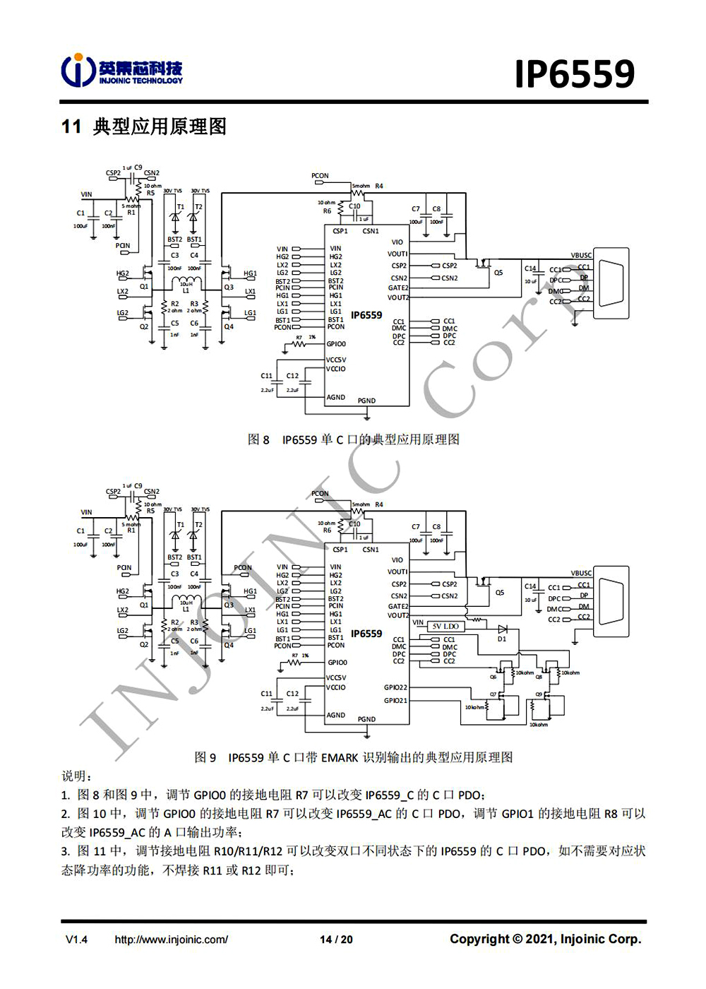
IP6559通过将升降压控制器、协议芯片及路径NMOS控制功能集成于QFN48封装(7×7mm)中,仅需1颗电感和2颗功率MOSFET即可构建完整的100W快充方案。相较于传统需要外置十余颗元件的设计方案,其PCB面积可减少约40%,元件数量降低约65%,BOM成本下降约32%。这种集成化设计有助于简化硬件布局,并通过减少元件间信号干扰提升系统稳定性。
二、核心功能:广泛适用的功率管理
1、宽电压输入与升降压控制
支持3.6V至31V的输入电压范围,适用于12V至24V车充环境。其同步开关升降压系统可输出3.3V至21V电压,覆盖多数设备需求,并基于PD3.0 PPS协议实现20mV/step的电压调节。
2、双口独立快充与功率分配
配备A+C双输出接口,单口最高支持100W快充输出。当双口同时使用时,芯片可自动进行功率分配。
3、多协议兼容与自适应快充
集成PD3.0 PPS、QC2.0/3.0、FCP/SCP、AFC、VOOC等14种常见快充协议,兼容目前市场上多数移动设备。针对不同品牌的快充协议差异,IP6559通过智能协议识别技术,可提供相应的快充方案。
三、设计亮点:安全与效率兼顾
1、温度管理功能
内置NTC温度传感器与板级温度检测,可实时监测芯片表面温度。当温度接近65℃时,系统会自动启动动态功率调节,通过调整输出功率控制温升。该温控设计有助于降低设备表面温度,符合车规级安全要求。
2、多重保护机制
集成输入过压/欠压保护、输出过压/欠压保护、过流保护、短路保护及器件过温保护等多种安全防护机制。在2米线缆使用场景下,其内置的线损补偿功能可改善末端充电效率,缓解长线缆导致的电压下降问题。
3、数字化监控与显示支持
内置14bit ADC(模数转换器),可精确采集输入输出电压、电流参数,并支持通过数码管或外置单片机显示实时功率。该设计为用户提供充电状态可视化的可能,同时也为开发者提供调试便利。
四、应用场景:多领域适用
1、车载充电器
作为主要应用方向之一,IP6559已进入包括三星在内的多家知名品牌供应链。其双口独立快充功能可满足车内多用户同时充电的需求,温控系统则有助于保障高温环境下的运行安全。
2、快充适配器
支持通过PD3.0协议为笔记本、平板等设备提供65W至100W功率输出。其紧凑的封装设计有助于减小适配器体积,提升便携性。
3、户外电源
搭配锂电池组使用时,IP6559可用于构建4-6串户外电源方案,为无人机、投影仪等设备供电。宽电压输入特性使其能适应不同地区的电源环境。
五、市场反馈:推动行业技术发展
英集芯通过IP6559的应用,协助客户将开发周期有所缩短。采用该方案的产品上市后,市场接受度较好,用户反馈较为积极。这种“单芯片实现大功率快充”的设计思路,有助于推动行业向更高集成度、更具成本效益的方向发展。
结语
英集芯IP6559凭借其集成化设计、广泛的性能适配及智能化的安全机制,为大功率快充产品提供了可行的技术方案。随着5G设备、电动汽车等对充电功率需求的进一步提升,集成化解决方案有望在快充领域发挥更加重要的作用,为用户带来更便捷的充电体验,同时也为产品开发提供更多可能。
1514
