普冉MS32C001-C是一款应用于智能手环、USB外设、小家电、GPS终端等便携设备的低功耗MCU微控制器。基于32位ARM Cortex-M0+内核,主频最高24MHz,支持单周期乘法器。内置18KB的Flash存储和1.5KB的SRAM存储。Sleep模式电流低至85μA,Stop模式电流仅1.5μA。宽电压范围1.7V至5.5V,兼容多种电源设计。12位ADC精度,11通道(8外部+3内部),支持温度传感器。封装提供QFN16和QFN20两种小尺寸封装,引脚数分别为15和18,适合空间受限的设计。
一、核心性能:资源配置与基础性能
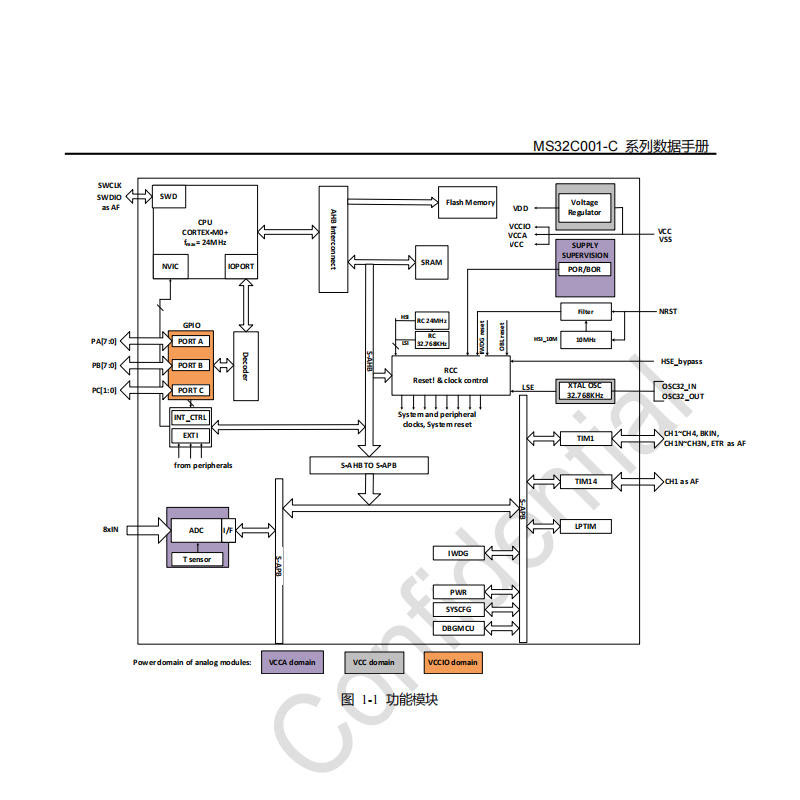
1、32位ARM Cortex-M0+内核
MS32C001-C采用ARM Cortex-M0+内核,最高主频24MHz,集成单周期乘法器,能够支持基本的复杂算法处理。相比传统8位或16位MCU,其32位架构在性能上有所提升,同时保持了较低的功耗,适合成本敏感但需要一定运算能力的应用场景,如智能传感器、小型电机控制等。
2、存储与外设配置
存储器:配备18KB Flash与1.5KB SRAM,支持用户程序存储及UID标识,满足基础代码与数据存储需求。
ADC:内置12位ADC,支持8路外部通道和3路内部通道(温度传感器、VCC/3、内部参考电压),集成1.5V/2.048V/2.5V参考电压,便于模拟信号采集。
3、定时器:
TIM1:16位高级定时器,支持PWM互补输出(含死区控制),适用于电机驱动、电源管理等场景。
TIM14:通用16位定时器,支持基础计时和PWM输出。
LPTIM:低功耗定时器,可在Stop模式下唤醒系统,有助于延长电池供电设备的使用时间。
安全机制:集成独立看门狗(IWDG)、硬件复位(POR/BOR),提升系统运行的可靠性。
二、功耗表现:适用于电池供电场景
MS32C001-C具备两种低功耗模式,可在不同应用场景下优化功耗:
Sleep模式:典型电流约85μA,适用于短暂休眠需求。
Stop模式:电流可降至1.5μA,支持定时器或外部中断唤醒,适合需要长期待机的电池供电设备,如智能手环、医疗传感器等。
此外,芯片支持1.7V至5.5V宽电压工作范围,并可在-40℃至85℃工业级温度范围内稳定运行。
三、封装与成本:小尺寸与成本优势
1、封装选择
MS32C001-C提供QFN16和QFN20两种封装形式:
QFN16:提供15个GPIO,适合空间受限的设备,如电子标签、无线传感器节点。
QFN20:提供18个GPIO,支持更多外设连接,适用于小家电控制板等应用。
2、成本表现
该芯片在同类32位MCU中具备一定成本优势。其性价比表现主要体现在:
替代8位MCU:以32位性能替代部分8位芯片(如STM8、PIC),有助于提升系统处理能力,同时控制成本。
替代进口芯片:在当前供应链环境下,可作为国产替代方案之一,提供一定的供货稳定性支持。
四、典型应用场景
1、消费电子
USB外设:可用于键盘、鼠标等设备,SWD调试接口便于开发调试。
小家电:适用于智能插座、温湿度控制器等产品,TIM1可支持PWM控制功能。
2、工业控制
电机驱动:利用TIM1的互补PWM输出功能,可驱动步进或直流电机。
数据采集:通过12位ADC采集传感器信号,结合LPTIM实现低功耗定时数据上传。
3、物联网(IoT)
无线传感器节点:可搭配低功耗射频模块,实现数据采集与传输。
智能穿戴设备:Stop模式下的低功耗特性,有助于延长智能手环、健康监测设备的待机时间。
五、开发支持:基础工具与资源
普冉半导体为MS32C001-C提供相应的开发生态:
开发板:支持Type-C接口供电,兼容PY32 Link、ST-Link等调试工具,适配Keil/IAR开发环境。
技术文档:官网提供数据手册及相关技术资料,包括寄存器说明和外设驱动代码示例。
社区资源:部分技术社区上有开发者分享的相关案例,可作为参考。
六、总结:一款具有成本优势的32位MCU
普冉MS32C001-C的推出,体现了国产32位MCU在性价比方面的一些进展。其32位处理能力、低功耗特性以及成本控制,使其在消费电子、工业控制和物联网等领域具备一定的应用潜力。在成本敏感型项目中,这款32位MCU可作为方案选型时的参考选项之一。
1188
